Каталог запасных частей к технике: Алтайдизель А-01М, Д-461. Насос топливный

1
1
1
2
2
2
3
3
3
4
4
4
5
5
5
6
6
6
7
7
7
8
8
8
9
9
9
10
10
10
11
11
11
12
12
12
13
13
13
14
14
14
15
15
15
15
16
16
16
17
17
17
18
18
18
19
19
19
20
20
20
21
21
21
22
22
22
23
23
23
24
24
24
25
25
25
26
26
26
27
27
27
28
28
28
29
29
29
29
29
30
30
30
31
31
31
32
32
32
33
33
33
34
34
34
35
35
35
36
36
36
37
37
37
38
38
38
39
39
39
40
40
40
41
41
41
41
41
41
42
42
42
43
43
43
44
44
44
44
44
44
45
45
45
46
46
46
46
46
46
47
47
47
48
48
48
49
49
49
50
50
50
51
51
51
52
52
52
53
53
53
54
54
54
55
55
55
56
56
56
57
57
57
58
58
58
59
59
59
60
60
60
61
61
61
62
62
62
63
63
63
64
64
64
65
65
65
66
66
66
67
67
67
68
68
68
69
69
69
70
70
70
71
71
71
72
72
72
73
73
73
74
74
74
75
75
75
76
76
76
77
77
77
78
78
78
79
79
79
80
80
80
81
81
81
82
82
82
83
83
83
84
84
84
85
85
85
86
86
86
87
87
87
88
88
88
89
89
89
90
90
90
91
91
91
92
92
92
93
93
93
94
94
94
95
95
95
96
96
96
97
97
97
98
98
98
99
99
99
100
100
100
101
101
102
102
102
103
103
103
104
104
104
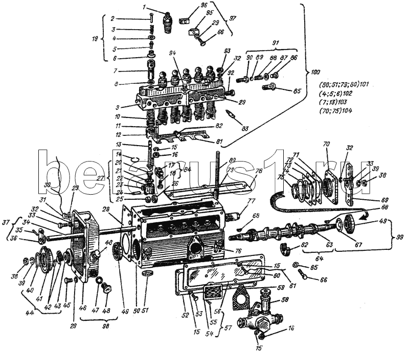
Позиция на иллюстрации | Заводской номер детали | Название детали | |
---|---|---|---|
03-16С62А | 03-16С62А | Головка с втулками в сборе | |
01Е-16С2А | 01Е-16С2А | Насос топливный в сборе | |
01Е-16С2А | 01Е-16С2А | Насос топливный в сборе | |
01Е-16С2А | 01Е-16С2А | Насос топливный в сборе | |
03-16С2.10 | 03-16С2.10 | Насос в сборе | |
03-16С2.20 | 03-16С2.20 | Насос в сборе | |
03-16С2 | 03-16С2 | Насос в сборе | |
В2.80.16.077 | В2.80.16.077 | Корпус толкателя с фиксатором | |
В2.30.16.077 | В2.30.16.077 | Корпус толкателя с фиксатором | |
03-16С62А | 03-16С62А | Головка с втулками в сборе | |
03-16С62А | 03-16С62А | Головка с втулками в сборе | |
03-16С27-1.20 | 03-16С27-1.20 | Корпус с валом в своре | |
03-16С27-1 | 03-16С27-1 | Корпус с валом в своре | |
03-16С27-1 | 03-16С27-1 | Корпус с валом в своре | |
Б2.80.16.077 | Б2.80.16.077 | Корпус толкателя с фиксатором | |
1 | 16-069Г | Штуцер | |
1 | 16-069Г.10 | Штуцер | |
1 | 16-069Г.10 | Штуцер | |
2 | 03-1610А | Уменьшитель объема | |
2 | 03-1610А | Уменьшитель объема | |
2 | 03-1610А | Уменьшитель объема | |
3 | 16-068А | Пружина нагнетательного клапана | |
3 | 16-068А | Пружина нагнетательного клапана | |
3 | 16-068А | Пружина нагнетательного клапана | |
4 | 16-212А | Прокладка | |
4 | 16-212А | Прокладка | |
4 | 16-212А | Прокладка | |
5 | 41-А1613 | Клапан нагнетательный | |
5 | 41-А1613 | Клапан нагнетательный | |
5 | 41-А1613 | Клапан нагнетательный | |
6 | 41-1665 | Седло клапана | |
6 | 41-1665 | Седло клапана | |
6 | 41-1665 | Седло клапана | |
7 | 41-А1661-1 | Втулка плунжера | |
7 | 41-А1661-1 | Втулка плунжера | |
7 | 41-А1661-1 | Втулка плунжера | |
8 | 16-062 | Прокладка | |
8 | 16-062 | Прокладка | |
8 | 16-062 | Прокладка | |
9 | 03-1653-1Б | Головка | |
9 | 03-1653-1Б | Головка | |
9 | 03-1653-1Б | Головка | |
10 | 16-075Г | Пружина плунжера | |
10 | 16-075Г | Пружина плунжера | |
10 | 16-075Г | Пружина плунжера | |
11 | 16-074-1А | Шпилька | |
11 | 16-074-1А | Шпилька | |
11 | 16-074-1А | Шпилька | |
12 | 41-1676-1 | Тарелка пружины клапана | |
12 | 41-1676-1 | Тарелка пружины клапана | |
12 | 41-1676-1 | Тарелка пружины клапана | |
13 | 41-А16С14 | Плунжер | |
13 | 41-А16С14 | Плунжер | |
13 | 41-А16С14 | Плунжер | |
14 | 16-077А | Кольцо замковое | |
14 | 16-077А | Кольцо замковое | |
14 | 16-077А | Кольцо замковое | |
15 | 6.65Г.0212.6402 | Шайба пружинная | |
15 | 6.65Г.05.6402 | Шайба пружинная | |
15 | 6.65Г.05.6402 | Шайба пружинная | |
16 | М6.6Н.6.013.5915 | Гайка | |
16 | М6.6Н.6.013.5915 | Гайка | |
16 | М6.6Н.6.029.5915 | Гайка | |
17 | 16-019-1А | Хомутик | |
17 | 16-019-1А | Хомутик | |
17 | 16-019-1А | Хомутик | |
18 | М6.6gх20.58.35.013.7798 | Болт | |
18 | М6.6gх20.58.35.013.7798 | Болт | |
18 | М6.6gх20.58.35.013.7798 | Болт | |
19 | 41-А16С16 | Клапан нагнетательный в сборе | |
19 | 41-А16С16 | Клапан нагнетательный в сборе | |
19 | 41-А16С16 | Клапан нагнетательный в сборе | |
20 | 16-049 | Болт толкателя | |
20 | 16-049 | Болт толкателя | |
20 | 16-049 | Болт толкателя | |
21 | 16-048А | Контргайка | |
21 | 16-048А | Контргайка | |
21 | 16-048А | Контргайка | |
22 | 80.16.104-2 | Корпус толкателя | |
22 | 80.16.104-2 | Корпус толкателя | |
22 | 80.16.104-2 | Корпус толкателя | |
23 | В2.80.16.523-1 | Фиксатор | |
23 | В2.80.16.523-1 | Фиксатор | |
23 | В2.80.16.523-1 | Фиксатор | |
24 | В2.80.16.522-2 | Ось ролика | |
24 | В2.80.16.522-2 | Ось ролика | |
24 | В2.80.16.522-2 | Ось ролика | |
25 | 16-046А | Втулка ролика | |
25 | 16-046А | Втулка ролика | |
25 | 16-046А | Втулка ролика | |
26 | 16-045 | Ролик толкателя | |
26 | 16-045 | Ролик толкателя | |
26 | 16-045 | Ролик толкателя | |
27 | 80.16,013-2 | Толкатель в сборе | |
27 | 80.16.013-2 | Толкатель плунжера | |
27 | 80.16.013-2 | Толкатель плунжера | |
28 | 16-084А | Прокладка | |
28 | 16-084А | Прокладка | |
28 | 16-084А | Прокладка | |
29 | 6.65Г.0212.6402 | Шайба пружинная | |
29 | 8.65Г.05.6402 | Шайба пружинная | |
29 | 8.65Г.05.6402 | Шайба пружинная | |
30 | 0,8х500.3282 | Проволока | |
30 | 0,8х500.3282 | Проволока | |
30 | 0,8х500.3282 | Проволока | |
31 | 3М8.6gх25.88.35.029.7796 | Болт | |
31 | 3М8.6gх25.58.013.7796 | Болт | |
31 | 3М8.6gх25.58.013.7796 | Болт | |
32 | 10.65Г.0212.6402 | Шайба пружинная | |
32 | 10.65Г.05.6402 | Шайба пружинная | |
32 | 10.65Г.05.6402 | Шайба пружинная | |
33 | М10.6gх25.58.20.013.7796 | Болт | |
33 | М10.6gх25.58.20.013.7796 | Болт | |
33 | М10.6gх25.88.35.029.7796 | Болт | |
34 | 03-1625 | Рейка | |
34 | 03-1625 | Рейка | |
34 | 03-1625 | Рейка | |
35 | 17-077 | Штифт | |
35 | 17-077 | Штифт | |
35 | 17-077 | Штифт | |
36 | 16-026-4А-01 | Поводок рейки | |
36 | 16-026-4А-01 | Поводок рейки | |
36 | 16-026-4А-01 | Поводок рейки | |
37 | 03-16С23.20 | Рейка в сборе | |
37 | 03-16С23 | Рейка в сборе | |
37 | 03-16С23 | Рейка в сборе | |
38 | М14х1,5.6Н.8.35.029.5915 | Гайка | |
38 | М14х1,5.6Н.8.35.013.5915 | Гайка | |
38 | М14х1,5.6Н.6.35.013.5915 | Гайка | |
39 | 14.65Г.05.6402 | Шайба пружинная | |
39 | 14.65Г.05.6402 | Шайба пружинная | |
39 | 14.65Г.05.6402 | Шайба пружинная | |
40 | Б28.13942 | Кольцо упорное | |
40 | Б28.13942 | Кольцо упорное | |
40 | Б28.13942 | Кольцо упорное | |
41 | В2.80.16.564-4 | Колесо зубчатое | |
41 | В2.80.16.564-4 | Колесо зубчатое | |
41 | В2.80.16.564-4 | Колесо зубчатое | |
41 | В2.80.16.564-3 | Колесо зубчатое | |
41 | В2.80.16.564-3 | Колесо зубчатое | |
41 | В2.80.16.564-3 | Колесо зубчатое | |
42 | 236-1110517-Б | Сухарь | |
42 | 236-1110517-Б | Сухарь | |
42 | 236-1110517-Б | Сухарь | |
43 | В2.80.16.565-1 | Втулка муфты | |
43 | В2.80.16.565-1 | Втулка муфты | |
43 | В2.80.16.565-1 | Втулка муфты | |
44 | В2.80.16.085-2А | Муфта упругая | |
44 | В2.80.16.085-2А | Муфта упругая | |
44 | В2.80.16.085-2А | Муфта упругая | |
44 | В2.80.16.085-1А | Муфта упругая в сборе | |
44 | В2.80.16.085-1А | Муфта упругая в сборе | |
44 | В2.80.16.085-1А | Муфта упругая в сборе | |
45 | М8.6gх25.58.20.013.7796 | Болт | |
45 | М8.6gх25.58.20.013.7796 | Болт | |
45 | М8.6gх25.88.35.029.7796 | Болт | |
46 | 16-014-3А | Фланец | |
46 | 16-014-3А | Фланец | |
46 | 16-014-3А | Фланец | |
46 | 03-1614-1Б | Фланец крепления регулятора | |
46 | 03-1614-1Б | Фланец крепления регулятора | |
46 | 03-1614-1Б | Фланец крепления регулятора | |
47 | 16-210 | Прокладка | |
47 | 16-210.10 | Прокладка | |
47 | 16-210.10 | Прокладка | |
48 | 16-204А | Пробка | |
48 | 16-204А | Пробка | |
48 | 16-204А | Пробка | |
49 | 7204К1.333 | Подшипник | |
49 | 7204К1.333 | Подшипник | |
49 | 7204К1.333 | Подшипник | |
50 | 03-1601-2Б | Корпус насоса | |
50 | 03-1601-2Б | Корпус насоса | |
50 | 03-1601-2Б | Корпус насоса | |
51 | 16-004 | Пробка | |
51 | 16-004 | Пробка | |
51 | 16-004.20 | Пробка | |
52 | 03-1680.20 | Прокладка крышки | |
52 | 03-1680 | Прокладка | |
52 | 03-1680 | Прокладка | |
53 | М6.6gх14.88.35.029.7798 | Болт | |
53 | М6.6gх14.58.35.013.7798 | Болт | |
53 | М6.6gх14.58.35.013.7798 | Болт | |
54 | 01-16107-12 | Табличка | |
54 | 01-16107-12 | Табличка | |
54 | 01-16107-13-10 | Табличка | |
55 | 2,5х6,37.10299 | Заклепка | |
55 | 2,5х6,37.10299 | Заклепка | |
55 | 2,5х6,37.10299 | Заклепка | |
56 | 03-16С21 | Крышка люка в сборе | |
56 | 03-16С21 | Крышка люка в сборе | |
56 | 03-16С21 | Крышка люка в сборе | |
57 | 03-16С22.20 | Крышка с табличкой | |
57 | 03-16С22.10 | Крышка с табличкой | |
57 | 03-16С22 | Крышка с табличкой | |
58 | 16-С30-8А-30 | Заказать | Помпа |
58 | 16-С30-8А-30 | Заказать | Помпа |
58 | 16-С30-8А-40 | Помпа | |
59 | 16-148.20 | Прокладка помпы | |
59 | 16-148 | Прокладка | |
59 | 16-148 | Прокладка | |
60 | 3М6.6gх14.58.35.013.7798 | Болт | |
60 | 3М6.6gх14.58.35.013.7798 | Болт | |
60 | 3М6.6gх14.58.35.029.7798 | Болт | |
61 | 0,8х400.3282 | Проволока | |
61 | 0,8х400.3282 | Проволока | |
61 | 0,8х400.3282 | Проволока | |
62 | 03-1617-1 | Опора кулачкового вала | |
62 | 03-1617-1 | Опора кулачкового вала | |
62 | 03-1617-1 | Опора кулачкового вала | |
63 | 03-1604-2 | Вал кулачковый | |
63 | 03-1604-2 | Вал кулачковый | |
63 | 03-1604-2 | Вал кулачковый | |
64 | 03-16С5-1Б | Вал с опорой | |
64 | 03-16С5-1Б | Вал с опорой | |
64 | 03-16С5-1Б.20 | Вал с опорой | |
65 | 8.37.11371 | Шайба | |
65 | 8.37.11371 | Шайба | |
65 | 8.37.11371 | Шайба | |
66 | М8.6gх30.88.35.029.7796 | Болт | |
66 | М8.6gх30.58.20.013.7796 | Болт | |
66 | М8.6gх30.58.20.013.7796 | Болт | |
67 | 16-031 | Маслоотражатель | |
67 | 16-031 | Маслоотражатель | |
67 | 16-031 | Маслоотражатель | |
68 | 4х6,5.8795 | Шпонка сегментная | |
68 | 4х6,5.8795 | Шпонка сегментная | |
68 | 4х6,5.8795 | Шпонка сегментная | |
69 | 03А-1669 | Вилка | |
69 | 03А-1669 | Вилка | |
69 | 03А-1669 | Вилка | |
70 | 03-1603 | Крышка подшипника | |
70 | 03-1603 | Крышка подшипника | |
70 | 03-1603 | Крышка подшипника | |
71 | 03-16223 | Прокладка регулировочная | |
71 | 03-16223 | Прокладка регулировочная | |
71 | 03-16223 | Прокладка регулировочная | |
72 | 03-16224 | Прокладка регулировочная | |
72 | 03-16224 | Прокладка регулировочная | |
72 | 03-16224 | Прокладка регулировочная | |
73 | 03-16225 | Прокладка регулировочная | |
73 | 03-16225 | Прокладка регулировочная | |
73 | 03-16225 | Прокладка регулировочная | |
74 | 03-1628 | Кольцо | |
74 | 03-1628 | Кольцо | |
74 | 03-1628.20 | Кольцо | |
75 | 1-20х40.8752 | Манжета | |
75 | 1-20х40.8752 | Манжета | |
75 | 1-20х40.8752 | Манжета | |
76 | 16-008.20 | Шпилька | |
76 | 16-008 | Шпилька | |
76 | 16-008 | Шпилька | |
77 | 03-1633 | Колпак рейки | |
77 | 03-1633 | Колпак рейки | |
77 | 03-1633.20 | Колпак рейки | |
78 | 03-1679.20 | Прокладка головки | |
78 | 03-1679 | Прокладка | |
78 | 03-1679 | Прокладка | |
79 | 16-003 | Штифт установочный | |
79 | 16-003 | Штифт установочный | |
79 | 16-003 | Штифт установочный | |
80 | Л16-100А | Шпилька | |
80 | Л16-100А | Шпилька | |
80 | Л16-100А.20 | Шпилька | |
81 | 03-1678 | Планка | |
81 | 03-1678 | Планка | |
81 | 03-1678 | Планка | |
82 | 01М-0193 | Пробка коническая 1/4" | |
82 | 01М-0193 | Пробка коническая 1/4" | |
82 | 01М-0193 | Пробка коническая 1/4" | |
83 | 16-063Б-1 | Винт установочный | |
83 | 16-063Б-1 | Винт установочный | |
83 | 16-063Б-1 | Винт установочный | |
84 | 16-С7 | Хомутик | |
84 | 16-С7 | Хомутик | |
84 | 16-С7 | Хомутик | |
85 | А12.01.003-07 | Болт поворотного угольника | |
85 | А12.01.003-07.10 | Болт поворотного угольника | |
85 | А12.01.003-07.10 | Болт поворотного угольника | |
86 | 16-218 | Пробка клапана | |
86 | 16-218 | Пробка клапана | |
86 | 16-218.20 | Пробка клапана | |
87 | 16-219.20 | Прокладка | |
87 | 16-219.10 | Прокладка | |
87 | 16-219 | Прокладка | |
88 | 16-057 | Пружина перепускного клапана | |
88 | 16-057 | Пружина перепускного клапана | |
88 | 16-057 | Пружина перепускного клапана | |
89 | 1117.144Н.3722 | Шарик | |
89 | 1117.144Н.3722 | Шарик | |
89 | 1117.144Н.3722 | Шарик | |
90 | 41-16216 | Корпус перепускного клапана | |
90 | 41-16216 | Корпус перепускного клапана | |
90 | 41-16216.20 | Корпус перепускного клапана | |
91 | 41-А16С13 | Клапан перепускной | |
91 | 41-А16С13 | Клапан перепускной | |
91 | 41-А16С13 | Клапан перепускной | |
92 | 41-1656Б | Втулка резьбовая | |
92 | 41-1656Б | Втулка резьбовая | |
92 | 41-1656Б | Втулка резьбовая | |
93 | 16-245 | Гайка М10х1 | |
93 | 16-245 | Гайка М10х1 | |
93 | 16-245.20 | Гайка | |
94 | М8.6gх60.58.20.013.7796 | Болт | |
94 | М8.6gх60.58.20.013.7796 | Болт | |
94 | М8.6gх60.88.35.029.7796 | Болт | |
95 | 16-073-3Б | Зажим | |
95 | 16-073-3Б | Зажим | |
95 | 16-073-3Б | Зажим | |
96 | 16-072-3Б | Зажим | |
96 | 16-072-3Б | Зажим | |
96 | 16-072-3Б | Зажим | |
97 | 16-С18.20 | Зажим в сборе | |
97 | 16-С18 | Зажим | |
97 | 16-С18 | Зажим | |
98 | 03-16С4В | Фланец регулятора в сборе | |
98 | 03-16С4В | Фланец регулятора в сборе | |
98 | 03-16С4В.20 | Фланец регулятора в сборе | |
99 | 03-16С5-1 | Вал в сборе | |
99 | 03-16С5-1 | Вал в сборе | |
99 | 03-16С5-1 | Вал в сборе | |
100 | 03-16С12 | Головка в сборе | |
100 | 03-16С12.20 | Головка в сборе | |
100 | 03-16С12.10 | Головка в сборе | |
101 | 03-16С27А.10 | Корпус в сборе | |
101 | 03-16С27А.10 | Корпус в сборе | |
102 | 41-А16С16Р | Клапан с прокладкой | |
102 | 41-А16С16Р | Клапан с прокладкой | |
102 | 41-А16С16Р | Клапан с прокладкой | |
103 | 445-16С15 | Заказать | Плунжерная пара |
103 | 445-16С15 | Заказать | Плунжерная пара |
103 | 445-16С15 | Заказать | Плунжерная пара |
104 | 03-16С6 | Крышка подшипника с манжетой | |
104 | 03-16С6 | Крышка подшипника с манжетой | |
104 | 03-16С6.20 | Крышка подшипника с манжетой |
Содержащиеся в справочниках-каталогах запасные части и детали не предлагаются к продаже, а носят исключительно информационный характер