Каталог запасных частей к технике: ММЗ Д-245.7E2. Головка цилиндров

245-1003013-Б1
245-1003011-Б1
1
2
3
3
4
4
5
6
7
8
9
10
11
12
12
12
13
14
14
14
15
15
15
15
16
16
16
17
18
19
20
21
21
22
23
23
24
25
26
26
26
27
28
29
30
31
32
33
34
35
36
37
38
38
39
40
41
42
43
44
45
45
47
49
50
51
52
52
52
53
54
55
56
57
58
59
60
61
62
63
63
64
65
66
67
68
69
70
71
72
73
74
75
76
77
77
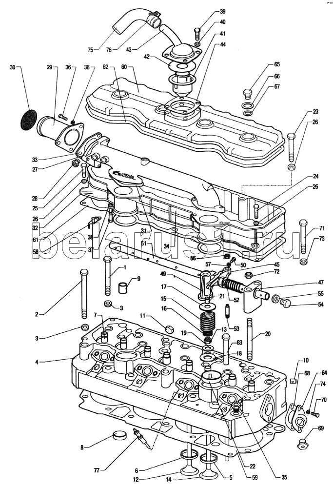
Позиция на иллюстрации | Заводской номер детали | Название детали | |
---|---|---|---|
245-1003010-Б1 | 245-1003010-Б1 | Установка головки цилиндров и впускного тракта | |
245-1014450-02 | 245-1014450-02 | Установка сапуна | |
245-3707030-01 | 245-3707030-01 | Установка свечи накаливания | |
245-10144770 | 245-10144770 | Установка трубы сапуна | |
240-1007100-61 | 240-1007100-61 | Механизм коромысел | |
245-1003030-Г1 | 245-1003030-Г1 | Крышка головки цилиндров | |
245-1003013-Б1 | 245-1003013-Б1 | Головка цилиндров | |
245-1003011-Б1 | 245-1003011-Б1 | Головка цилиндров | |
245-1003010-Б1-22 | 245-1003010-Б1-22 | Установка головки цилиндров и впускного тракта | |
245.1003010-Б1-21 | 245.1003010-Б1-21 | Установка головки цилиндров и впускного тракта | |
1 | 240-1002047 | Заказать | Болт |
2 | 240-1002047-01 | Заказать | Болт |
3 | 48-1002318 | Заказать | Шайба |
4 | 245-1003015-Б1-01 | Головка цилиндров | |
4 | 245-1003015-Б1 | Головка цилиндров | |
5 | 245-1003018-Б1 | Седло клапана впускного | |
6 | 245-1003019-Б1 | Седло клапана выпускного | |
7 | 245-1007032 | Заказать Заказать Заказать | Втулка клапана направляющая |
8 | 240-1003027 | Заказать | Заглушка |
9 | 240-1003029 | Заказать | Втулка |
10 | 240-1003037 | Заказать | Заглушка |
11 | Д02-003-А | Заказать | Заглушка |
12 | 240-1007015-Б6 | Клапан выпускной | |
12 | 240-1007015-Б7 | Клапан выпускной | |
12 | 240-1007015-Б9 | Клапан выпускной | |
13 | 240-1007020-Б | Заказать | Манжета уплотнительная клапана |
14 | 245-1007014 | Клапан впускной | |
14 | 260-1007014-А | Клапан впускной | |
14 | 260-1007014 | Заказать | Клапан впускной |
15 | 240-1007045-А4 | Пружина клапана наружная | |
15 | 240-1007045-А3 | Пружина клапана наружная | |
15 | 240-1007045-А2 | Пружина клапана наружная | |
15 | 240-1007045-А5 | Пружина клапана наружная | |
16 | 240-1007046-А1 | Пружина клапана внутренняя | |
16 | 240-1007046-А4 | Пружина клапана внутренняя | |
16 | 240-1007046-А3 | Пружина клапана внутренняя | |
17 | 240-1007048 | Заказать | Тарелка пружин клапана |
18 | 240-1007054 | Шайба пружины клапана нижняя | |
19 | 240-1007055 | Шайба пружины клапана верхняя | |
20 | 50-1003112 | Заказать | Шпилька стойки |
21 | 50-1007053-А2 | Сухарь клапана | |
21 | 50-1007053-А1 | Заказать | Сухарь клапана |
22 | 50-1003103-А | Стакан | |
23 | M8-6gx80.88.35.016 | Болт | |
23 | 240-1022070-03 | Болт | |
24 | M8-6gx30.88.35.016 | Болт | |
25 | M8-6gx35.88.35.016 | Болт | |
26 | 8.65Г.06 | Шайба | |
27 | 245-1003033-П | Коллектор впускной | |
28 | 245-1003037 | Футорка | |
29 | 245-1003270-Б | Труба воздухоподводящая | |
30 | 240-1003028-А | Заглушка | |
31 | 240-1003031 | Прокладка | |
32 | 240-1003032-А | Заказать | Крышка головки цилиндров |
33 | 240-1003264-А | Заказать | Прокладка |
34 | 2.5x10 | Штифт | |
35 | КГ1/8. А12.016 | Пробка | |
36 | M8-6gx30.88.35.016 | Болт | |
37 | M8-6gx35.88.35.016 | Болт | |
38 | 8.65Г.06 | Шайба | |
39 | M8-6gx16.88.35.016 | Болт | |
40 | 8.65Г.06 | Шайба | |
41 | 245-1014440 | Заказать | Стакан |
42 | 245-1014445 | Маслоотражатель | |
43 | 240-1002430-В | Корпус сапуна | |
44 | 240-1002444-А1 | Заказать | Прокладка |
45 | 50-1007212-А3 | Заказать | Коромысло клапана со втулками |
45 | 50-1007212-А4 | Заказать | Коромысло клапана со втулками |
46 | 240-1007151-Б | Заказать | Стойка оси коромысел крайняя |
47 | 240-1007151-Б-01 | Заказать | Стойка оси коромысел крайняя |
48 | 240-1007152-Б | Заказать | Стойка оси коромысел средняя |
49 | 240-1007152-Б-01 | Заказать | Стойка оси коромысел средняя |
50 | 240-1007185 | Фиксатор оси коромысел | |
51 | 50-1007102-А1 | Заказать | Ось коромысел |
52 | 50-1007103-А | Пружина оси коромысел | |
52 | 50-1007103-А2 | Пружина оси коромысел | |
52 | 50-1007103-А1 | Пружина оси коромысел | |
53 | 50-1007175-Б1 | Заказать | Винт регулировочный |
54 | 50-1007182 | Пробка оси коромысел | |
55 | 50-1007183 | Шайба пробки | |
56 | Д 02-063 | Гайка | |
57 | 10.65Г.06 | Шайба | |
58 | 240-1111125-А1 | Кронштейн | |
59 | 50-1003070-А | Прокладка головки цилиндров | |
60 | 245-1003122 | Заказать | Колпак крышки |
61 | 240-1003108 | Заказать Заказать Заказать | Прокладка крышки |
62 | 240-1003109 | Заказать Заказать Заказать Заказать | Прокладка колпака |
63 | 240-1007310-Б | Штанга | |
63 | 240-1007310-Б1 | Штанга | |
64 | 70-8115022-А | Заказать Заказать | Патрубок |
65 | 50-1003104-А | Гайка колпака | |
66 | 50-1003106 | Заказать | Шайба |
67 | 50-1003107-А | Кольцо | |
68 | 50-1015598 | Прокладка | |
69 | КГ3/8хА12.016 | Пробка | |
70 | M8-6gx20.88.35.016 | Болт | |
71 | M12-6gx85.88.35.016 | Болт | |
72 | М12-6Н.6 | Гайка | |
73 | 12.01.08кп | Шайба | |
74 | 8.65Г.06 | Шайба | |
75 | 20x29-1,6 | Рукав (L=900 мм) | |
76 | 20-32 NORMA-TORRO | Хомут | |
77 | 11 720 720 | Свеча накаливания | |
77 | СН-07-23 | Свеча накаливания АЕТ Тolmin (Словения) или свеча накаливания ФГУП УАПО г. Уфа |
Содержащиеся в справочниках-каталогах запасные части и детали не предлагаются к продаже, а носят исключительно информационный характер