Каталог запасных частей к технике: ТМЗ-8486.10-04. Регулятор частоты вращения

1
2
3
4
5
6
6
7
8
8
8
8
9
10
10
10
10
10
10
11
12
13
14
15
16
17
18
19
20
21
22
22
23
23
24
25
26
27
28
29
30
31
32
33
34
35
36
37
37
38
39
40
41
42
43
44
44
45
46
47
48
49
50
51
52
53
54
55
56
57
58
59
59
60
61
62
63
64
65
66
67
68
69
70
71
72
73
74
75
76
77
78
79
80
81
82
83
84
85
86
87
88
88
89
90
91
92
93
94
95
96
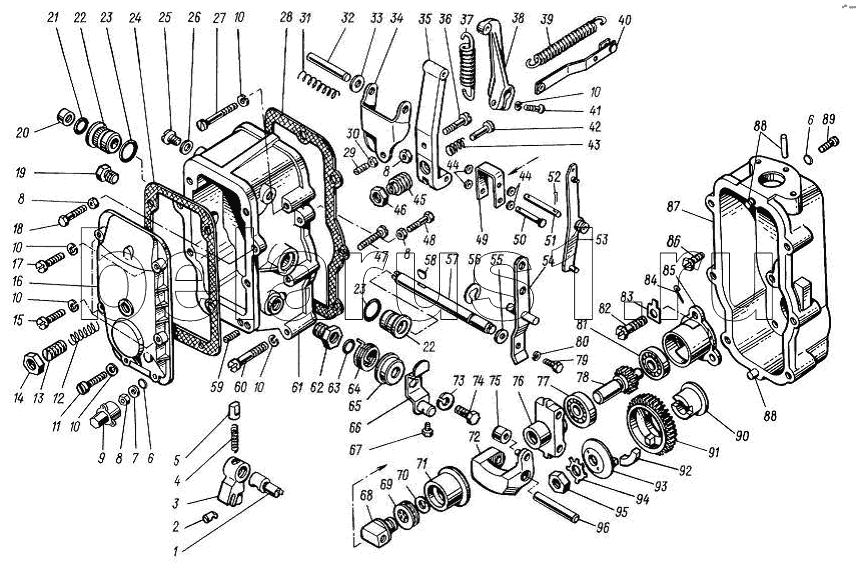
Позиция на иллюстрации | Заводской номер детали | Название детали | |
---|---|---|---|
175.1110300 | 175.1110300 | Державка грузов со стаканом в сборе | |
1 | 236-1110136-Б | Ось кулисы | |
2 | 60.1110220-02 | Ползун кулисы | |
3 | 60.1110132 | Кулиса | |
4 | 175.1110227 | Пружина фиксатора | |
5 | 236-1110372-Б | Фиксатор кулисы | |
6 | 2531112013 | Кольцо 005-008-19-2-1 | |
7 | 312370 | Шайба | |
8 | 250508-П29 | Гайка М6 | |
9 | 852920 | Гайка колпачковая | |
10 | 252154-П29 | Шайба 6.Л | |
11 | 310611-П29 | Винт | |
12 | 236-1110490 | Пружина буферная | |
13 | 60.1110492-10 | Корпус буферной пружины | |
14 | 311511-П15 | Контргайка | |
15 | 852380-П29 | Винт | |
16 | 60.1110498-01 | Крышка смотрового люка | |
17 | 310600-П29 | Винт | |
18 | 852003-П29 | Болт регулировочный | |
19 | 852880-П29 | Пробка | |
20 | 313955-П29 | Заглушка | |
21 | 236-1110482 | Кольцо уплотнительное | |
22 | 236-1110476-Б | Втулка вала | |
23 | 2531113064 | Кольцо 016-020-25-2-2 | |
24 | 236-1110499-А3 | Прокладка крышки смотрового люка | |
25 | 852369-П29 | Винт-заглушка | |
26 | 852205 | Прокладка | |
27 | 310612-П29 | Винт | |
28 | 236-1110154-А | Прокладка крышки регулятора | |
29 | 852364 | Винт | |
30 | 250511-П15 | Гайка М8х1 | |
31 | 236-1110089 | Пружина компенсационная | |
32 | 236-1110088 | Ось рычагов | |
33 | 312700-П15 | Шайба | |
34 | 60.1110080 | Рычаг двуплечий | |
35 | 238НБ-1110406-А2 | Рычаг регулятора | |
36 | 852350-П15 | Винт регулировочный | |
37 | 601110462 | Пружина регулятора | |
37 | 90.1110462-10 | Пружина регулятора | |
38 | 60.1110466 | Рычаг пружины | |
39 | 60.1110438 | Пружина рычага рейки с зацепом (в сборе) | |
40 | 423.1110454-01 | Тяга рейки с планкой пружинной и щитком | |
41 | 4593465503 | Болт | |
42 | 423.1110412 | Корректор | |
43 | 240Б-1110414-Б | Пружина корректора | |
44 | 312370-П29 | Шайба | |
45 | 240Б-1110416 | Корпус пружины корректора | |
46 | 311512-П15 | Контргайка | |
47 | 852357 | Винт регулировочный | |
48 | 852020-П29 | Болт регулировочный | |
49 | 236-1110433 | Серьга регулятора | |
50 | 317849-П15 | Палец | |
51 | 236-1110066 | Ось упорной пяты | |
52 | 258012-П15 | Шплинт разводной | |
53 | 60.1110441-01 | Рычаг рейки в сборе | |
54 | 236-1110151 | Рычаг управления регулятором | |
55 | 312347-П15 | Шайба | |
56 | 236-1110471 | Кольцо пружинное упорное | |
57 | 902.1110467-10 | Вал рычага пружины | |
58 | 314003-П | Шпонка сегментная | |
59 | 236-1110200 | Винт регулировочный (подбор) | |
59 | 175.1110200 | Винт регулировочный (подбор) | |
60 | 852381-П29 | Винт | |
61 | 60.1110129 | Крышка регулятора | |
62 | 236-1110134-Б | Ввертыш оси кулисы | |
63 | 236-1110394 | Кольцо уплотнительное | |
64 | 236-1110396 | Пружина возвратная | |
65 | 236-1110398 | Крышка пружины | |
66 | 42.1110380-13 | Рычаг останова в сборе | |
67 | 852006-П29 | Болт | |
68 | 236-1110065-Б | Пята упорная | |
69 | 8102 | Заказать | Подшипник муфты грузов |
70 | 236-1110067 | Кольцо пружинное | |
71 | 60.1110006-02 | Муфта грузов | |
72 | 175.1110320 | Груз регулятора в сборе | |
73 | 252134-П29 | Шайба 6.Т | |
74 | 201418-П29 | Болт М6х16 | |
75 | 236-1110532 | Ролик груза | |
76 | 175.1110304 | Державка грузов | |
77 | 202 | Заказать Заказать | Подшипник ГОСТ 8338-75 |
78 | 236-1110051-В | Валик державки грузов | |
79 | 201416-П29 | Болт М6х1х12 | |
80 | 252134-П29 | Шайба 6.Т | |
81 | 200 | Заказать | Шарикоподшипник |
82 | 310140-П15 | Болт | |
83 | 312529-П15 | Шайба | |
84 | 236.1110042 | Стопор пружинный | |
85 | 236.1110558-Б | Стакан подшипников | |
86 | 311200-П29 | Винт | |
87 | 84.1110022 | Корпус регулятора | |
88 | 258639-П15 | Штифт | |
89 | 260003-П15 | Палец | |
90 | 236-1110518-Б | Втулка ведущей шестерни | |
91 | 236-1110516-Б2 | Шестерня ведущая | |
92 | 236-1110517-Б2 | Сухарь шестерни | |
93 | 236-1110521 | Фланец втулки | |
94 | 312556-П15 | Шайба стопорная | |
95 | 250634-П15 | Гайка М14х1,5 | |
96 | 236-1110049 | Ось груза регулятора |
Содержащиеся в справочниках-каталогах запасные части и детали не предлагаются к продаже, а носят исключительно информационный характер