Аркадак
Эль-Монте ваш город?
Да
Выбрать другой город
Написать в
WhatsApp
Написать в
Telegram
Каталог

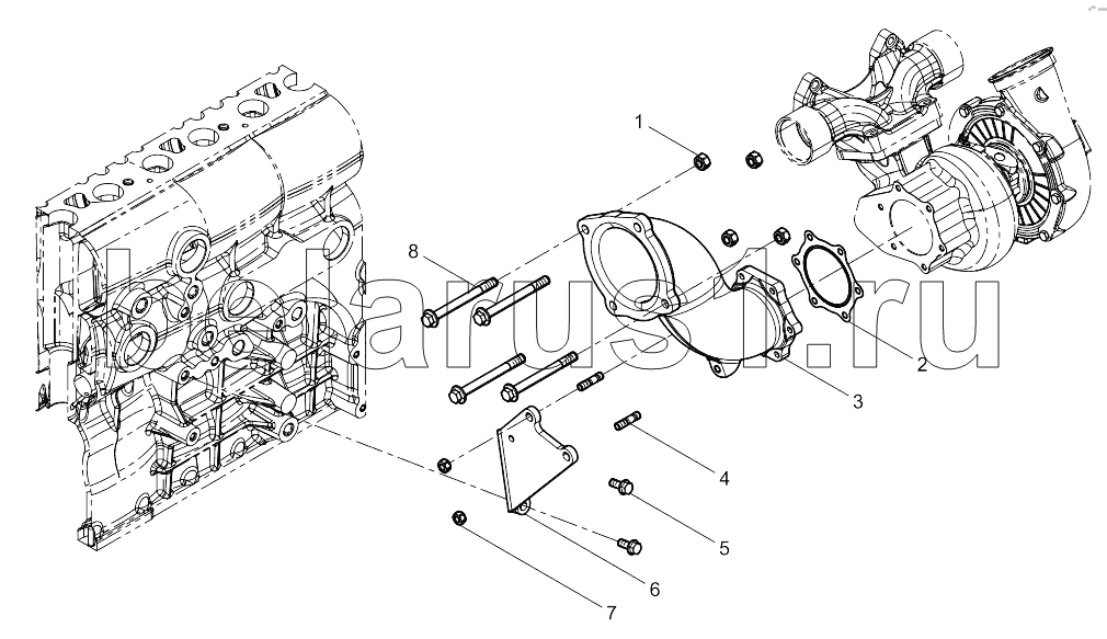
Каталог запасных частей к технике: Weichai WP12 DHP12Q0501. Rear Exhaust Manifold Group

zoom-in zoom-out enlarge shrink circle-right circle-left file-text2 info cart
1
2
3
4
5
6
7
8
Позиция на иллюстрации Заводской номер детали Название детали
1 90012210004 Hexagon nut
2 612630110716 Gasket
3 612630110007 Задняя выхлопная труба нагнетателя
4 612630110042 Stud
5 612639000024 Болт с шестигранной головкой
6 612630110011 Turbocharger bracket
7 612630110043 Hexagon nut
8 90003800028 Hexagon bolt
Содержащиеся в справочниках-каталогах запасные части и детали не предлагаются к продаже, а носят исключительно информационный характер