Каталог запасных частей к технике: ЯМЗ-238Д и Б. Коленчатый вал и маховик

1
2
3
4
5
6
7
8
9
10
11
11
11
11
11
11
11
12
12
12
12
12
12
13
14
14
15
16
17
18
18
19
20
21
22
23
24
25
26
27
28
29
30
31
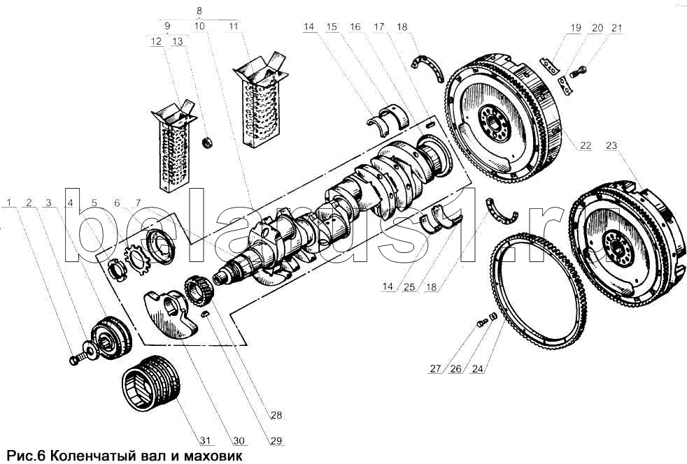
Позиция на иллюстрации | Заводской номер детали | Название детали | |
---|---|---|---|
238-1005115-Е2 | 238-1005115-Е2 | Маховик в сборе | |
236-1005125-А | 236-1005125-А | Обод | |
1 | 310040-П29 | Заказать | Болт |
2 | 201-1005066 | Заказать | Шайба |
3 | 236-1005061-Б | Заказать | Шкив |
4 | 236-1005055 | Гайка кольцевая | |
5 | 236-1005056-А | Шайба замковая | |
6 | 236-1005043 | Маслоотражатель передний | |
7 | 238Н-1005015 | Вал коленчатый с противовесами | |
8 | 238Н-1000107-А | Вал коленчатый с вкладышами подшипников, комплект | |
9 | 238-1000104-В2 | Вкладыши шатунных подшипников 88 мм, комплект | |
10 | 238Н-1005009-А | Вал коленчатый в сборе | |
11 | 238-1000102-В2-Р6 | Вкладыши коренных подшипников 108,50 мм, комплект | |
11 | 238-1000102-В2 | Вкладыши коренных подшипников 110 мм, комплект | |
11 | 238-1000102-В2-Р1 | Вкладыши коренных подшипников 109,75 мм, комплект | |
11 | 238-1000102-В2-Р2 | Вкладыши коренных подшипников 109,50 мм, комплект | |
11 | 238-1000102-В2-Р3 | Вкладыши коренных подшипников 109,25 мм, комплект | |
11 | 238-1000102-В2-Р4 | Вкладыши коренных подшипников 109 мм, комплект | |
11 | 238-1000102-В2-Р5 | Вкладыши коренных подшипников 108,75 мм, комплект | |
12 | 238-1000104-В2-Р1 | Вкладыши шатунных подшипников 87,75 мм, комплект | |
12 | 238-1000104-В2-Р2 | Вкладыши шатунных подшипников 87,50 мм, комплект | |
12 | 238-1000104-В2-Р3 | Вкладыши шатунных подшипников 87,25 мм, комплект | |
12 | 238-1000104-В2-Р4 | Вкладыши шатунных подшипников 87 мм, комплект | |
12 | 238-1000104-В2-Р5 | Вкладыши шатунных подшипников 86,75 мм, комплект | |
12 | 238-1000104-В2-Р6 | Вкладыши шатунных подшипников 86,50 мм, комплект | |
13 | 313933-П | Заглушка | |
14 | 236-1004058-В | Вкладыш шатунного подшипника | |
15 | 236-1005170-В | Вкладыш подшипника коленчатого вала верхний | |
16 | 236-1005042 | Маслоотражатель задний | |
17 | 236-1005169 | Штифт установочный полукольца | |
18 | 236-1005183-А | Полукольцо | |
19 | 236-1005129-Б | Пластина замковая левая | |
20 | 236-1005128-А | Пластина замковая правая | |
21 | 236-1005127-А | Болт крепления маховика | |
22 | 238-1005115-К | Маховик в сборе | |
23 | 238-1005115-Ж | Маховик в сборе | |
24 | 236-1005125-Б | Обод зубчатый маховика | |
25 | 236-1005171-В | Вкладыш подшипника коленчатого вала нижний | |
26 | 312579-П29 | Шайба стопорная | |
27 | 201501-П29 | Болт М10 | |
28 | 236-1005030-А | Шестерня распределительная | |
29 | 314006-П2 | Шпонка сегментная | |
30 | 238-1005026-Б | Противовес передний | |
31 | 238П-1005061 | Заказать | Шкив трехручьевой |
Содержащиеся в справочниках-каталогах запасные части и детали не предлагаются к продаже, а носят исключительно информационный характер