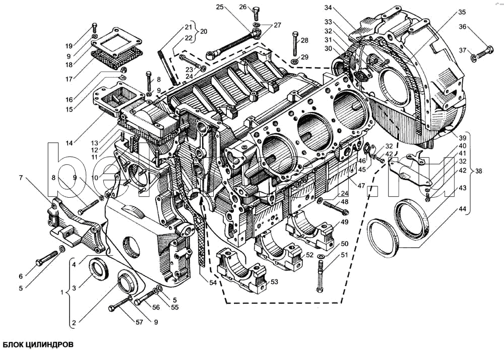
Каталог запасных частей к технике: ЯМЗ-6561.10 (Евро 3). Блок цилиндров

1
2
3
3
4
5
5
6
7
7
8
8
9
9
9
9
9
10
11
12
13
14
15
16
17
18
19
20
20
21
21
22
22
23
24
24
25
26
27
28
29
32
35
36
37
38
38
39
40
41
42
42
43
43
43
43
44
45
46
47
47
48
49
50
51
52
53
54
55
56
Позиция на иллюстрации | Заводской номер детали | Название детали | |
---|---|---|---|
113410-П2 | 113410-П2 | Штифт | |
240.1002333 | 240.1002333 | Указатель установки угла опережения впрыскивания топлива | |
236-1002286 | 236-1002286 | Сетка прокладки | |
236Т-1002284-Б4 | 236Т-1002284-Б4 | Прокладка | |
4598270016 | 4598270016 | Заглушка 38 | |
116101-П | 116101-П | Пробка | |
236-1111620-Б | 236-1111620-Б | Трубка отвода масла от ТНВД | |
116121-П29 | 116121-П29 | Пробка К1/4 | |
116169-П2 | 116169-П2 | Пробка К3/8 | |
116133-П29 | 116133-П29 | Пробка | |
7511.1003016 | 7511.1003016 | Шпилька крепления головки цилиндра М16х249 | |
316162-П2 | 316162-П2 | Пробка | |
7601.1002311 | 7601.1002311 | Картер маховика в сборе | |
7601.1002012 | 7601.1002012 | Блок цилиндров в сборе | |
112475-П34 | 112475-П34 | Шайба | |
236Н-1002015-Е | 236Н-1002015-Е | Блок цилиндров | |
236Н-1002011-Е | 236Н-1002011-Е | Блок цилиндров в сборе | |
200461-П29 | 200461-П29 | Болт крепления ТНВД | |
7511.1003017 | 7511.1003017 | Шпилька крепления головки цилиндра М16х209 | |
262513-П2 | 262513-П2 | Пробка К3/4" | |
1 | 238Б-1002261-Б3 | Крышка шестерен распределения в сборе | |
2 | 236-1002272 | Маслоотражатель крышки шестерен | |
3 | КТТ 64.95.10 | Манжета КТТ 64.95.10 | |
3 | 201-1005034-Б5 | Манжета в сборе | |
4 | 238Б-1002264-Д | Крышка шестерен распределения | |
5 | 252016-П29 | Шайба | |
6 | 200827-П29 | Болт | |
7 | 7511.1001020-20 | Кронштейн передней опоры | |
7 | 236.1001020-А4 | Кронштейн передней опоры | |
8 | 200325-П29 | Болт | |
9 | 252136-П2 | Шайба 10 пружинная | |
9 | 252136-П2 | Шайба 10 пружинная | |
10 | 216344-П29 | Шпилька | |
11 | 216262-П29 | Шпилька | |
12 | 238АК-1002266 | Прокладка правая | |
13 | 236-1002258-А3 | Заказать | Прокладка верхней крышки блока |
14 | 236-1002255-В4 | Заказать | Крышка блока верхняя в сборе |
15 | 112534-П2 | Шайба замковая | |
16 | 250513-П29 | Гайка | |
17 | 236-1002283-А | Прокладка с сеткой в сборе | |
18 | 236-1002282-Б | Заглушка | |
19 | 201499-П29 | Болт 10-6gх30 | |
20 | 656.1002012-20 | Блок цилиндров в сборе | |
20 | 656.1002012-10 | Блок цилиндров в сборе | |
21 | 7511.1003017-10 | Шпилька крепления головки цилиндра L=245 мм | |
21 | 7511.1003016-20 | Шпилька крепления головки цилиндров L=205 мм | |
22 | 656.1002011-30 | Блок цилиндров в сборе | |
22 | 656.1002011-50 | Блок цилиндров в сборе | |
23 | 236-1005180-А | Болт стяжной короткий | |
24 | 236-1005181 | Шайба | |
25 | 236-1111620-Г | Трубка отвода масла от ТНВД | |
26 | 310264-П29 | Заказать | Болт |
27 | 201-1015624 | Прокладка | |
28 | 201463-П29 | Болт крепления ТНВД | |
29 | 112515-П29 | Шайба | |
32 | 252135-П2 | Шайба пружинная | |
35 | 236-1002314-В | Прокладка | |
36 | 110044-П29 | Болт | |
37 | 252137-П2 | Шайба пружинная | |
38 | 658.1002310-20 | Картер маховика в сборе | |
38 | 658.1002311-20 | Картер маховика в сборе | |
39 | 658.1002312-20 | Картер маховика | |
40 | 236-1002333 | Указатель верхней мертвой точки поршня | |
41 | 236-1002318 | Крышка люка картера | |
42 | 201454-П29 | Болт М8х16 | |
43 | 236-1005160-А5 | Заказать | Манжета в сборе |
43 | 236-1005160-А6 | Манжета в сборе | |
43 | 236-1005160-А4 | Манжета в сборе | |
43 | КТТ140x170 | Манжета КТТ140x170 | |
44 | 236-1002315 | Маслоотражатель | |
45 | 236-1002404 | Заглушка | |
46 | 201-1306075-А | Прокладка | |
47 | 656.1002015-10 | Блок цилиндров | |
47 | 656.1002015-20 | Блок цилиндров | |
48 | 236-1005178-А | Болт стяжной длинный | |
49 | 236-1005152-Г | Крышка заднего подшипника коленчатого вала | |
50 | 112304-П | Шайба | |
51 | 236-1005159 | Болт крышки коренного подшипника | |
52 | 238-1005143-В | Крышка промежуточного подшипника коленчатого вала | |
53 | 236-1005140-В | Крышка переднего подшипника коленчатого вала | |
54 | 238АК-1002265 | Прокладка крышки шестерен распределения левая | |
55 | 252138-П2 | Шайба пружинная | |
56 | 200822-П29 | Болт |
Содержащиеся в справочниках-каталогах запасные части и детали не предлагаются к продаже, а носят исключительно информационный характер