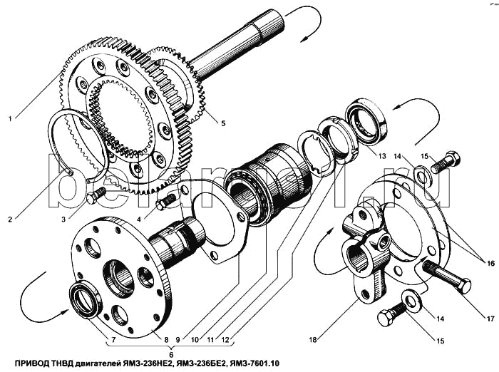
Каталог запасных частей к технике: ЯМЗ-6561.10 (Евро 3). Привод ТНВД

1
2
3
4
5
6
7
8
9
10
12
13
14
14
15
15
16
17
18
Позиция на иллюстрации | Заводской номер детали | Название детали | |
---|---|---|---|
1 | 7511.1029122 | Шестерня ведомая | |
2 | 7511.1029590 | Кольцо пружинное упорное | |
3 | 4593486555 | Болт | |
4 | 4593486557 | Болт | |
5 | 7511.1029268 | Полумуфта ведущая | |
6 | 7511.102912(М0 | Ось ведомой шестерни с подшипником и маховиком в сборе | |
7 | 238Б-1029438 | Манжета в сборе | |
8 | 7511.1029154-10 | Ось ведомой шестерни | |
9 | 7511.1029123 | Фланец упорный | |
10 | 6-2697709-А | Подшипник 6-2697709-А | |
12 | 7511.1029135-10 | Гайка | |
13 | 238Б-1029240-Б | Манжета в сборе | |
14 | 112502-П29 | Шайба | |
15 | 110265-П2 | Болт | |
16 | 840.1029274-10 | Пластина передняя | |
17 | 110001-П2 | Болт | |
18 | 7511.1029264 | Фланец полумуфты |
Содержащиеся в справочниках-каталогах запасные части и детали не предлагаются к продаже, а носят исключительно информационный характер