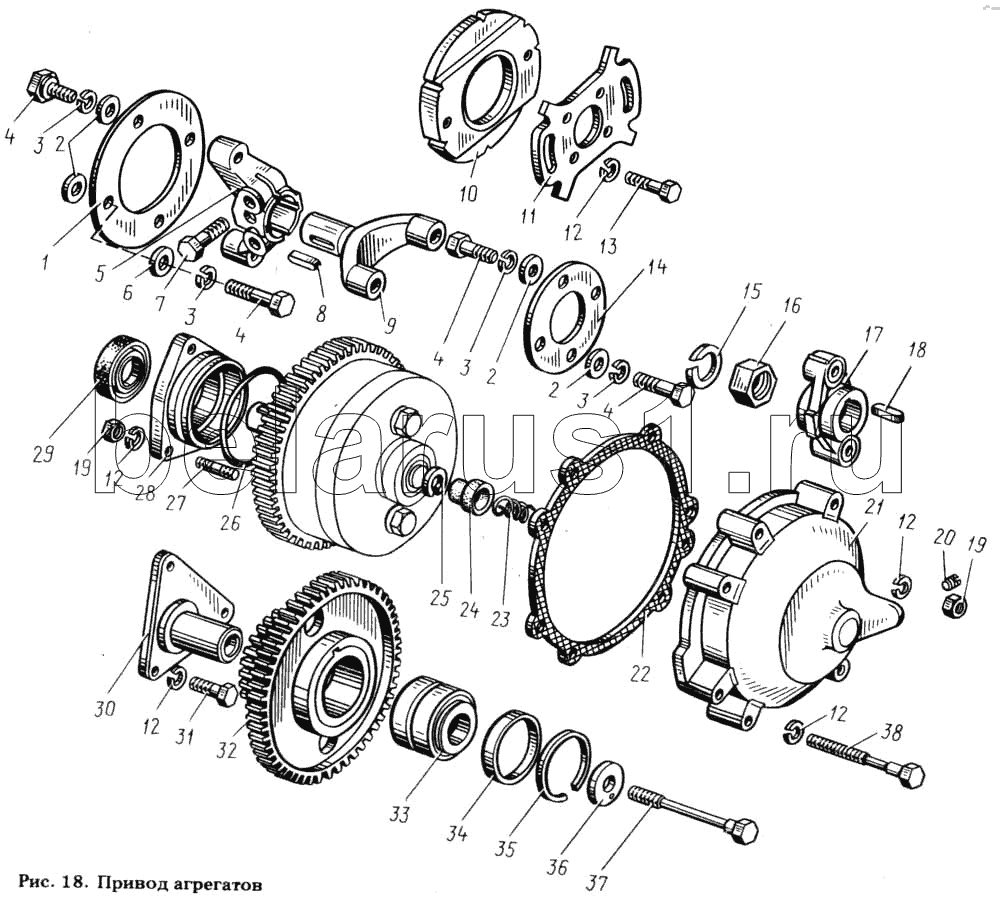
Каталог запасных частей к технике: ЯМЗ-8423.10. Привод агрегатов

1
2
2
2
3
3
3
3
4
4
4
4
5
6
8
9
10
11
12
12
12
12
12
13
14
15
16
17
19
19
21
22
23
24
25
26
27
28
29
30
32
33
34
35
36
37
38
Позиция на иллюстрации | Заводской номер детали | Название детали | |
---|---|---|---|
1 | 840.1029274-10 | Пластина передняя | |
2 | 252007-П29 | Шайба плоская | |
3 | 252137-П2 | Шайба пружинная | |
4 | 310070-П29 | Болт | |
5 | 840.1029264-10 | Фланец ведущей полумуфты передний | |
6 | 312316-П29 | Шайба | |
8 | 314132-П2 | Шпонка | |
9 | 840.1029268-10 | Фланец ведомой полумуфты | |
10 | 842.1029286 | Полумуфта ведомая | |
11 | 840.1029288-10 | Фланец ведомой полумуфты | |
12 | 252136-П2 | Шайба 10 пружинная | |
13 | 201676-П29 | Болт | |
14 | 840.1029272-10 | Пластина задняя | |
15 | 252161-П2 | Шайба | |
16 | 250565-П29 | Гайка | |
17 | 840.1029270-10 | Фланец ведущей полумуфты задний | |
19 | 250517-П29 | Гайка | |
21 | 842.1029176-20 | Корпус заднего подшипника | |
22 | 840.1029178-10 | Прокладка корпуса | |
23 | 841.1318100 | Пружина уплотнителя | |
24 | 841.1318098 | Уплотнитель подвода масла | |
25 | 841.1318097 | Кольцо запорное | |
26 | 25 3111 2193 | Кольцо 082-088-36-2-1 | |
27 | 216459-П29 | Шпилька | |
28 | 840.1029172 | Корпус переднего подшипника | |
29 | 840.1029438 | Манжета в сборе | |
30 | 840.1029128 | Ось ведущей шестерни | |
32 | 840.1029115 | Шестерня ведущая привода распределительного вала в сборе | |
33 | 97506 | Подшипник роликовый | |
34 | 840.1029034 | Кольцо упорное | |
35 | 236-1307081 | Кольцо запорное | |
36 | 840.1029140 | Шайба упорная | |
37 | 310035-П29 | Болт | |
38 | 200476-П29 | Болт |
Содержащиеся в справочниках-каталогах запасные части и детали не предлагаются к продаже, а носят исключительно информационный характер