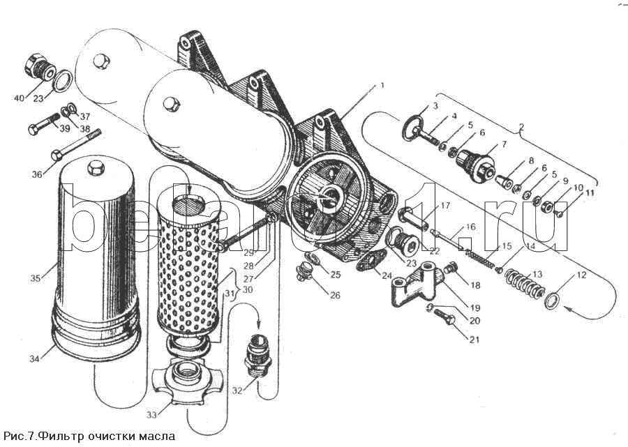
Каталог запасных частей к технике: ЯМЗ-850. Фильтр очистки масла
1
2
3
4
5
5
6
6
7
8
9
10
11
12
13
14
15
16
17
18
19
20
21
22
23
23
24
25
26
27
28
29
30
31
32
33
34
35
36
37
38
39
40
| Позиция на иллюстрации | Заводской номер детали | Название детали | |
|---|---|---|---|
| 850.1012015 | 850.1012015 | Корпус в сборе | |
| 850.1012010 | 850.1012010 | Фильтр очистки масла в сборе | |
| 840.1012040-14 | 840.1012040-14 | Элемент фильтрующий в сборе | |
| 840.1012038-12 | 840.1012038-12 | Элемент фильтрующий в упаковке | |
| 1 | 850.1012020 | Корпус | |
| 2 | 850.1012293-10 | Пробка перепускного клапана | |
| 3 | 312697-П | Шайба | |
| 4 | 840.1012294-10 | Контакт неподвижный | |
| 5 | 312307-П29 | Шайба | |
| 6 | 312322-П | Шайба | |
| 7 | 840.1012067-10 | Пробка перепускного клапана | |
| 8 | 840.1012298-10 | Втулка уплотнительная | |
| 9 | 252156-П2 | Шайба пружинная | |
| 10 | 250517-П29 | Гайка | |
| 11 | 220048-П2 | Винт | |
| 12 | 312698-П2 | Шайба | |
| 13 | 840.1012058 | Пружина клапана | |
| 14 | 840.1012059-10 | Штуцер клапана | |
| 15 | 840.1012291-10 | Пружина сигнализатора | |
| 16 | 840.1012282-10 | Контакт подвижный | |
| 17 | 840.1012055-10 | Клапан перепускной | |
| 18 | 316121-П29 | Пробка К 1/4" | |
| 19 | 850.1012262 | Корпус датчиков давления масла | |
| 20 | 252135-П2 | Шайба пружинная | |
| 21 | 201460-П29 | Болт М8х30 | |
| 22 | 316195-П29 | Пробка | |
| 23 | 312330-П | Прокладка | |
| 24 | 840.1002437 | Прокладка тройника | |
| 25 | 312766-П | Прокладка | |
| 26 | 316185-П2 | Пробка | |
| 27 | 252007-П29 | Шайба плоская | |
| 28 | 252137-П2 | Шайба пружинная | |
| 29 | 850.1012504 | Болт | |
| 30 | 840.1012040-12 | Элемент фильтрующий в сборе | |
| 31 | 840.1012052-10 | Прокладка элемента | |
| 32 | 840.1012127-10 | Штуцер корпуса | |
| 33 | 840.1012051-10 | Крышка замковая | |
| 34 | 840.1012083-10 | Заказать | Кольцо уплотнительное 125х4,5х4,5-26 |
| 35 | 238Б-1012077-Б2 | Колпак с пружиной в сборе | |
| 36 | 200463-П29 | Болт | |
| 37 | 252006-П29 | Шайба плоская | |
| 38 | 252136-П2 | Шайба 10 пружинная | |
| 39 | 201684-П29 | Болт | |
| 40 | 850.1012192 | Корпус штуцера слива масла |
Содержащиеся в справочниках-каталогах запасные части и детали не предлагаются к продаже, а носят исключительно информационный характер