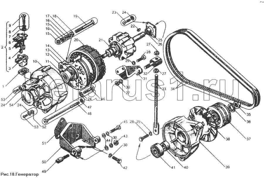
Каталог запасных частей к технике: ЯМЗ-850. Генератор

1
2
3
4
5
6
7
8
9
10
12
13
15
15
16
16
17
18
19
20
21
22
23
24
24
24
24
25
26
27
27
27
28
28
29
29
30
30
30
31
32
33
34
35
36
37
38
39
40
42
43
44
45
46
47
48
49
50
51
52
53
53
54
Позиция на иллюстрации | Заводской номер детали | Название детали | |
---|---|---|---|
Г288-3701130 | Г288-3701130 | Фаза статора | |
Г288-Э701132 | Г288-Э701132 | Фаза статора | |
1 | Г287-3701307 | Прокладка уплотнительная | |
2 | Г250П1-3701010 | Щеткодержатель в сборе | |
3 | Г272-3701011 | Щеткодержатель | |
4 | Г272-3701020-А | Щетка в сборе | |
5 | Г272-3701030-А | Щетка в сборе | |
6 | Г272-3701012-А | Крышка щеткодержателя | |
7 | 8Х-1497-А | Шайба | |
8 | М11-41081 | Шайба пружинная | |
9 | Г250Е1-3701016 | Болт | |
10 | 3802.3701300 | Крышка со стороны контактных колец | |
12 | Г287-3701305-А | Кольцо уплотнительное контактное | |
13 | Г21-3701005 | Чашка ротора | |
15 | 8Х-1537М | Гайка | |
16 | МХ-0246-01 | Шайба 8 пружинная | |
17 | 1МЮ-37 | Шайба | |
18 | Г287-3701319 | Втулка изоляционная | |
19 | НО-0801-10 | Болт контактный | |
20 | 5702.3701100 | Статор | |
21 | 5702.3701200 | Ротор | |
22 | 15Х-4148 | Шпонка | |
23 | 7Х-4066 | Винт | |
24 | Х-4001-01 | Шайба пружинная | |
25 | Г287-3701405 | Шайба специальная | |
26 | Г287-3701053 | Втулка распорная | |
27 | 250515-П29 | Гайка | |
28 | 201460-П29 | Болт М8х30 | |
29 | 252135-П2 | Шайба пружинная | |
30 | 252136-П2 | Шайба 10 пружинная | |
31 | 850.3701716 | Кронштейн натяжителя | |
32 | 850.3701795 | Болт натяжителя | |
33 | 850.3701792 | Стержень с наконечником | |
34 | 850.3701002 | Комплект ремней зубчатых привода генератора | |
35 | МХ-0235-01 | Гайка | |
36 | Г287-3701074 | Шайба | |
37 | 5702.3701051 | Шкив генератора | |
38 | 3802.3701055 | Вентилятор | |
39 | 5702.3701400 | Крышка со стороны привода в сборе | |
40 | Г287-3701054 | Втулка | |
42 | 201678-П29 | Болт | |
43 | 250512-П29 | Гайка | |
44 | 252006-П29 | Шайба плоская | |
45 | 310213-П29 | Болт | |
46 | МХ-0139 | Винт | |
47 | Х-1482-01 | Шайба пружинная | |
48 | НО-0102 | Винт М6 | |
49 | 238-3701780 | Палец крепления генератора | |
50 | 850.3701774 | Кронштейн крепления генератора | |
51 | 850.3701773 | Прокладка | |
52 | Г250-3701053-А1 | Скоба | |
53 | Х-4237-01 | Винт М5 | |
54 | Г287-3701060 | Крышка |
Содержащиеся в справочниках-каталогах запасные части и детали не предлагаются к продаже, а носят исключительно информационный характер