Аркадак
Эль-Монте ваш город?
Да
Выбрать другой город
Написать в
WhatsApp
Написать в
Telegram
Каталог

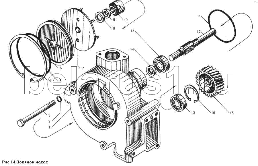
Каталог запасных частей к технике: ЯМЗ-850. Водяной насос

zoom-in zoom-out enlarge shrink circle-right circle-left file-text2 info cart
1
2
3
4
6
7
8
9
10
12
14
15
16
Позиция на иллюстрации Заводской номер детали Название детали
850.1307010 850.1307010 Насос водяной в сборе
1 850.1307015 Корпус
2 252137-П2 Шайба пружинная
3 200411-П29 Болт
4 850.1307033 Кольцо стопорное
6 840.1307045-01 Крышка
7 850.1307030 Крыльчатка в сборе
8 850.1307039 Втулка
9 850.1307062 Манжета
10 850.1307031 Уплотнение торцовое в сборе
12 850.1307023 Валик насоса
14 850.1307090 Манжета в сборе
15 850.1307070 Шестерня
16 8401.1307136 Кольцо стопорное
Содержащиеся в справочниках-каталогах запасные части и детали не предлагаются к продаже, а носят исключительно информационный характер