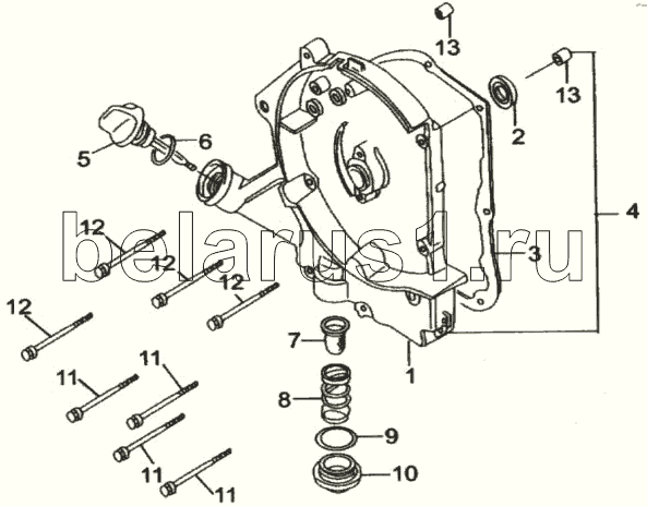
Каталог запасных частей к технике: ЗиД Двигатель 1P39QMB. Правая крышка картера

1
2
3
4
5
6
7
8
9
10
11
11
11
11
12
12
12
12
13
13
Позиция на иллюстрации | Заводской номер детали | Название детали | |
---|---|---|---|
1 | 11311 | Заказать | Правая крышка картера |
2 | 13180 | Правый сальник 16,4х30х5 | |
3 | 11319 | Прокладка правой крышки картера | |
4 | 11301 | Правая крышка картера в сборе | |
5 | 15611 | Стержневой масломер | |
6 | 15612 | Уплотнительное кольцо | |
7 | 15450/1P52QMI | Сетка масляного фильтра | |
8 | 15461/1P52QMI | Пружина сетки масляного фильтра | |
9 | 15462/1P52QMI | Уплотнительное кольцо | |
10 | 15463/1P52QMI | Крышка сетки масляного фильтра | |
11 | GB5787-86 | Болт М6х100 | |
12 | GB5787-86 | Болт М6х85 | |
13 | 11318/1P52QM1 | Штифт 8х14 |
Содержащиеся в справочниках-каталогах запасные части и детали не предлагаются к продаже, а носят исключительно информационный характер