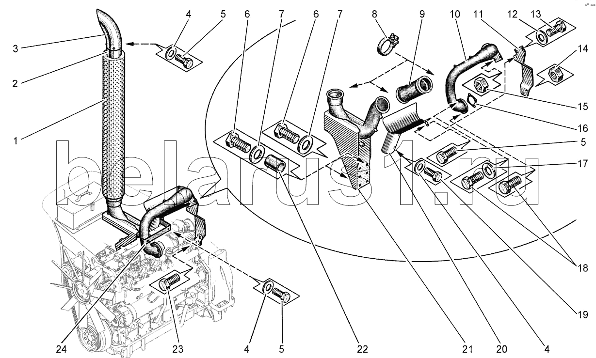
Каталог запасных частей к технике: Агротехмаш АТМ-5280. Установка глушителя

1
2
3
4
4
4
5
5
5
6
6
7
7
8
9
10
11
12
13
14
15
16
17
18
19
20
21
22
23
24
Позиция на иллюстрации | Заводской номер детали | Название детали | |
---|---|---|---|
1 | 10001643 | Глушитель выпуска | |
2 | 10002032 | Втулка глушителя | |
3 | 10002439 | Насадка | |
4 | 10001523 | Шайба | |
5 | 10002735 | Болт | |
6 | 10001682 | Болт | |
7 | 10004408 | Шайба | |
8 | 10002359 | Хомут | |
9 | 10001263 | Сильфон | |
10 | 10002339 | Труба | |
11 | 10001862 | Кронштейн | |
12 | 10001843 | Шайба | |
13 | 10002091 | Болт | |
14 | 10003867 | Гайка | |
15 | 10004509 | Гайка | |
16 | 10000144 | Прокладка | |
17 | 10001843 | Шайба | |
18 | 10001603 | Болт | |
19 | 10004019 | Болт | |
20 | 10004016 | Кронштейн сильфона | |
21 | 10002340 | Кронштейн глушителя и воздухозаборника | |
22 | 10001584 | Втулка | |
23 | 10002425 | Болт | |
24 | 10004641 | Планка |
Содержащиеся в справочниках-каталогах запасные части и детали не предлагаются к продаже, а носят исключительно информационный характер