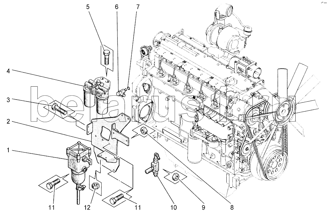
Каталог запасных частей к технике: Агротехмаш АТМ-5280. Установка топливных фильтров

1
2
3
4
5
6
7
8
9
10
11
11
12
Позиция на иллюстрации | Заводской номер детали | Название детали | |
---|---|---|---|
1 | 10000235 | Фильтр грубой очистки топлива | |
2 | 10001868 | Кронштейн | |
3 | АТM0919203 | Болт | |
4 | 10004507 | Фильтр тонкой очистки топлива | |
5 | 10001618 | Болт | |
6 | 10000936 | Топливный клапан | |
7 | АТM0919207 | Кольцо | |
8 | 10001632 | Гайка | |
9 | 10002204 | Гайка | |
10 | 10003748 | Насос подкачивающий | |
11 | 10001934 | Болт | |
12 | 10001551 | Гайка |
Содержащиеся в справочниках-каталогах запасные части и детали не предлагаются к продаже, а носят исключительно информационный характер