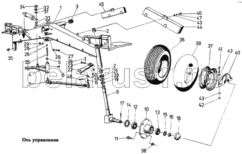
Каталог запасных частей к технике: Fortschritt Е-303. Ось управления

1
2
2
3
4
5
6
7
8
9
10
11
12
13
14
15
16
17
18
19
20
21
22
23
24
25
26
27
28
28
29
30
31
32
33
34
35
36
37
38
39
40
41
42
43
43
43
44
45
46
47
48
49
50
Позиция на иллюстрации | Заводской номер детали | Название детали | |
---|---|---|---|
1 | 4131 78606 8 | Ось | |
2 | 4221 60948 5 | Втулка | |
3 | 4221 60949 3 | Втулка | |
4 | 4131 77202 1 | Рычаг управления | |
5 | 9926 86816 3 | Втулка | |
6 | 9920 92551 5 | Масленка коническая | |
7 | 4131 77786 2 | Тяга рулевая поперечная | |
8 | 9960 92237 8 | Шайба | |
9 | 4032 80046 4 | Плечо | |
10 | 4221 60961 2 | Ступица | |
11 | 9929 90226 0 | Болт колеса | |
12 | 9902 88858 4 | Роликоподшипник конический | |
13 | 9902 88855 1 | Роликоподшипник конический | |
14 | 9905 87166 1 | Уплотнение вала | |
15 | 4032 80052 8 | Шайба | |
16 | 9951 89476 7 | Гайка корончатая | |
17 | 9963 95065 1 | Шплинт | |
18 | 4802 49583 2 | Колпачок колеса | |
19 | 4221 60938 0 | Кольцо опорное | |
20 | 9907 91632 7 | Кольцо круглого сечения | |
21 | 9902 88804 5 | Шарикоподшипник аксиально-радиальный | |
22 | 4032 80034 3 | Рычаг поперечной рулевой тяги | |
23 | 4032 80853 5 | Болт шестигранный | |
24 | 9963 95015 3 | Шплинт | |
25 | 4131 78607 6 | Стержень опорный | |
26 | 9964 91719 2 | Кольцо стопорное | |
27 | 9932 93222 1 | Болт шестигранный | |
28 | 9962 92361 7 | Шайба стопорная | |
29 | 9950 89631 0 | Гайка шестигранная | |
30 | 4023 15520 3 | Шайба уплотнительная | |
31 | 9960 91979 2 | Шайба | |
32 | 9962 92373 8 | Шайба стопорная | |
33 | 9907 91619 1 | Кольцо круглого сечения | |
34 | 9952 89495 0 | Гайка шлицевая | |
35 | 9920 92550 7 | Масленка коническая | |
36 | 9951 90248 8 | Гайка колеса | |
37 | 9017 90389 2 | Обод | |
38 | 4131 78955 2 | Шина | |
39 | 4131 78956 0 | Камера/вентиль | |
40 | 4137 77452 4 | Груз колес | |
41 | 9933 95812 5 | Болт шестигранный | |
42 | 9950 89686 6 | Гайка шестигранная | |
43 | 9960 96205 8 | Шайба | |
44 | 4121 78690 2 | Груз, левый | |
45 | 4121 78691 0 | Груз, правый | |
46 | 9933 93298 5 | Болт шестигранный | |
47 | 9961 91146 2 | Кольцо пружинное | |
48 | 9933 94965 8 | Шплинт | |
49 | 9951 89445 3 | Гайка корончатая | |
50 | 9951 89456 6 | Гайка корончатая |
Содержащиеся в справочниках-каталогах запасные части и детали не предлагаются к продаже, а носят исключительно информационный характер