Каталог запасных частей к технике: Gaspardo Сеялка серии МТ. SPEEDY SET

1
2
3
4
5
6
7
8
9
9
10
10
11
12
12
13
14
15
16
17
18
19
20
21
22
23
24
25
26
27
28
29
30
31
32
33
34
35
36
37
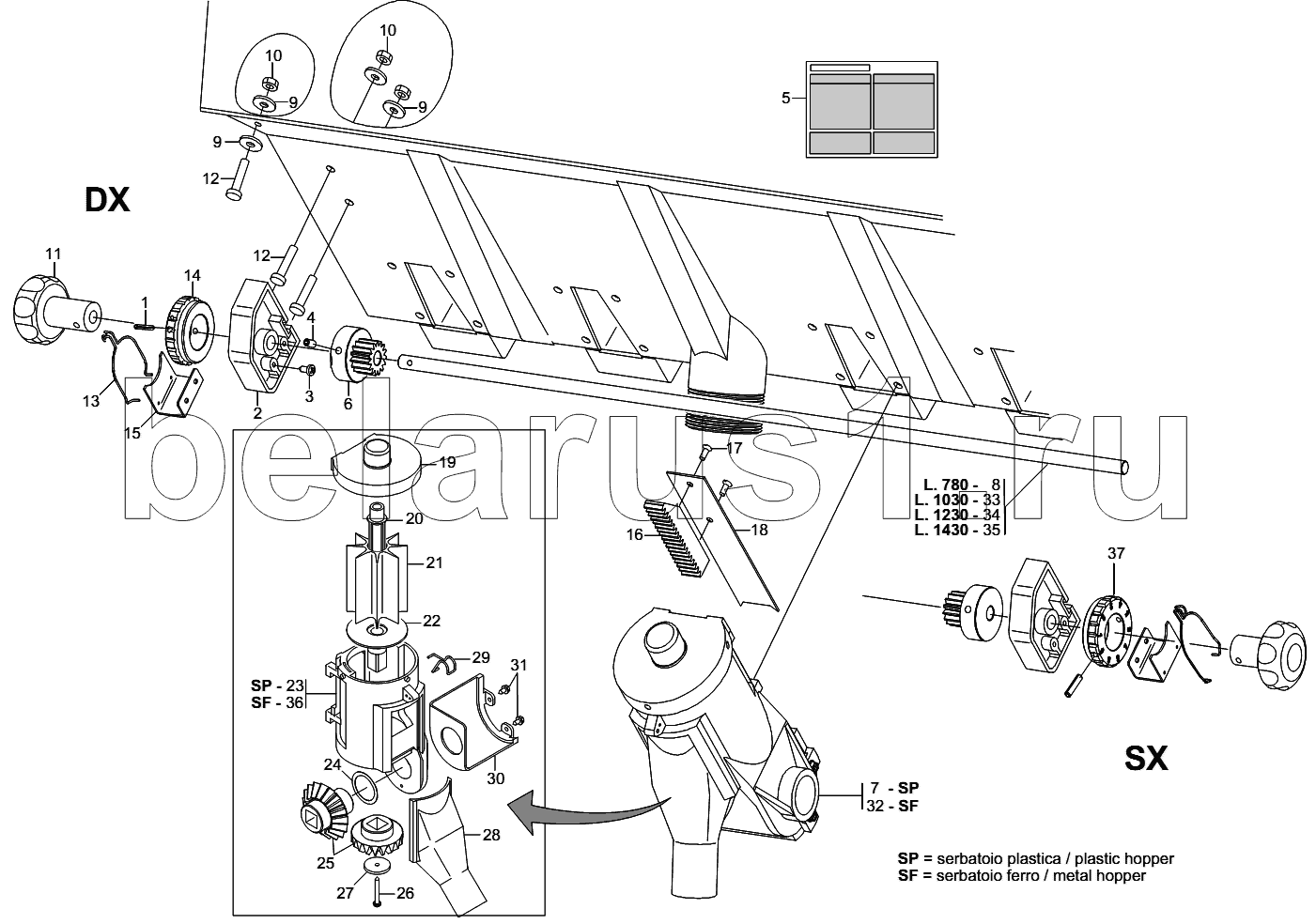
Позиция на иллюстрации | Заводской номер детали | Название детали | |
---|---|---|---|
1 | F02100066 | SPINA E.P. 4X36 U6873 C70 BR | |
2 | G19003660 | SUPPORT | |
3 | F01070061 | VIT.A.3,9X1,34X9,5 6954 4.8NI | |
4 | F01050083 | VIT.M5X0,8X12 U5927 A2 IX | |
5 | G19702952 | DECAL.TAB.DISTRIB.SPEEDY-SET | |
6 | G19003680 | GEAR Z 15 | |
7 | G16670040 | COMPL.PLA.SPEEDY SET DISTR.8R | |
8 | G16670320 | D.10X780 ROUND | |
9 | F01420038 | WASHER M6 6,4X18X2 U6593 IX | |
10 | F01200233 | NUT M6X1 U5588 IX | |
11 | G19003670 | SPEEDY HANDLE SET | |
12 | F01020419 | BOLT M6X1X16 U5739 8.8 IX | |
13 | G65336055 | SPEC SPRING MAN. SPR. ADJUSTM. | |
14 | G19003720 | LEFT ADJUSTMENT KNURLED NUT | |
15 | G16670140 | REGULATOR SPRING SUPPORT | |
16 | G19003690 | RACK | |
17 | F01080032 | SCREW M4X0,7X10 U7688 A2 IX | |
18 | G16670100 | OPENING REGULATOR | |
19 | G19003700 | COVER SPEEDY SET | |
20 | G66248173 | MANURE SPREADER DISTR. SPINDLE | |
21 | G66248172 | MAN.SPR. SEED METERING DEVICE | |
22 | G66248211 | MAN. SPR. CAST WASHER PIN. SP | |
23 | G19002920 | PLA. F.SPREADER DISTRIB.CASING | |
24 | G18701500 | WASHER 29,5X38X0,3 | |
25 | G20860126 | KIT- MAN. DISTR. GEARS (2+2) | |
26 | F01070075 | BOLT 4-2X38 DIN 7981 | |
27 | G20970097 | WASHER 32X3X4-5 | |
28 | G66248178 | CHUTE- MANURE-SPREADER DISTRIB | |
29 | G65336062 | SPEC SPRING - MAN. SPR. DISTR. | |
30 | G19002850 | PINION GUARD | |
31 | F01070011 | BOLT- SELF-TAPPING 4-2X9-5T.E. | |
32 | G13722330 | COMPL.SPEEDY 8-BLADE DISTR. SE | |
33 | G16670330 | D.10X1030 ROUND | |
34 | G16670340 | D.10X1230 ROUND | |
35 | G16670350 | D.10X1430 ROUND | |
36 | G66248176 | MANURE SPREADER DISTR. CASING | |
37 | G19003710 | RIGHT ADJUSTMENT KNURLED |
Содержащиеся в справочниках-каталогах запасные части и детали не предлагаются к продаже, а носят исключительно информационный характер