Каталог запасных частей к технике: Great Plains 3N-4010. Center Section Drive

1
2
3
4
4
5
6
7
8
9
10
11
12
12
12
12
12
13
13
13
13
13
14
14
14
14
14
15
15
16
17
17
18
19
19
20
21
22
23
24
24
25
26
27
28
28
29
30
31
31
32
33
34
34
35
36
37
38
39
40
41
42
43
44
45
46
47
48
49
50
51
52
53
54
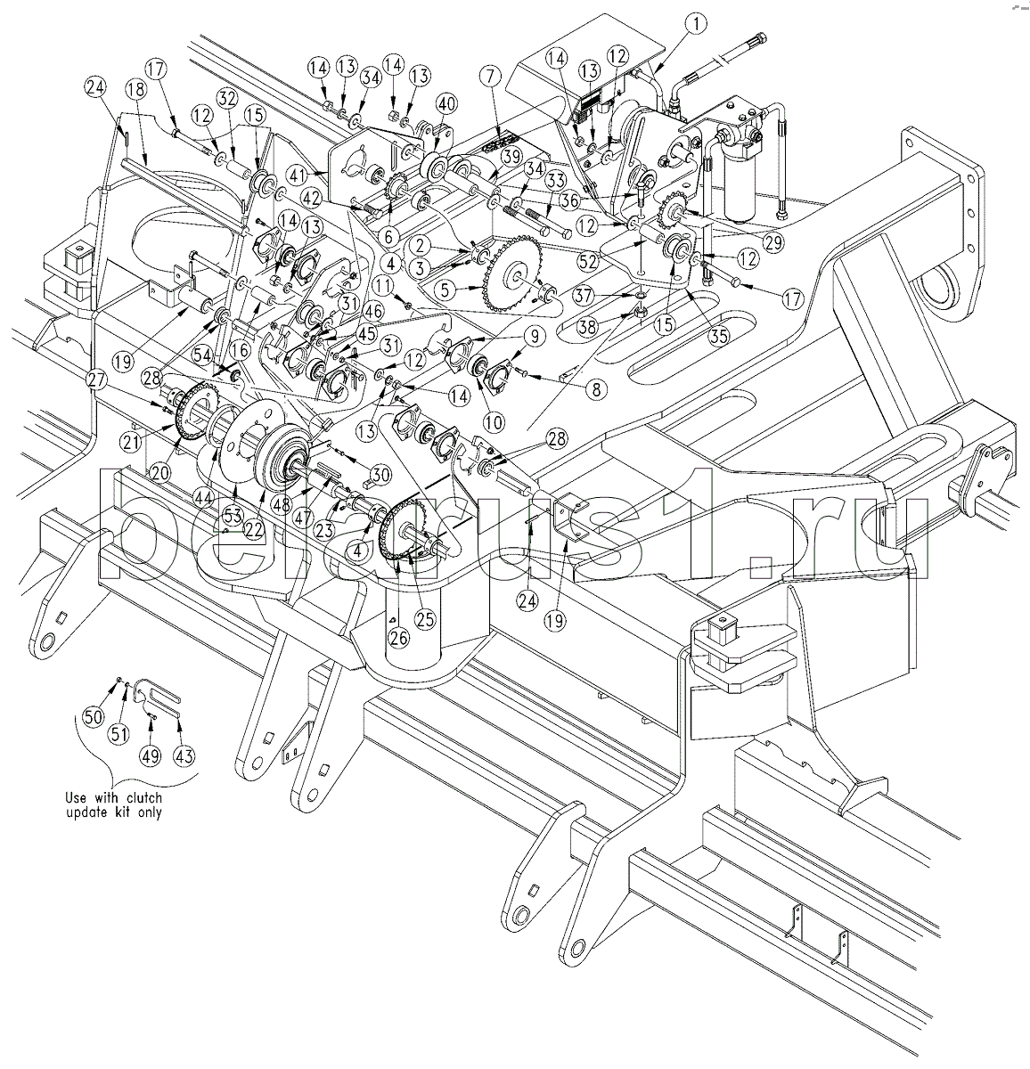
Позиция на иллюстрации | Заводской номер детали | Название детали | |
---|---|---|---|
1 | 833-251C | VERIS PPC-40 CONTROLLER | |
2 | 402-058D | COLLAR LOCK 7/8 HEX | |
3 | 801-035C | SCREW SET | |
4 | 402-025S | LOCK COLLAR, 7/8 HEX W/ SET SC | |
5 | 808-313C | SPKT 50C36 X 7/8 HEX BORE | |
6 | 808-259C | SPKT | |
7 | 136-120D | CHAIN RL #40 91 PITCHES | |
8 | 802-282C | RHSNB | |
9 | 822-175C | FLANGETTE 52 3-BOLT PLT | |
10 | 822-195C | BRG INS 7/8HEXX2.04OD SPH | |
11 | 803-177C | NUT HEX FLG TP LK | |
12 | 804-113C | WASHER FLAT | |
13 | 804-015C | WASHER LOCK SPRING | |
14 | 803-020C | NUT HEX | |
15 | 817-456C | IDLER SPOOL #50 2.38X1.01X.31 | |
16 | 120-306D | TUBE RND 1 OD X 7/32W X 2.13 | |
17 | 802-672C | HHCS 1/2-13X4 1/2 GR5 SPTHD | |
18 | 120-286D | SHAFT 7/8 HEX GW PIVOT | |
19 | 196-245H | U-JOINT DRIVE SHAFT YOKE | |
20 | 808-357C | SPKT 50A25 CLUTCH METRIC BORE | |
21 | 136-200D | CHAIN RL #50 92 PITCHES | |
22 | 823-231C | OGURA CLUTCH | |
23 | 196-776D | 40P CENTER CLUTCH SHAFT | |
24 | 805-180C | PIN ROLL | |
25 | 808-311C | SPKT 50C27 X 7/8 HEX BORE | |
26 | 136-202D | CHAIN RL #50 72 PITCHES | |
27 | 802-775C | HSHCS M8X1.25X30 GR8.8 PLT | |
28 | 804-061C | WASHER MACH 1.50 X 1.00 X 18GA | |
29 | 808-294C | SPKT 50B21 X 1 BORE W/KW, 2 SS | |
30 | 802-085C | HHCS 1/4-20X5 GR5 PLT | |
31 | 803-006C | NUT-HEX | |
32 | 120-293D | TUBE RND DOM. 1 OD X 7/32WX3.0 | |
33 | 802-672C | HHCS 1/2-13X4 1/2 GR5 SPTHD | |
34 | 804-113C | WASHER FLAT | |
35 | 196-847D | VERIS DRIVE SUPPORT SPACER | |
36 | 802-058C | HHCS | |
37 | 804-022C | WASHER LOCK SPRING | |
38 | 803-021C | NUT HEX | |
39 | 120-293D | TUBE RND DOM. 1 OD X 7/32WX3.0 | |
40 | 817-406C | IDLER 1 PC 2.38X1.01X1.062 | |
41 | 196-850D | 3N-40 FD CUP DRIVE IDLER PLT | |
42 | 802-034C | HHCS | |
43 | 196-866D | CLUTCH ROTATION TAB | |
44 | 196-876D | CLUTCH SPROCKET SPACER | |
45 | 804-075C | WASHER FLAT | |
46 | 804-006C | WASHER LOCK SPRING | |
47 | 839-956C | KEY 1/4 X 3/16 X 3.80 | |
48 | 196-877D | BUSHING 1 1/8 ODX7/8 HEX BORE | |
49 | 802-159C | HHCS 5/16-18X1 GR5 | |
50 | 803-008C | NUT HEX | |
51 | 804-009C | WASHER LOCK SPRING | |
52 | 120-306D | TUBE RND 1 OD X 7/32W X 2.13 | |
53 | 402-507D | CLUTCH OIL SHIELD | |
54 | 817-813C | BUTTON PLUG 7/8 ROUND HOLE |
Содержащиеся в справочниках-каталогах запасные части и детали не предлагаются к продаже, а носят исключительно информационный характер