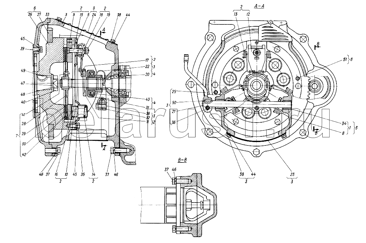
Каталог запасных частей к технике: ХТЗ Т-012. Муфта сцепления

010.21.001
1
2
2
2
2
2
2
2
3
3
3
3
3
3
3
3
4
4
5
6
6
7
8
9
10
11
12
13
14
15
16
17
18
19
20
21
22
23
24
25
26
27
28
29
30
31
32
33
34
35
36
36
37
37
37
38
38
39
40
41
42
43
44
44
45
45
46
46
46
47
48
49
50
51
Позиция на иллюстрации | Заводской номер детали | Название детали | |
---|---|---|---|
010.21.001 | 010.21.001 | Муфта сцепления | |
1 | 010.21.011 | Корпус муфты | |
2 | 010.21.012 | Кожух муфты | |
3 | 010.21.013 | Корпус муфты | |
4 | 010.21.015 | Корпус выключения | |
5 | 010.21.017 | Кожух | |
6 | 010.21.019 | Маховик | |
7 | 08.21.014 | Диск ведомый | |
8 | 010.21.101 | Корпус муфты | |
9 | 010.21.104 | Диск нажимной | |
10 | 010.21.105 | Пружина | |
11 | 010.21.106 | Кольцо упорное | |
12 | 010.21.107 | Рычаг | |
13 | 010.21.108 | Пружина | |
14 | 010.21.109 | Стакан | |
15 | 010.21.110 | Тяга | |
16 | 010.21.111 | Прокладка | |
17 | 010.21.112 | Клипса | |
18 | 010.21.113 | Шайба | |
19 | 010.21.114 | Гайка | |
20 | 010.21.120 | Корпус подшипника | |
21 | 010.21.124 | Валик | |
22 | 010.71.125 | Зажим | |
23 | 010.21.126 | Крышка | |
24 | 010:21.127 | Крышка | |
25 | 010.21.128 | Рычаг | |
26 | 010.21.130 | Маховик | |
27 | 010.21.132 | Венец | |
28 | 08.21.115 | Ступица | |
29 | 08.21.116 | Диск ведомый | |
30 | 08.21.117 | Накладка | |
31 | 08.21.121 | Обойма | |
32 | 08.21.123 | Вилка | |
33 | 08.21.131 | Картер маховика | |
34 | 125.20.112 | Втулка | |
35 | М8х16.7796 | Болт | |
36 | М8х20.7796 | Болт | |
37 | М10х30.7796 | Болт | |
38 | М6х12.7798 | Болт | |
39 | М8.5915 | Гайка | |
40 | М20х1,5.5929 | Гайка | |
41 | 5х12.10299 | Заклепка | |
42 | 2-4х8.12642 | Заклепка | |
43 | 80106.7242 | Подшипник | |
44 | 6.65Г.6402 | Шайба | |
45 | 8.65Г.6402 | Шайба | |
46 | 10.65Г.6402 | Шайба | |
47 | 20.04.11371 | Шайба | |
48 | 20.04.13463 | Шайба | |
49 | 6х9.24071 | Шпонка сегментная | |
50 | 2-4х4х16.23360 | Шпонка | |
51 | 8h9х16.3128 | Шпонка (d=8, L= 16) |
Содержащиеся в справочниках-каталогах запасные части и детали не предлагаются к продаже, а носят исключительно информационный характер