Каталог запасных частей к технике: ХТЗ Т-150. Блок-картер

1
1
1
2
2
2
2
3
4
5
6
7
8
9
10
11
12
12
13
14
15
16
17
18
19
20
21
22
23
24
25
25
26
27
28
29
29
30
30
31
32
32
32
33
34
34
34
35
36
37
38
39
40
41
42
42
43
44
45
45
46
47
48
48
48
49
50
51
51
52
53
54
54
55
56
57
58
58
58
58
58
59
59
59
59
59
60
60
61
62
63
64
65
65
66
67
68
69
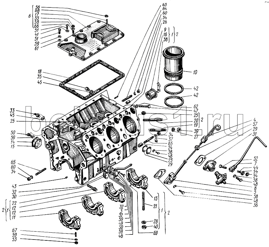
Позиция на иллюстрации | Заводской номер детали | Название детали | |
---|---|---|---|
0-01013.00 | 0-01013.00 | Блок-картер | |
1 | 60-01002.21 | Блок-картер | |
2 | 60-01003.02 | Блок картер | |
3 | 60-01006.50 | Фланец | |
4 | 60-01007.12 | Стержень масло измерителя | |
5 | 60-01008.20 | Трубка маслоизмерителя | |
6 | 60-01011.10 | Крышка ресивера | |
7 | 60-01012.00 | Рукоятка краника | |
8 | 01-176000 | Кран 01-176 | |
9 | 72-01101.02 | Блок-картер | |
10 | 60-01102.10 | Гильза цилиндра | |
11 | 60-01104.01 | Крышка подшипника передняя | |
12 | 60-01105.01 | Крышка подшипника средняя | |
13 | 60-01106.01 | Крышка подшипника задняя | |
14 | 60-01107.00 | Заглушка | |
15 | 60-01108.00 | Прокладка | |
16 | 60-01109.00 | Подшипник распределительного вала | |
17 | 60-01112.11 | Крышка ресивера | |
18 | 60-01113.01 | Прокладка крышки | |
19 | 60-01115.00 | Шпилька крепления головки | |
20 | 60-01115.00-01 | Шпилька | |
21 | 60-01117.00 | Шпилька подшипника | |
22 | 60-01120.00 | Болт специальный | |
23 | 60-01123.00 | Фланец | |
24 | 60-01129.10 | Втулка направляющая | |
25 | 60-01133.00 | Втулка установочная | |
26 | 60-01135.10 | Втулка | |
27 | 60-01150.00 | Шайба | |
28 | 60-01168.00 | Шайба специальная | |
29 | 60-01175.00 | Прокладка фланца | |
30 | 60-01195.10 | Фланец | |
31 | 60-01197.10 | Фланец сливного краника | |
32 | 60-01206.10 | Прокладка фланца | |
33 | 60-01216.11 | Ниппель конечный | |
34 | 60-01221.00 | Гайка | |
35 | 60-01237.01 | Штуцер датчика | |
36 | 60-01240.00 | Прокладка | |
37 | 60-01245.00 | Шайба замковая | |
38 | 60-01246.00 | Шайба замковая | |
39 | 14-0163 | Гайка | |
40 | СМД1-0118 | Гайка подшипника | |
41 | СМД7-1591Д | Прокладка | |
42 | СМД9-0128А | Кольцо уплотняющее | |
43 | СМД55-0410 | Штифт установочный | |
44 | СМД55-0652 | Пружина рукоятки | |
45 | СМД55У-0927 | Прокладка | |
46 | Болт М10-6gх45.56.016 ГОСТ 7795-70 | Болт М10-6gх45.56.016 ГОСТ 7795-70 | |
47 | Болт М12-6gх70.56.016 ГОСТ 7795-70 | Болт М12-6gх70.56.016 ГОСТ 7795-70 | |
48 | Болт М8-6gх20.56.016 ГОСТ 7796-70 | Болт М8-6gх20.56.016 ГОСТ 7796-70 | |
49 | Болт М10-6gх20.56.016 ГОСТ 7796-70 | Болт М10-6gх20.56.016 ГОСТ 7796-70 | |
50 | Болт М10-6gх25.56.016 ГОСТ 7796-70 | Болт М10-6gх25.56.016 ГОСТ 7796-70 | |
51 | Болт М10-6gх30.56.016 ГОСТ 7796-70 | Болт М10-6gх30.56.016 ГОСТ 7796-70 | |
52 | Болт М6-6gх35.56.09 ГОСТ 7798-70 | Болт М6-6gх35.56.09 ГОСТ 7798-70 | |
53 | Гайка М10-6Н.6.016 ГОСТ 2524-70 | Гайка М10-6Н.6.016 ГОСТ 2524-70 | |
54 | Гайка М6-6Н.6.016 ГОСТ 5915-70 | Гайка М6-6Н.6.016 ГОСТ 5915-70 | |
55 | Гайка М8-6Н.6.086 ГОСТ 15523-70 | Гайка М8-6Н.6.086 ГОСТ 15523-70 | |
56 | Гайка М10-6Н.6.086 ГОСТ 15523-70 | Гайка М10-6Н.6.086 ГОСТ 15523-70 | |
57 | Кольцо СП-22-6-8 ГОСТ 6308-71 | Кольцо СП-22-6-8 ГОСТ 6308-71 | |
58 | Шайба 8 65Г 05 ГОСТ 6402-70 | Шайба 8 65Г 05 ГОСТ 6402-70 | |
58 | Шайба 8 65Г 05 ГОСТ 6402-70 | Шайба 8 65Г 05 ГОСТ 6402-70 | |
59 | Шайба 10 65Г 05 ГОСТ 6402-70 | Шайба 10 65Г 05 ГОСТ 6402-70 | |
60 | Шайба 14 65Г 05 ГОСТ 6402-70 | Шайба 14 65Г 05 ГОСТ 6402-70 | |
61 | Шайба 10х1.5.04.05 ГОСТ 10450-78 | Шайба 10х1.5.04.05 ГОСТ 10450-78 | |
62 | Шайба 12х2.04.05 ГОСТ 11371-78 | Шайба 12х2.04.05 ГОСТ 11371-78 | |
63 | Шпилька М8(То/6g)х20.56.016 ГОСТ 22034-76 | Шпилька М8(То/6g)х20.56.016 ГОСТ 22034-76 | |
64 | Шпилька М14(То/6g)х90.109.40х.011 ГОСТ 22034-76 | Шпилька М14(То/6g)х90.109.40х.011 ГОСТ 22034-76 | |
65 | Шпилька М14(То/6g)х105.109.40х.011 ГОСТ 22034-76 | Шпилька М14(То/6g)х105.109.40х.011 ГОСТ 22034-76 | |
66 | Шпилька М8(То/6g)х20.56.016 ГОСТ 22036-76 | Шпилька М8(То/6g)х20.56.016 ГОСТ 22036-76 | |
67 | Шпилька М10(То/6g)х25.109.40х.05 ГОСТ 22036-76 | Шпилька М10(То/6g)х25.109.40х.05 ГОСТ 22036-76 | |
68 | Шпилька М10(То/6g)х28.56.016 ГОСТ 22036-76 | Шпилька М10(То/6g)х28.56.016 ГОСТ 22036-76 | |
69 | Штифт 5h 8х10 ГОСТ 3128-70 | Штифт 5h 8х10 ГОСТ 3128-70 |
Содержащиеся в справочниках-каталогах запасные части и детали не предлагаются к продаже, а носят исключительно информационный характер