Каталог запасных частей к технике: ХТЗ Т-150. Электрооборудование и приборы

4
4
4
17
19
19
20
20
21
21
21
21
21
21
22
22
22
22
22
22
50
54
59
59
60
61
61
79
79
80
80
88
88
88
97
97
97
98
98
98
98
110
110
110
110
118
118
118
118
150
150
160
160
168
168
168
168
168
168
168
174
174
174
174
174
174
179
179
179
179
179
179
179
182
182
183
183
187
187
191
191
191
191
191
191
191
191
191
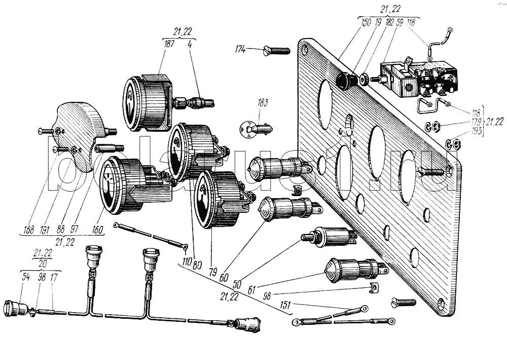
Позиция на иллюстрации | Заводской номер детали | Название детали | |
---|---|---|---|
150.48.001-2 | 150.48.001-2 | Электрооборудование и приборы | |
150.48.001-2-01 | 150.48.001-2-01 | Электрооборудование и приборы (с вентилятором) | |
4 | 150.48.042-2 | Трубка манометра | |
4 | 150.48.042-2 | Трубка манометра | |
4 | 150.48.042-2 | Трубка манометра | |
17 | 150.48.062-5 | Жгут | |
19 | 150.48.069 | Рукоятка | |
19 | 150.48.069 | Рукоятка | |
20 | 150.48.072-5 | Патроны ламп освещения | |
20 | 150.48.072-5 | Патроны ламп освещения | |
21 | 150.48.076-9 | Щиток с приборами | |
22 | 150.48.076-9-01 | Щиток с приборами | |
50 | ВК314-3710000 | Включатель | |
54 | Г-ПП1-3713200 | Патрон ламп освещения ПП1-200 | |
59 | П38-3709000 | Переключатель освещения | |
59 | П38-3709000 | Переключатель освещения | |
60 | ПД20-3803000-Е | Фонарь контрольной лампы | |
61 | ПД20-3803000-М | Фонарь контрольной лампы | |
61 | ПД20-3803000-М | Фонарь контрольной лампы | |
79 | УБ126-3806010 | Приемник указателя уровня топлива | |
79 | УБ126-3806010 | Приемник указателя уровня топлива | |
80 | УК133В.00.000 | Приемник указателя температуры воды | |
80 | УК133В.00.000 | Приемник указателя температуры воды | |
88 | 150.48.111 | Козырек | |
88 | 150.48.111 | Козырек | |
88 | 150.48.111 | Козырек | |
97 | 150.48.216 | Стойка | |
97 | 150.48.216 | Стойка | |
97 | 150.48.216 | Стойка | |
98 | 150.48.236 | Шайба | |
98 | 150.48.236 | Шайба | |
98 | 150.48.236 | Шайба | |
110 | 150.48.403-1 | Провод | |
110 | 150.48.403-1 | Провод | |
110 | 150.48.403-1 | Провод | |
110 | 150.48.403-1 | Провод | |
118 | 150.48.448 | Провод | |
118 | 150.48.448 | Провод | |
118 | 150.48.448 | Провод | |
150 | 151.48.170-1 | Щиток приборов | |
150 | 151.48.170-1 | Щиток приборов | |
160 | АП111-3811010 | Амперметр ГОСТ 1700-75 | |
160 | АП111-3811010 | Амперметр ГОСТ 1700-75 | |
168 | Винт В1М4-6gх8.58.019 ГОСТ 17473-80 | Винт В1М4-6gх8.58.019 ГОСТ 17473-80 | |
168 | Винт В1М4-6gх8.58.019 ГОСТ 17473-80 | Винт В1М4-6gх8.58.019 ГОСТ 17473-80 | |
168 | Винт В1М4-6gх8.58.019 ГОСТ 17473-80 | Винт В1М4-6gх8.58.019 ГОСТ 17473-80 | |
168 | Винт В1М4-6gх8.58.019 ГОСТ 17473-80 | Винт В1М4-6gх8.58.019 ГОСТ 17473-80 | |
168 | Винт В1М4-6gх8.58.019 ГОСТ 17473-80 | Винт В1М4-6gх8.58.019 ГОСТ 17473-80 | |
168 | Винт В1М4-6gх8.58.019 ГОСТ 17473-80 | Винт В1М4-6gх8.58.019 ГОСТ 17473-80 | |
168 | Винт В1М4-6gх8.58.019 ГОСТ 17473-80 | Винт В1М4-6gх8.58.019 ГОСТ 17473-80 | |
174 | Винт В1М6-6gх12.58.019 ГОСТ 17473-80 | Винт В1М6-6gх12.58.019 ГОСТ 17473-80 | |
174 | Винт В1М6-6gх12.58.019 ГОСТ 17473-80 | Винт В1М6-6gх12.58.019 ГОСТ 17473-80 | |
174 | Винт В1М6-6gх12.58.019 ГОСТ 17473-80 | Винт В1М6-6gх12.58.019 ГОСТ 17473-80 | |
174 | Винт В1М6-6gх12.58.019 ГОСТ 17473-80 | Винт В1М6-6gх12.58.019 ГОСТ 17473-80 | |
174 | Винт В1М6-6gх12.58.019 ГОСТ 17473-80 | Винт В1М6-6gх12.58.019 ГОСТ 17473-80 | |
174 | Винт В1М6-6gх12.58.019 ГОСТ 17473-80 | Винт В1М6-6gх12.58.019 ГОСТ 17473-80 | |
179 | Гайка М6.6.0112 ГОСТ 5915-70 | Гайка М6.6.0112 ГОСТ 5915-70 | |
179 | Гайка М6.6.0112 ГОСТ 5915-70 | Гайка М6.6.0112 ГОСТ 5915-70 | |
179 | Гайка М6.6.0112 ГОСТ 5915-70 | Гайка М6.6.0112 ГОСТ 5915-70 | |
179 | Гайка М6.6.0112 ГОСТ 5915-70 | Гайка М6.6.0112 ГОСТ 5915-70 | |
179 | Гайка М6.6.0112 ГОСТ 5915-70 | Гайка М6.6.0112 ГОСТ 5915-70 | |
179 | Гайка М6.6.0112 ГОСТ 5915-70 | Гайка М6.6.0112 ГОСТ 5915-70 | |
179 | Гайка М6.6.0112 ГОСТ 5915-70 | Гайка М6.6.0112 ГОСТ 5915-70 | |
182 | Гайка М12х1,25-6Н.8.0112 ГОСТ 5929-70 | Гайка М12х1,25-6Н.8.0112 ГОСТ 5929-70 | |
182 | Гайка М12х1,25-6Н.8.0112 ГОСТ 5929-70 | Гайка М12х1,25-6Н.8.0112 ГОСТ 5929-70 | |
183 | Лампа А12-1 ГОСТ 2023-75 | Лампа А12-1 ГОСТ 2023-75 | |
183 | Лампа А12-1 ГОСТ 2023-75 | Лампа А12-1 ГОСТ 2023-75 | |
187 | МД219-3810500 | Указатель давления масла ГОСТ 1701-75 | |
187 | МД219-3810500 | Указатель давления масла ГОСТ 1701-75 | |
191 | Шайба 4 65Г 05 ГОСТ 6402-70 | Шайба 4 65Г 05 ГОСТ 6402-70 | |
191 | Шайба 4 65Г 05 ГОСТ 6402-70 | Шайба 4 65Г 05 ГОСТ 6402-70 | |
191 | Шайба 4 65Г 05 ГОСТ 6402-70 | Шайба 4 65Г 05 ГОСТ 6402-70 | |
191 | Шайба 4 65Г 05 ГОСТ 6402-70 | Шайба 4 65Г 05 ГОСТ 6402-70 | |
191 | Шайба 4 65Г 05 ГОСТ 6402-70 | Шайба 4 65Г 05 ГОСТ 6402-70 | |
191 | Шайба 4 65Г 05 ГОСТ 6402-70 | Шайба 4 65Г 05 ГОСТ 6402-70 | |
191 | Шайба 4 65Г 05 ГОСТ 6402-70 | Шайба 4 65Г 05 ГОСТ 6402-70 | |
191 | Шайба 4 65Г 05 ГОСТ 6402-70 | Шайба 4 65Г 05 ГОСТ 6402-70 | |
191 | Шайба 4 65Г 05 ГОСТ 6402-70 | Шайба 4 65Г 05 ГОСТ 6402-70 |
Содержащиеся в справочниках-каталогах запасные части и детали не предлагаются к продаже, а носят исключительно информационный характер