Каталог запасных частей к технике: ХТЗ Т-150. Коробка передач

48
48
48
48
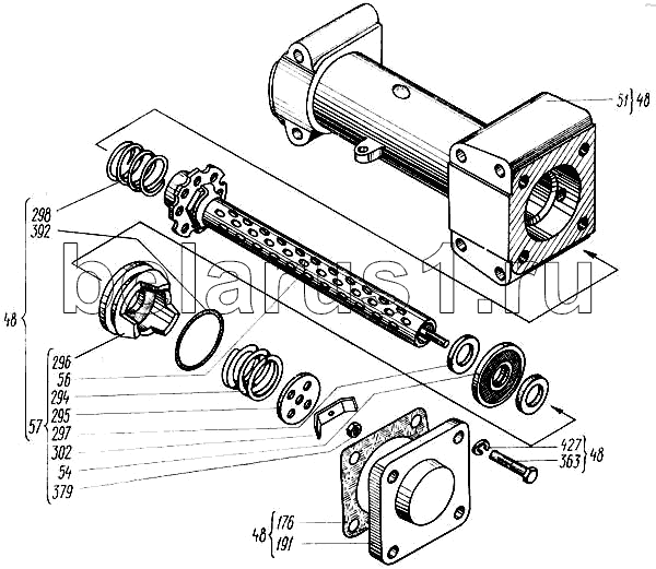
51
54
56
57
176
176
191
294
295
296
297
298
302
363
363
363
379
392
392
427
427
427
427
427
427
427
427
427
427
427
Позиция на иллюстрации | Заводской номер детали | Название детали | |
---|---|---|---|
150.37.001-3 | 150.37.001-3 | Коробка передач с тормозами | |
Шайба 10.65Г.05 ГОСТ 6402-70 | Шайба 10.65Г.05 ГОСТ 6402-70 | Шайба 10.65Г.05 ГОСТ 6402-70 | |
48 | 150.37.086-2 | Фильтр | |
51 | 150.37.096-2 | Корпус | |
54 | 54.57.020А | Элемент фильтрующий в сборе | |
56 | 150.57.015-2 | Труба фильтра с клапаном в сборе | |
57 | 150.57.025-2 | Набор фильтрующих элементов в сборе | |
176 | 150.37.346-2 | Прокладка заборника | |
176 | 150.37.346-2 | Прокладка заборника | |
191 | 150.37.369-3 | Крышка фильтра | |
221 | 150.37.442 | Пружина фиксатора | |
294 | 150.57.115 | Пружина фильтра | |
295 | 150.57.116-1 | Шайба упорная | |
296 | 150.57.149 | Поршень фильтра | |
297 | 150.37.168 | Кольцо | |
298 | 150.57.178 | Пружина фильтра | |
302 | 150.57.195 | Скоба | |
363 | Болт М10-6gх25.66.019 ГОСТ 7796-70 | Болт М10-6gх25.66.019 ГОСТ 7796-70 | |
363 | Болт М10-6gх25.66.019 ГОСТ 7796-70 | Болт М10-6gх25.66.019 ГОСТ 7796-70 | |
363 | Болт М10-6gх25.66.019 ГОСТ 7796-70 | Болт М10-6gх25.66.019 ГОСТ 7796-70 | |
379 | Гайка М5-6Н.8.0112 ГОСТ 5927-70 | Гайка М5-6Н.8.0112 ГОСТ 5927-70 | |
392 | Кольцо У-65х60-2 ГОСТ 9833-61 | Кольцо У-65х60-2 ГОСТ 9833-61 | |
392 | Кольцо У-65х60-2 ГОСТ 9833-61 | Кольцо У-65х60-2 ГОСТ 9833-61 | |
427 | Шайба 10.65Г.05 ГОСТ 6402-70 | Шайба 10.65Г.05 ГОСТ 6402-70 | |
427 | Шайба 10.65Г.05 ГОСТ 6402-70 | Шайба 10.65Г.05 ГОСТ 6402-70 | |
427 | Шайба 10.65Г.05 ГОСТ 6402-70 | Шайба 10.65Г.05 ГОСТ 6402-70 | |
427 | Шайба 10.65Г.05 ГОСТ 6402-70 | Шайба 10.65Г.05 ГОСТ 6402-70 | |
427 | Шайба 10.65Г.05 ГОСТ 6402-70 | Шайба 10.65Г.05 ГОСТ 6402-70 | |
427 | Шайба 10.65Г.05 ГОСТ 6402-70 | Шайба 10.65Г.05 ГОСТ 6402-70 | |
427 | Шайба 10.65Г.05 ГОСТ 6402-70 | Шайба 10.65Г.05 ГОСТ 6402-70 | |
427 | Шайба 10.65Г.05 ГОСТ 6402-70 | Шайба 10.65Г.05 ГОСТ 6402-70 | |
427 | Шайба 10.65Г.05 ГОСТ 6402-70 | Шайба 10.65Г.05 ГОСТ 6402-70 | |
427 | Шайба 10.65Г.05 ГОСТ 6402-70 | Шайба 10.65Г.05 ГОСТ 6402-70 | |
427 | Шайба 10.65Г.05 ГОСТ 6402-70 | Шайба 10.65Г.05 ГОСТ 6402-70 |
Содержащиеся в справочниках-каталогах запасные части и детали не предлагаются к продаже, а носят исключительно информационный характер