Каталог запасных частей к технике: ХТЗ Т-150. Сиденья

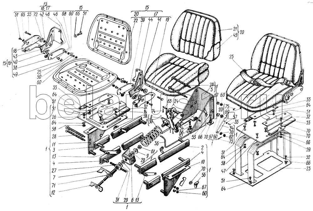
Позиция на иллюстрации | Заводской номер детали | Название детали | |
---|---|---|---|
150.44.078-13 | 150.44.078-13 | Сиденье пассажира | |
А31.00.000-1-03 | А31.00.000-1-03 | Сиденье подрессоренное унифицированное | |
1 | А31.00.100-Б-01 | Четырехзвенник | |
2 | А31.00.120-01 | Звено левое | |
3 | А31.00.125 | Звено правое | |
4 | А31.00.130 | Звено нижнее в сборе | |
5 | А31.00.135-01 | Кронштейн | |
6 | А31.00.140-01 | Вилка | |
7 | А31.00.145 | Втулка | |
8 | А31.00.150 | Шайба задняя в сборе | |
9 | А31.00.155 | Кольцо в сборе | |
10 | 431.00.160-01 | Опора левая | |
11 | А31.00.165-01 | Опора правая | |
12 | А31.00.175 | Винт | |
13 | А31.00.180 | Звено | |
14 | А31.00.500 | Скоба в сборе | |
15 | 70-6800010-04 | Сиденье | |
15 | 70-6800010-04 | Сиденье | |
16 | 70-6800015-01 | Замок | |
17 | 70-6800020-01 | Замок | |
18 | 70-6800030-01 | Кронштейн | |
19 | 70-6800040-01 | Кронштейн | |
20 | 70-6803010 | Заказать | Подушка |
21 | 70-6803020 | Чехол | |
22 | 70-6803060 | Основание | |
23 | 150.44.080-2 | Каркас сиденья | |
24 | АС20-075.00.000 | Заказать | Амортизатор |
25 | РБТ21.00.00 | Ремень безопасности поясной | |
25 | РБТ21.00.00 | Ремень безопасности поясной | |
26 | А31.00.001-01 | Постель | |
27 | А31.00.101 | Ось фигурная | |
28 | А31.00.102 | Ось кронштейна | |
29 | А31.00.109-01 | Упор | |
30 | А31.00.110 | Пружина | |
31 | А31.00.112 | Шайба | |
32 | А31.00.202-02 | Кронштейн | |
32 | А31.00.202-02 | Кронштейн | |
33 | А31.00.203-02 | Кронштейн | |
33 | А31.00.203-02 | Кронштейн | |
34 | А31.00.551 | Крючок | |
35 | А31.00.554 | Ручка | |
36 | А31.00.603 | Ограждение | |
37 | А31.00.604 | Плайка | |
38 | 70-6800011 | Корпус | |
39 | 70-6800011-01 | Корпус | |
40 | 70-6800012 | Защелка | |
41 | 70-6600012-01 | Защелка | |
42 | 70-6800013 | Втулка | |
42 | 70-6800013 | Втулка | |
43 | 70-6800014 | Кронштейн | |
44 | 70-6800021 | Кронштейн | |
45 | 70-6803011 | Подушка | |
46 | 70-6804017 | Палец | |
46 | 70-6804017 | Палец | |
47 | 150.44.246-2 | Панель сиденья пассажира | |
48 | АС35-6105008 | Пружина | |
48 | АС35-6105008 | Пружина | |
49 | ИРБ9.00.01 | Накладка | |
49 | ИРБ9.00.01 | Накладка | |
50 | РБ5.00.01 | Шайба пружинная | |
50 | РБ5.00.01 | Шайба пружинная | |
165 | Шайба 10 65Г 05 ГОСТ 6402-70 | Шайба 10 65Г 05 ГОСТ 6402-70 |
Содержащиеся в справочниках-каталогах запасные части и детали не предлагаются к продаже, а носят исключительно информационный характер