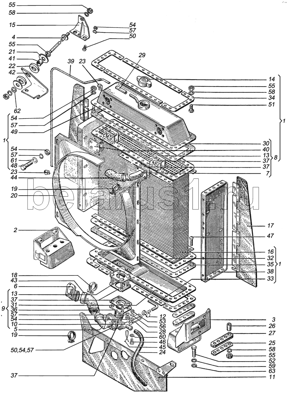
Каталог запасных частей к технике: ХТЗ Т-151К. Система охлаждения двигателя

173.13.001
1
1
1
2
3
4
5
6
7
8
9
10
11
12
13
13
14
15
16
17
18
19
19
20
21
22
23
23
24
25
26
27
28
29
30
31
32
33
34
35
36
37
37
37
37
38
39
40
41
42
43
44
45
46
47
48
49
50
50
51
52
53
54
54
54
54
54
55
55
55
55
56
57
57
57
57
57
58
58
58
59
60
61
62
63
Позиция на иллюстрации | Заводской номер детали | Название детали | |
---|---|---|---|
173.13.001 | 173.13.001 | Система охлаждения двигателя | |
1 | 173.13.010-1 | Радиатор | |
2 | 173.13.012 | Кронштейн левый | |
3 | 173.13.022 | Кронштейн правый | |
4 | 173.13.025 | Тяга | |
5 | 173.13.030 | Патрубок | |
6 | 173.13.032-1 | Патрубок | |
7 | 173.13.046 | Патрубок | |
8 | 173.13.086 | Бак | |
9 | 173.13.087 | Бак | |
10 | 01-176000 | Кран 01-176 | |
11 | 150.13.032 | Перегородка нижняя в сборе | |
12 | 150.13.034А | Рукоятка в сборе | |
13 | 150.13.091 | Фланец | |
14 | 150.13.093 | Пробка | |
15 | 163.13.027 | Кронштейн | |
16 | 180.13.085 | Сердцевина | |
17 | 180Р.13.030 | Перегородка | |
18 | 5320-1303030 | Хомут | |
19 | 5320-1303030 | Хомут | |
20 | 173.13.106 | Кожух | |
21 | 74.13.427 | Шайба | |
22 | 74.13.430 | Амортизатор тяги радиатора | |
23 | 125.64.254 | Скоба | |
24 | 150.13.125-1 | Шланг | |
25 | 150.13.134 | Пластина | |
26 | 150.13.136 | Втулка распорная | |
27 | 150.13.138 | Подушка радиатора | |
28 | 150.13.172 | Вилка | |
29 | 150.13.179-01 | Шланг | |
30 | 150.13.200 | Бак | |
31 | 150.13.201 | Бак | |
32 | 150.13.203 | Накладка | |
33 | 150.13.204 | Накладка | |
34 | 150.13.205 | Накладка | |
35 | 150.13.206 | Прокладка | |
36 | 150.13.212А | Патрубок | |
37 | 150.13.215 | Прокладка | |
38 | 151К.13.202 | Стойка | |
39 | 156А.13.114 | Трубка | |
40 | 156А.13.115 | Заглушка | |
41 | 163.13.239 | Втулка | |
42 | 163.13.243 | Кронштейн | |
43 | 740.02-1303026 | Рукав | |
44 | 4320-1303010 | Шланг | |
45 | ПЖ-1,6х100 | Проволока | |
46 | М6х30.7795 | Болт | |
47 | М10х65.7795 | Болт | |
48 | М8х20.7796 | Болт | |
49 | М8х25.7796 | Болт | |
50 | М8х30.7796 | Болт | |
51 | М10х25.7796 | Болт | |
52 | М12х25.7796 | Болт | |
53 | М6.5915 | Гайка | |
54 | М8.5915 | Гайка | |
55 | М10.5915 | Гайка | |
56 | 6 65Г.6402 | Шайба | |
57 | 8 65Г.6402 | Шайба | |
58 | 10 65Г.6402 | Шайба | |
59 | 12 65Г.6402 | Шайба | |
60 | 6.04.11371 | Шайба | |
61 | 8.04.11371 | Шайба | |
62 | 10.04.11371 | Шайба | |
63 | 12.04.11371 | Шайба |
Содержащиеся в справочниках-каталогах запасные части и детали не предлагаются к продаже, а носят исключительно информационный характер