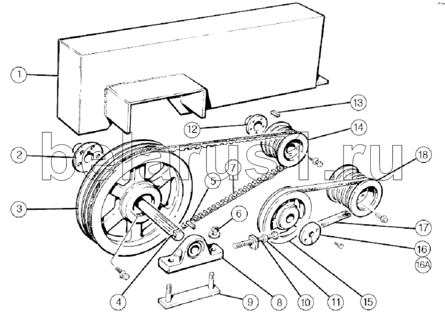
Каталог запасных частей к технике: Клевер ПЗВ-70. Ременная передача

1
2
3
4
5
6
7
8
9
10
11
12
13
14
15
16
16a
17
18
Позиция на иллюстрации | Заводской номер детали | Название детали | |
---|---|---|---|
1 | GV11520 | Кожух ремня | |
2 | GV18504 | Втулка, с болтами 1 3/8 | |
3 | GV18050 | Шкив | |
4 | GV18502 | Шлицевый вал, 1 3/8, 6 шлиц | |
5 | GV20502 | Шпонка, 5/16 x 2 | |
6 | Шайба | Шайба | |
7 | GV18505 | Клиновой ремень | |
8 | GV20501 | Опорный подшипник, 1 3/8 | |
9 | GV11503 | Сварной болт - подшипник | |
10 | GV56026 | Пробковый болт, 1/2 x 3 | |
11 | GV56003 | Контргайка, 1/2dm | |
12 | GV18010 | Втулка, 1 7/16 с болтами | |
13 | GV20018 | Шпонка, 3/8 x 2 | |
14 | GV18052 | Шкив | |
15 | GV18510 | Шкив, 6.4 QT | |
16 | GV18511 | Втулка, 9/16 QT с болтами | |
16a | GV18515 | Втулка | |
17 | GV18513 | Ремень, B38 | |
18 | GV18512 | Шкив 5V, 5.2, заменяет 18052 |
Содержащиеся в справочниках-каталогах запасные части и детали не предлагаются к продаже, а носят исключительно информационный характер