Каталог запасных частей к технике: Клевер ТШ-70-8Э. Привод
1
2
3
3
4
5
6
6
6
7
7
7
8
8
8
9
10
10
11
12
13
14
15
16
16
17
17
17
18
19
20
21
22
23
24
24
25
26
26
27
28
29
30
31
32
33
34
35
36
37
38
39
40
41
42
43
44
45
46
47
48
49
49
50
51
52
53
54
55
55
56
57
58
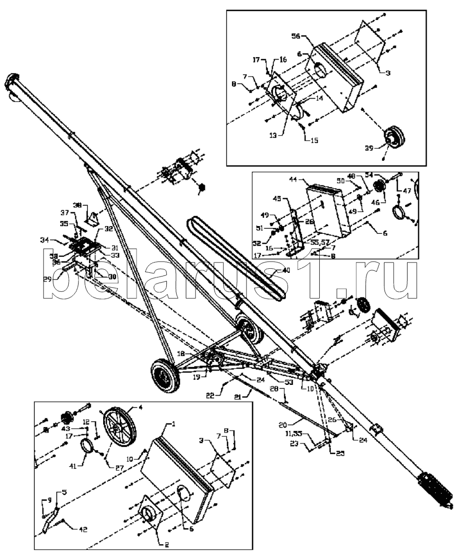
| Позиция на иллюстрации | Заводской номер детали | Название детали | |
|---|---|---|---|
| 961187 | 961187 | Шкив | |
| 81583 | 81583 | Болт | |
| 81636 | 81636 | 1/2 Гайка | |
| 967044 | 967044 | Замок | |
| 961356 | 961356 | Щиток шкива | |
| 961378 | 961378 | Шарнирная ось подвесного кронштейна d.1, длина 13 | |
| 81627 | 81627 | Болт | |
| 906166 | 906166 | B-212 клиновидный приводной ремень | |
| 961694 | 961694 | Трубка натяжителя | |
| 908707 | 908707 | Внешняя трубка натяжителя, внешний d.1 5/16, длина 111 | |
| 81637 | 81637 | 1/2 Шайба | |
| 81638 | 81638 | 1/2 Шайба B.S. | |
| 961699 | 961699 | Прокладка | |
| 961370 | 961370 | Щиток | |
| 961898 | 961898 | B-255 клиновидный приводной ремень | |
| 961002 | 961002 | B-287 клиновидный приводной ремень | |
| 961003 | 961003 | B-300 клиновидный приводной ремень | |
| 961001 | 961001 | Фланец | |
| 961696 | 961696 | Кронштейн натяжителя | |
| 903588 | 903588 | Кронштейн натяжителя | |
| 961376 | 961376 | Подвесной кронштейн, сварная конструкция | |
| 967911 | 967911 | Болт | |
| 908705 | 908705 | Внешняя трубка натяжителя, внешний d.1 5/16, длина 96 | |
| 1 | 961369 | 12 щиток | |
| 2 | 961357 | Монтажная пластина | |
| 3 | 961358 | Монтажная пластина | |
| 4 | 961567 | 12Шкив | |
| 5 | 961360 | Поворотный рычаг, длина 10 3/4 | |
| 6 | 81523 | Болт | |
| 7 | 81545 | 1/4 Шайба | |
| 8 | 81544 | 1/4 Гайка | |
| 9 | 86170 | 3/8x1 Болт | |
| 10 | 812363 | Гайка | |
| 11 | 967488 | Болт | |
| 12 | 968811 | 1/4 x 1/4 x 2 шпонка | |
| 13 | 962066 | Хомут | |
| 14 | 961896 | Хомут | |
| 15 | 81552 | Болт | |
| 16 | 81569 | 5/16 Шайба | |
| 17 | 81568 | 5/16 Гайка | |
| 18 | 961377 | Шарнирная ось подвесного кронштейна d.1, длина 10 1/2 | |
| 19 | 9812434 | 1/4x1-1/2 Штырь | |
| 20 | 908702 | Трубка натяжителя | |
| 21 | 961693 | Внутренняя трубка натяжителя, внешний d.1, длина 42 | |
| 22 | 81627 | Болт | |
| 23 | 81626 | 1/2 x 2 3/4 шестигранный болт | |
| 24 | 812364 | Гайка | |
| 25 | 961372 | Кронштейн натяжителя ремня | |
| 26 | 81592 | 3/8 Гайка | |
| 27 | 81213 | 3/8x1 Винт с квадратной головкой | |
| 28 | 961647 | Винт | |
| 29 | 961375 | Подвесной кронштейн, сварная конструкция | |
| 30 | 81620 | 1/2 x 1 1/4 Болт | |
| 31 | 81637 | 1/2 Шайба | |
| 32 | 81636 | 1/2 Гайка | |
| 33 | 908010 | Кронштейн крепления двигателя | |
| 34 | 981601 | Болт | |
| 35 | 86273 | Гайка | |
| 36 | 961973 | Регулирующая штанга | |
| 37 | 961167 | Прокладка для крепления двигателя | |
| 38 | 961166 | Кронштейн щитка | |
| 39 | F889 | 3 1/2 шкив с двойным жёлобом 1 отверстие | |
| 40 | 967912 | B-201 клиновидный приводной ремень | |
| 41 | 961383 | Кольцо | |
| 42 | 967488 | Болт | |
| 43 | 9812377 | Винт | |
| 44 | 903427 | Щиток натяжителя | |
| 45 | 961697 | Кронштейн натяжителя | |
| 46 | 961006 | Натяжной шкив | |
| 47 | 81669 | 5/8 x 3 1/2 шестигранный болт | |
| 48 | 965928 | Прокладка, внешний d.0,840, ширина 0,109, длина 3/4 | |
| 49 | 81678 | 5/8 Flat Washer | |
| 50 | 812026 | 5/16x1 Болт | |
| 51 | 81677 | 5/8 Шайба | |
| 52 | 81676 | 5/8 Болт | |
| 53 | 81576 | Болт | |
| 54 | 962000 | Прокладка | |
| 55 | 81593 | 3/8 Шайба | |
| 56 | 961355 | 6 щиток шкива | |
| 57 | 84000 | 7/16 Шайба | |
| 58 | 811852 | Гайка |
Содержащиеся в справочниках-каталогах запасные части и детали не предлагаются к продаже, а носят исключительно информационный характер