Каталог запасных частей к технике: KRONE AM 283CV. Spring compensation

1
2
3
3
3
3
4
5
5
6
6
6
6
7
7
8
8
9
9
10
11
12
13
14
15
16
17
18
18
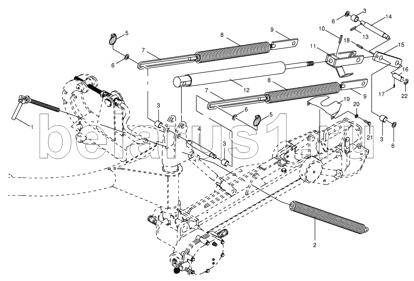
Позиция на иллюстрации | Заводской номер детали | Название детали | |
---|---|---|---|
270064760 | 270064760 | Sealing set | |
1 | 001431582 | Spindle | |
2 | 001444501 | Tension spring | |
3 | 001395170 | Spacer bushing | |
4 | 001395180 | Pin | |
5 | 009170090 | Linch pin | |
6 | 009105122 | Washer | |
7 | 001456432 | Adjustable fitting | |
8 | 001451552 | Tension spring | |
9 | 001395150 | Adjustable fitting | |
10 | 009126442 | Roll pin | |
11 | 001395040 | Connecting link | |
12 | 001395450 | Hydraulic cylinder | |
13 | 009126730 | Roll pin | |
14 | 001395690 | Pin | |
15 | 001395440 | Lever | |
16 | 001394730 | Pin | |
17 | 009126152 | Roll pin | |
18 | 009127740 | Roll pin | |
18 | 009126701 | Roll pin |
Содержащиеся в справочниках-каталогах запасные части и детали не предлагаются к продаже, а носят исключительно информационный характер