Каталог запасных частей к технике: KRONE BIG-M-400. Main gearbox - left-CRI Comer
/52.gif)
1
2
2
3
3
3
4
4
5
5
6
6
7
7
7
8
9
10
10
11
12
13
14
15
16
18
20
21
22
23
24
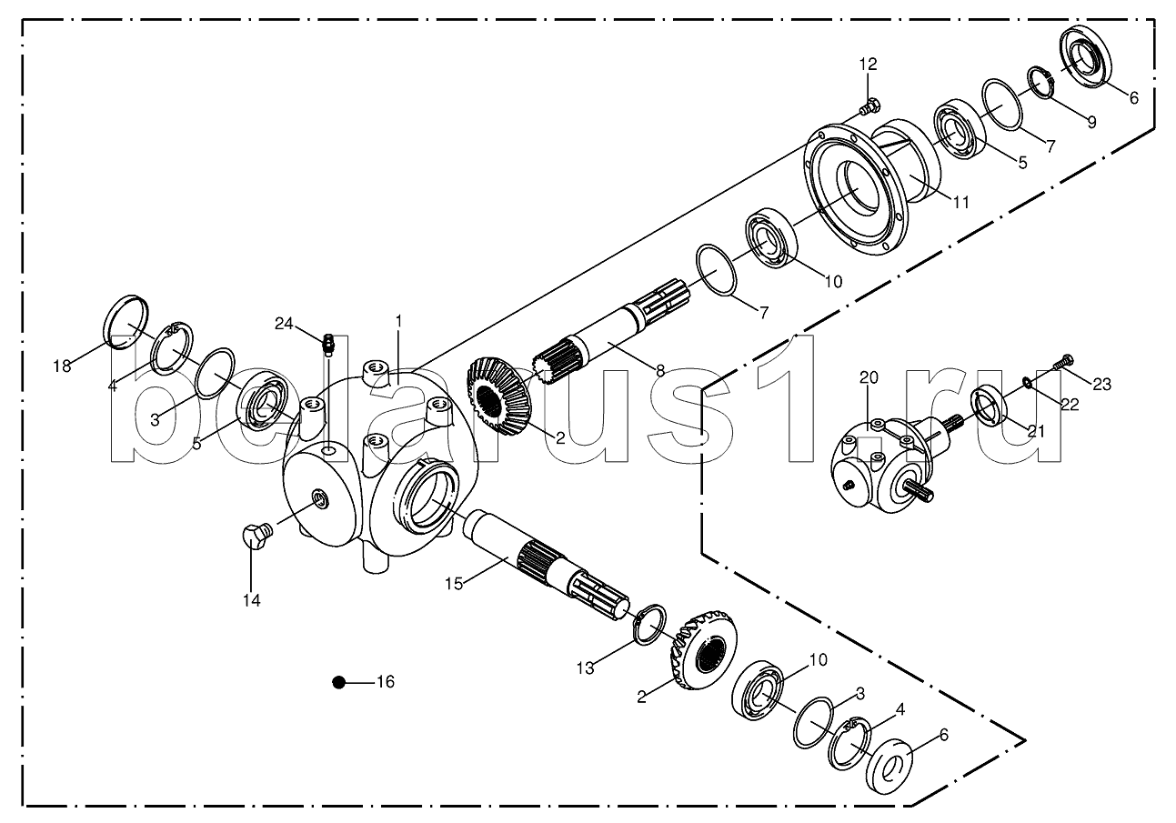
Позиция на иллюстрации | Заводской номер детали | Название детали | |
---|---|---|---|
1 | 009557040 | Gearbox housing | |
2 | 009557050 | Bevel wheel | |
3 | 009109630 | Shim ring | |
3 | 009109640 | Shim ring | |
4 | 009116730 | Circlip | |
5 | 009301380 | Grooved ball bearing | |
6 | 009360151 | Radial-shaft sealing ring | |
7 | 009108900 | Shim ring | |
7 | 009108910 | Shim ring | |
8 | 009557060 | Shaft | |
9 | 009115450 | Circlip | |
10 | 009321070 | Taper roller bearing | |
11 | 009557070 | Gearbox housing | |
12 | 009006340 | Hex head bolt | |
13 | 009115491 | Circlip | |
14 | 009060080 | Screw plug | |
15 | 009557090 | Shaft | |
16 | 009261010 | Oil-Id.-no.=1ltr | |
18 | 009252052 | Sealing cap | |
20 | 002566721 | Gearbox-cpl. | |
21 | 002566753 | Adapter flange | |
22 | 009099081 | Detent edged washer | |
23 | 009002531 | Hex head bolt | |
24 | 009198320 | Breather |
Содержащиеся в справочниках-каталогах запасные части и детали не предлагаются к продаже, а носят исключительно информационный характер