Каталог запасных частей к технике: KRONE BIG-M-420. Cantilever-left/right
/78.gif)
1
2
3
4
4
5
6
6
7
8
9
10
10
11
11
12
13
14
15
16
17
18
19
20
21
23
24
24
25
25
26
27
28
29
36
36
37
38
39
40
41
43
44
45
46
47
48
48
49
50
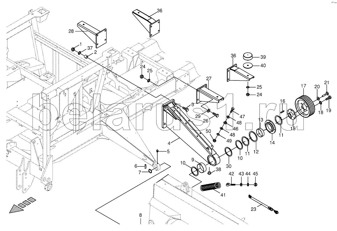
Позиция на иллюстрации | Заводской номер детали | Название детали | |
---|---|---|---|
009110290 | 009110290 | Shim ring | |
002292571 | 002292571 | Flange | |
1 | 009087221 | Locknut | |
2 | 002326874 | Spacer bushing | |
3 | 900002250 | Hex head bolt | |
4 | 002334783 | Outrigger rear, left | |
4 | 002334793 | Outrigger rear, right | |
5 | 009191050 | Grease niple | |
6 | 009127172 | Roll pin | |
6 | 009126472 | Roll pin | |
7 | 009105181 | Washer | |
8 | 002328820 | Spacer ring | |
9 | 002324681 | Plastic bushing | |
10 | 009107600 | Supporting disc | |
11 | 009115090 | Circlip | |
12 | 002327831 | Spacer ring | |
13 | 002299591 | Plastic bushing | |
14 | 009053410 | Eye screw | |
15 | 002291103 | Hub | |
16 | 009153381 | Fit-in key | |
17 | 002509024 | V-belt pulley | |
18 | 009099101 | Detent edged washer | |
19 | 009006550 | Hex head bolt | |
20 | 002310400 | Washer | |
21 | 009040060 | Countersunkscrew | |
23 | 003023211 | Namursensor | |
24 | 009087190 | Locknut | |
25 | 009099121 | Detent edged washer | |
26 | 009006760 | Hex head bolt | |
27 | 200164280 | Support lh. | |
28 | 200164250 | Support rh. | |
29 | 009103031 | Washer | |
36 | 200152710 | Strut | |
37 | 009099131 | Detent edged washer | |
38 | 009250150 | Sealing plug | |
39 | 270083790 | Rubber pad | |
40 | 200152730 | Washer | |
41 | 200305560 | Tension spring | |
43 | 009103530 | Washer | |
44 | 009099091 | Detent edged washer | |
45 | 009087580 | Locknut | |
46 | 200171940 | Angle for hose clamp | |
47 | 009006160 | Hex head bolt | |
48 | 009106030 | Washer | |
49 | 009099081 | Detent edged washer | |
50 | 009087060 | Locknut |
Содержащиеся в справочниках-каталогах запасные части и детали не предлагаются к продаже, а носят исключительно информационный характер