Аркадак
Эль-Монте ваш город?
Да
Выбрать другой город
Написать в
WhatsApp
Написать в
Telegram
Каталог

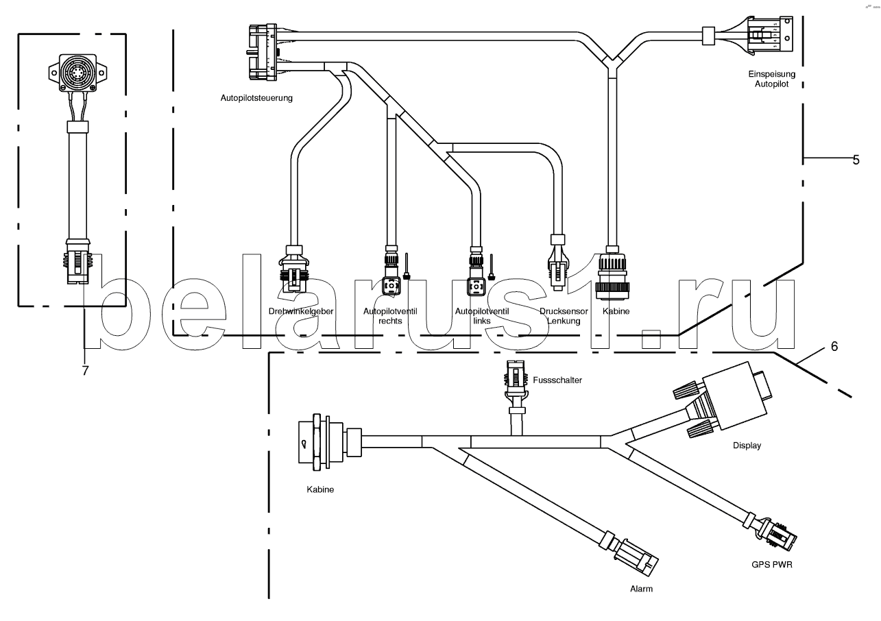
Каталог запасных частей к технике: KRONE BIG-M-II. Wiring harness - automatic pilot

zoom-in zoom-out enlarge shrink circle-right circle-left file-text2 info cart
5
6
7
Позиция на иллюстрации Заводской номер детали Название детали
5 003050641 Wiring harness
6 200800192 Wiring harness-Autopilot
7 200800720 Transducer
Содержащиеся в справочниках-каталогах запасные части и детали не предлагаются к продаже, а носят исключительно информационный характер