Каталог запасных частей к технике: KRONE BIG-X-1100. Wiring Harness-engine/diesel pumps

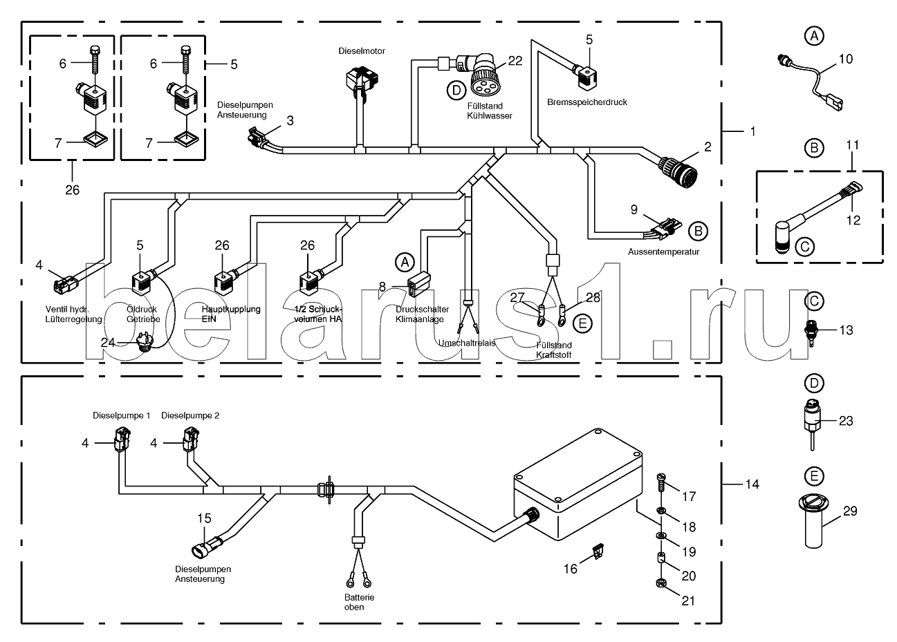
1
2
3
4
4
4
5
5
5
6
6
7
7
8
9
10
11
12
13
14
15
16
17
18
19
20
21
22
23
24
26
26
26
27
28
29
Позиция на иллюстрации | Заводской номер детали | Название детали | |
---|---|---|---|
1 | 200811350 | Wiring harness-engine | |
2 | 003024310 | Plug-31-pole | |
3 | 003023510 | Plug-2-pole | |
4 | 003033160 | Plug-2-pole | |
5 | 003018020 | Solenoid valve plug-black | |
6 | 003021820 | Screw with straight-line curls | |
7 | 003011860 | Gasket | |
8 | 003050590 | Plug-2-pole | |
9 | 003023530 | Plug-4-pole | |
10 | 009401091 | Pressure switch | |
11 | 003031721 | Adapter wire-4-pole | |
12 | 003023540 | Coupling socket-4-pole | |
13 | 200810410 | Temperature sensor | |
14 | 200808391 | Wiring harness-diesel pumps | |
15 | 003023560 | Coupling socket-2-pole | |
16 | 003018560 | Flat fuse | |
17 | 009034251 | Allen screw | |
18 | 009100010 | Spring washer | |
19 | 009103250 | Washer | |
20 | 009242020 | Rubber pad | |
21 | 009080061 | Hex nut | |
22 | 003031160 | AMP-circular plug-4-pole | |
23 | 200811261 | Water level sensor | |
24 | 003020050 | Connector plug-2-pole | |
26 | 003034120 | Valve plug-black , low mounting form | |
27 | 003018270 | Cable terminal-red | |
28 | 003037540 | Cable terminal-red | |
29 | 002280071 | Sender plunging tube |
Содержащиеся в справочниках-каталогах запасные части и детали не предлагаются к продаже, а носят исключительно информационный характер