Каталог запасных частей к технике: KRONE BIG-X-480. Diesel fuel tank
/71.gif)
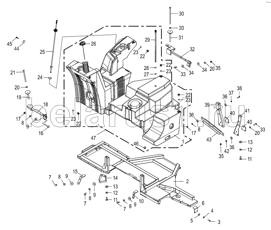
1
2
3
4
5
6
7
7
7
8
8
8
8
8
9
9
9
9
10
11
11
12
12
13
13
14
15
16
17
17
18
19
20
20
20
20
21
22
22
22
22
23
23
23
23
24
25
26
27
28
29
30
31
32
33
33
34
34
35
35
36
36
36
37
38
39
40
40
41
42
43
44
45
46
47
Позиция на иллюстрации | Заводской номер детали | Название детали | |
---|---|---|---|
270164700 | 270164700 | Rubber seal | |
270164680 | 270164680 | Seal | |
270164670 | 270164670 | Sleeve | |
270164660 | 270164660 | Sieve | |
270164690 | 270164690 | Maintenance cover | |
1 | 270115412 | Diesel tank plast. | |
2 | 202220982 | Back beam diesel tank | |
3 | 009006160 | Hex head bolt | |
4 | 009099081 | Detent edged washer | |
5 | 009106030 | Washer | |
6 | 202234581 | Crop guard | |
7 | 009006360 | Hex head bolt | |
8 | 009099091 | Detent edged washer | |
9 | 009103530 | Washer | |
10 | 202222911 | Holding-down device front Ih | |
11 | 009006740 | Hex head bolt | |
12 | 009099121 | Detent edged washer | |
13 | 009103620 | Washer | |
14 | 204200110 | Step | |
15 | 202222902 | Holding-down device, front right | |
16 | 009048381 | Coach bolt | |
17 | 009087580 | Locknut | |
18 | 202254050 | Tank holder front, right | |
19 | 202254120 | Spacer short | |
20 | 009099101 | Detent edged washer | |
21 | 009003540 | Hex head bolt | |
22 | 202265890 | Screw-in support diesel tank hexagon | |
23 | 900026560 | O-ring | |
24 | 900019260 | O-ring | |
25 | 200842580 | Fil. level sens. | |
26 | 270144521 | Tank cover | |
27 | 009376340 | O-ring | |
28 | 009375250 | O-ring | |
29 | 202223114 | Hyd. line | |
30 | 900023080 | Hexbolt | |
31 | 202254110 | Spacer | |
32 | 204200560 | Tank holder rear | |
33 | 009006580 | Hex head bolt | |
34 | 009103490 | Washer | |
35 | 009087010 | Locknut | |
36 | 009106090 | Washer | |
37 | 009103710 | Washer | |
38 | 009006380 | Hex head bolt | |
39 | 202221081 | Back beam holder right | |
40 | 202222280 | Stiffening plate | |
41 | 202221011 | Back beam holder left | |
42 | 009105061 | Washer | |
43 | 202222921 | Tank holding-down device rear | |
44 | 009245361 | Side light-yellow | |
45 | 009037450 | Allen screw | |
46 | 900027940 | Locking screw inside hexagon | |
47 | 202284620 | Diesel main tank preassembled |
Содержащиеся в справочниках-каталогах запасные части и детали не предлагаются к продаже, а носят исключительно информационный характер