Каталог запасных частей к технике: KRONE BIG-X-500. Wiring Harness-lateral left

1
2
2
2
2
3
4
5
5
5
6
6
7
10
11
12
13
15
16
17
18
19
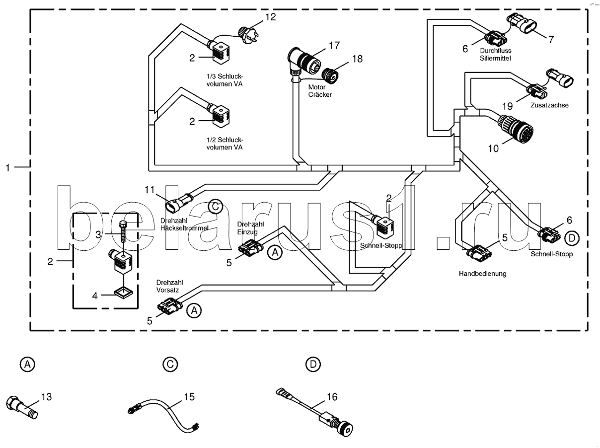
Позиция на иллюстрации | Заводской номер детали | Название детали | |
---|---|---|---|
1 | 200805571 | Wiring harness -lateral left | |
2 | 003034120 | Valve plug-black , low mounting form | |
3 | 003021820 | Screw with straight-line curls | |
4 | 003011860 | Gasket | |
5 | 003023530 | Plug-4-pole | |
6 | 003023520 | Plug-3-pole | |
7 | 003033790 | Blind-pin casing-3-pole | |
10 | 003024311 | Plug Bu HDP20 KPL-31-pole | |
11 | 003023560 | Coupling socket-2-pole | |
12 | 003039690 | Blind-plug-2-pole | |
13 | 009199380 | Speed sensor | |
15 | 003023212 | Namur sensor Namur M18 | |
16 | 003032482 | Instantanequs cut-out switch | |
17 | 200804980 | Coupling socket-7-pole | |
18 | 003020930 | Protective cap | |
19 | 003023510 | Plug-2-pole |
Содержащиеся в справочниках-каталогах запасные части и детали не предлагаются к продаже, а носят исключительно информационный характер