Каталог запасных частей к технике: KRONE BIG-X-580. Additional axis
/235.gif)
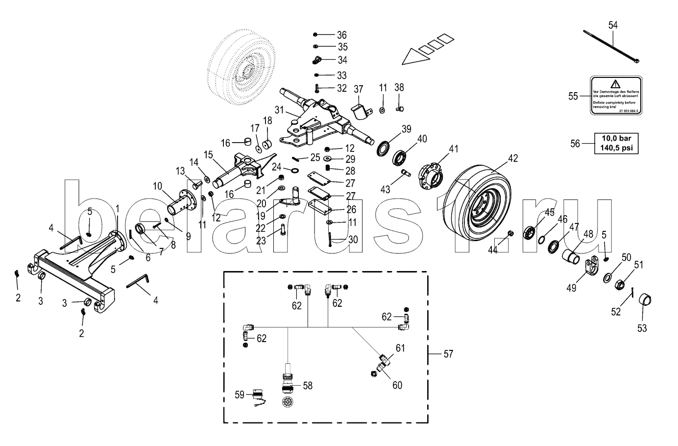
1
2
2
3
3
4
4
5
5
5
6
7
8
9
10
11
11
11
12
12
13
14
15
16
16
17
18
19
20
21
22
23
24
25
26
27
27
28
29
30
31
32
33
34
35
36
37
38
39
40
41
42
43
44
45
46
47
48
49
50
51
52
53
54
55
56
57
58
59
60
61
62
62
62
62
Позиция на иллюстрации | Заводской номер детали | Название детали | |
---|---|---|---|
270036040 | 270036040 | Rim | |
270036050 | 270036050 | Tyre | |
009533280 | 009533280 | Hose | |
1 | 202252621 | Additional axle front wide | |
2 | 009170041 | Linch pin | |
3 | 002858910 | Spacer bushing | |
4 | 200243010 | Pin | |
5 | 009191050 | Grease niple | |
6 | 009127192 | Roll pin | |
7 | 200243030 | Limit stop | |
8 | 009002140 | Hex head bolt | |
9 | 009099030 | Detent edged washer | |
10 | 200243061 | Connection piece | |
11 | 009099081 | Detent edged washer | |
12 | 009087060 | Locknut | |
13 | 009006360 | Hex head bolt | |
14 | 009099091 | Detent edged washer | |
15 | 200243091 | O-hitch | |
16 | 009349250 | Bearing bush | |
17 | 200269540 | Washer | |
18 | 270084750 | Rubber pad | |
19 | 202252660 | Bolt with anti-twist lock | |
20 | 009099101 | Detent edged washer | |
21 | 009087010 | Locknut | |
22 | 009105061 | Washer | |
23 | 009006580 | Hex head bolt | |
24 | 009111340 | Shim ring | |
24 | 009111361 | Shim ring | |
25 | 009127162 | Roll pin | |
26 | 200244100 | Plate | |
27 | 200707030 | Brake lining | |
28 | 002817580 | Pressure spring | |
29 | 009106030 | Washer | |
30 | 009010542 | Hex head bolt | |
31 | 202252571 | Additional axis-back | |
32 | 009002391 | Hex head bolt | |
33 | 009104111 | Washer | |
34 | 200818190 | Corr. hose clamp | |
35 | 009099061 | Detent edged washer | |
36 | 009087041 | Locknut | |
37 | 202267440 | Cover plate | |
38 | 009006140 | Hex head bolt | |
39 | 900004760 | Nilos-ring | |
40 | 009321660 | Taper roller bearing | |
41 | 200242881 | Wheel hub 180 | |
42 | 270034820 | Wheel-cpl. | |
43 | 900021650 | Bolt | |
44 | 009102250 | Nut | |
45 | 009321540 | Taper roller bearing | |
46 | 009108990 | Shim ring | |
47 | 900004750 | Nilos-ring | |
48 | 200242870 | Spacer bushing | |
49 | 200242861 | Cylinder mounting | |
50 | 009105181 | Washer | |
51 | 009089431 | Castellated nut | |
52 | 009120931 | Cotter pin | |
53 | 009404140 | Hex. protective cap | |
54 | 009226711 | Cable band | |
55 | 270036640 | Tag | |
56 | 270062700 | Tag | |
57 | 200837831 | Cable harness additional axle | |
58 | 200825831 | Plug 14-p Bu HD30 KPL | |
59 | 003034140 | Blind-plug | |
60 | 200825671 | Conn. 3-p socket DT cpl. | |
61 | 200826320 | Plug transfer | |
62 | 200825651 | Con. 2-p socket DT cpl. |
Содержащиеся в справочниках-каталогах запасные части и детали не предлагаются к продаже, а носят исключительно информационный характер