Каталог запасных частей к технике: KRONE BIG-X-580. Feeder Housing
/2.gif)
1
2
3
3
4
5
5
6
7
7
9
10
10
11
11
12
13
14
15
15
15
15
16
16
16
16
17
18
19
20
21
22
23
24
25
26
27
28
29
30
31
31
31
32
33
34
35
36
37
38
39
40
41
42
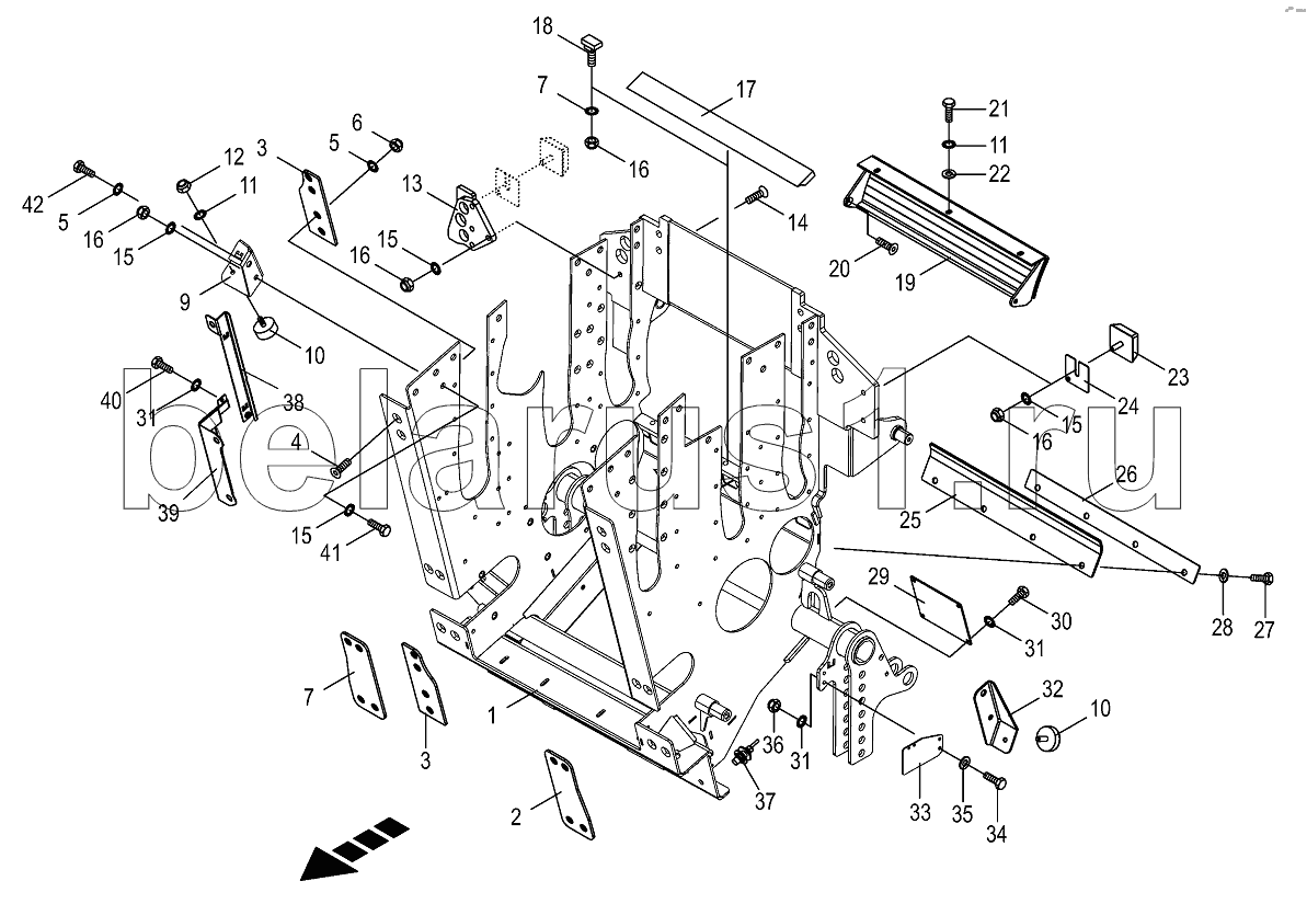
Позиция на иллюстрации | Заводской номер детали | Название детали | |
---|---|---|---|
1 | 202210784 | Base frame | |
2 | 202210822 | Connector | |
3 | 202211190 | Connector | |
4 | 009040192 | Countersunkscrew | |
5 | 009099121 | Detent edged washer | |
6 | 009087190 | Locknut | |
7 | 009099110 | Detent edged washer | |
9 | 202210801 | Pad support top, right | |
10 | 009242601 | Rubber pad | |
11 | 009099091 | Detent edged washer | |
12 | 009087580 | Locknut | |
13 | 202210850 | Buffer holder | |
14 | 009040711 | Countersunkscrew | |
14 | 009040161 | Countersunkscrew | |
15 | 009099101 | Detent edged washer | |
16 | 009087010 | Locknut | |
17 | 202210812 | Stripper | |
18 | 900003440 | T-slot bolt | |
19 | 200286361 | Drum shell | |
20 | 900020900 | Countersunkscrew | |
21 | 900023060 | Hexagon head screw | |
22 | 009103530 | Washer | |
23 | 009242180 | Rubber pad | |
24 | 002175111 | Enclosure | |
25 | 202223330 | Rubber tray | |
26 | 202223300 | Holding plate | |
27 | 009002531 | Hex head bolt | |
28 | 009103660 | Washer | |
29 | 202210830 | Cover | |
30 | 900022620 | Screw | |
31 | 009099081 | Detent edged washer | |
32 | 202210790 | Pad support top, left | |
33 | 202211251 | Distributor support | |
34 | 009006160 | Hex head bolt | |
35 | 009104130 | Washer | |
36 | 009087060 | Locknut | |
37 | 003024092 | Namur sensor Namur M12 | |
38 | 202269530 | Cable duct top | |
39 | 202269571 | Cable duct bottom | |
40 | 009006120 | Hex head bolt | |
41 | 009006550 | Hex head bolt | |
42 | 900015020 | Hex head bolt |
Содержащиеся в справочниках-каталогах запасные части и детали не предлагаются к продаже, а носят исключительно информационный характер