Каталог запасных частей к технике: KRONE BIG-X-600. Clutch/Silencer
2
3
4
4
5
5
5
5
5
5
5
5
6
6
6
7
7
16
17
19
20
21
22
22
23
23
24
24
25
25
26
30
31
31
32
34
35
36
37
38
39
40
40
41
42
43
44
44
45
46
47
48
49
50
51
52
53
54
55
56
57
57
57
57
58
59
60
61
61
62
62
63
64
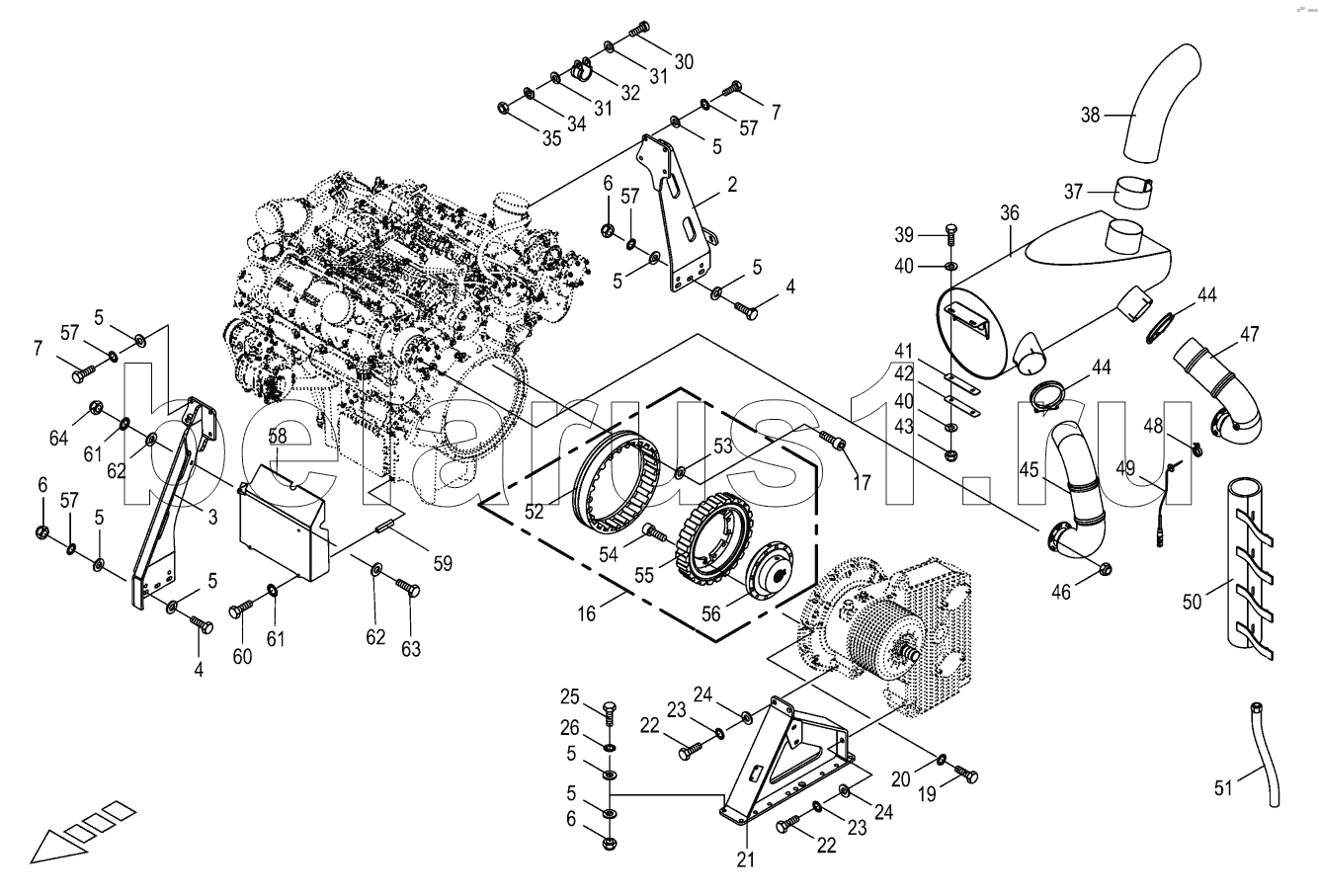
| Позиция на иллюстрации | Заводской номер детали | Название детали | |
|---|---|---|---|
| 2 | 200262121 | Engine support-back right | |
| 3 | 200262070 | Engine support-right front | |
| 4 | 009014930 | Hex head bolt | |
| 5 | 009103620 | Washer | |
| 6 | 009087190 | Locknut | |
| 7 | 009006750 | Hex head bolt | |
| 16 | 270057000 | Clutch | |
| 17 | 009031011 | Allen screw | |
| 19 | 009002841 | Hex head bolt | |
| 20 | 009099091 | Detent edged washer | |
| 21 | 200278730 | Engine support | |
| 22 | 009006880 | Hex head bolt | |
| 23 | 009099131 | Detent edged washer | |
| 24 | 009103300 | Washer | |
| 25 | 009006780 | Hex head bolt | |
| 25 | 009011321 | Hex head bolt | |
| 26 | 009099041 | Detent edged washer | |
| 30 | 009037450 | Allen screw | |
| 31 | 009105001 | Washer | |
| 32 | 009240141 | Tube clip w. rubber | |
| 34 | 009100310 | Spring washer | |
| 35 | 009082071 | Hex nut | |
| 36 | 270057800 | Silencer | |
| 37 | 009401310 | Sealing strip | |
| 38 | 270007350 | Exhaust pipe | |
| 39 | 009014510 | Hex head bolt | |
| 40 | 009103200 | Washer | |
| 41 | 200268360 | Filler plate | |
| 42 | 200268350 | Filler plate | |
| 43 | 009087010 | Locknut | |
| 44 | 270061190 | Muffler clamp | |
| 45 | 270057820 | Flue gas pipe-front | |
| 46 | 009080441 | Hex nut | |
| 47 | 270057841 | Flue gas pipe-back | |
| 48 | 270057870 | Profile clamp | |
| 49 | 270057850 | Exhaust temperature sensor | |
| 50 | 270110050 | Insulating collar | |
| 51 | 270061670 | Oil discharge hose | |
| 52 | 270073670 | Coupling flange | |
| 53 | 009107120 | Supporting disc | |
| 54 | 009032103 | Allen screw | |
| 55 | 270073650 | Rubber element | |
| 56 | 270073660 | Hub | |
| 57 | 009099121 | Detent edged washer | |
| 58 | 202274230 | Cover terminal box | |
| 59 | 202271890 | Receiver tube square head | |
| 60 | 009006120 | Hex head bolt | |
| 61 | 009099081 | Detent edged washer | |
| 62 | 009106030 | Washer | |
| 63 | 009006170 | Hex head bolt | |
| 64 | 009087060 | Locknut |
Содержащиеся в справочниках-каталогах запасные части и детали не предлагаются к продаже, а носят исключительно информационный характер