Каталог запасных частей к технике: KRONE BIG-X-630. Wiring harness - panel

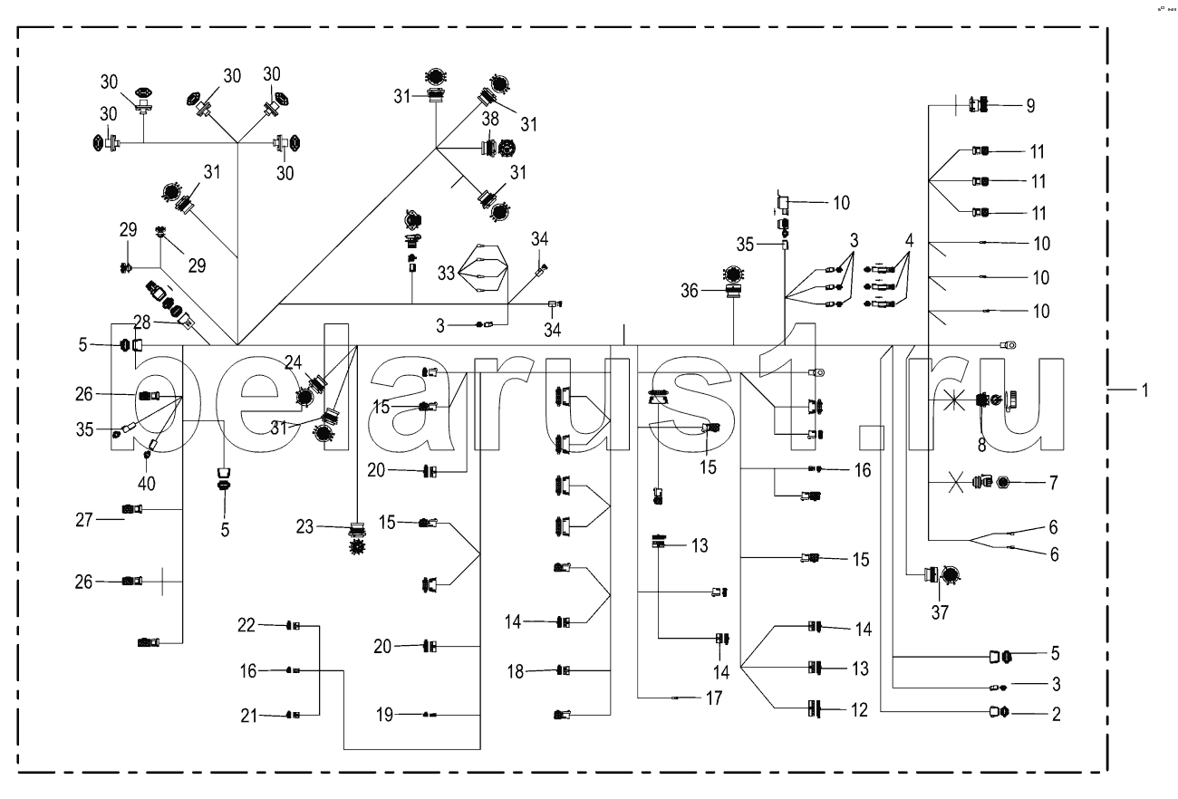
1
2
3
3
3
4
5
5
5
6
6
7
8
9
10
10
10
10
11
11
11
12
13
13
14
14
14
15
15
15
15
16
16
17
18
19
20
20
21
22
23
24
26
26
27
28
29
29
30
30
30
30
30
31
31
31
31
31
33
34
34
35
35
36
37
38
40
Позиция на иллюстрации | Заводской номер детали | Название детали | |
---|---|---|---|
1 | 200843661 | Cable harness console | |
2 | 200801692 | Con. | |
3 | 003033162 | Con. 2-p socket DT cpl. | |
4 | 200808460 | Terminal resistance | |
5 | 200807852 | Con. 12-p socket DT cpl | |
6 | 003026890 | Flat sleeve-blue | |
7 | 003024720 | Connector-7-pole | |
8 | 200829030 | Connector 9-pole conn HDIOcpl | |
9 | 200813810 | Socket plug-16-pole | |
10 | 003031300 | Cable terminal-blue | |
11 | 200828060 | Connector 9-p con MCP2 8cpl | |
12 | 200800821 | Соnnесtоr 24-p sосkеt М-fit- Jr.сpl. | |
13 | 200800801 | Connector 18-p socket M-fit- Jr.cpl. | |
14 | 200800781 | Connector 14-p socket M-fit- Jr.cpl. | |
15 | 003027880 | Plug-18-pole | |
16 | 003027971 | Connecteur 6-p sock. M-fit-Jr. cpl. | |
17 | 009440820 | Cable terminal-yellow | |
18 | 003027991 | Connector 12-p socket M-fit- Jr.cpl. | |
19 | 200801591 | Connector 4-p socket M-fit-Jr. cpl. | |
20 | 200800791 | Connector 16-p socket M-fit- Jr.cpl. | |
21 | 003027981 | Connector 8-p socket M-fit-Jr. cpl. | |
22 | 003037841 | Connector 10-p socket M-fit- Jr.cpl. | |
23 | 200825850 | Plug 16-pStHDP20KPL | |
24 | 200818882 | Con. 47-p conn. HDP20 cpl. | |
26 | 200826890 | Connector 18-p sock MCP2 8cpl | |
27 | 200826870 | Connector 18-p sock. MCP2.8 cpl. | |
28 | 200807882 | Con. 12-p conn. DT cpl | |
29 | 200826810 | Connector 9-p socket SUB-D cpl.-16-pole | |
30 | 200826751 | Plug 6-p St DT cpl. | |
31 | 200825911 | Con. 31-p con. HDP20 cpl. | |
33 | 003026880 | Flat sleeve-red | |
34 | 003050590 | Plug-2-pole | |
35 | 200825691 | Conn. 4-p socket DT cpl. | |
36 | 200825921 | Plug 31-pole socket HDP20 cpl. | |
37 | 200825931 | Con. 47-p socket HDP20 cpl. | |
38 | 200825881 | Con. 18-p con. HDP20 cpl. | |
39 | 200840820 | Terminating resistor | |
40 | 200825680 | Plug 4-p St DT KPL |
Содержащиеся в справочниках-каталогах запасные части и детали не предлагаются к продаже, а носят исключительно информационный характер