Каталог запасных частей к технике: KRONE BIG-X-630. Wiring Harness - rear

1
2
2
2
2
2
2
2
2
3
3
3
3
3
3
3
3
4
4
4
5
5
6
6
8
9
10
11
11
12
13
14
15
18
19
20
21
22
23
23
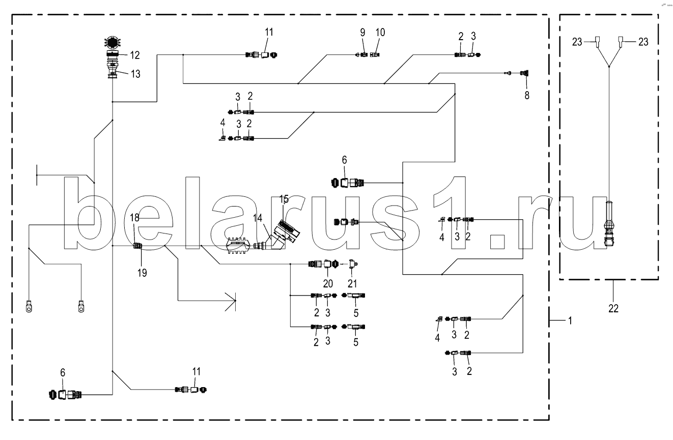
Позиция на иллюстрации | Заводской номер детали | Название детали | |
---|---|---|---|
1 | 200842801 | Cable harness rear support | |
2 | 003039020 | End cap | |
3 | 003033162 | Con. 2-p socket DT cpl. | |
4 | 200819380 | Blind Cover 2-p DT | |
5 | 200808460 | Terminal resistance | |
6 | 200807852 | Con. 12-p socket DT cpl | |
8 | 003031141 | Plug 2-p socket jetplug cod1 black | |
9 | 003023510 | Plug-2-pole | |
10 | 003023560 | Coupling socket-2-pole | |
11 | 200825721 | Conn. 6-p socket DT cpl. | |
12 | 200825921 | Plug 31-pole socket HDP20 cpl. | |
13 | 003039060 | End cap | |
14 | 003022350 | Protective grommet | |
15 | 003023620 | Plug-42-pole | |
16 | 200827660 | Add. resistance | |
17 | 200825691 | Conn. 4-p socket DT cpl. | |
18 | 003037290 | Screw connection | |
19 | 200802940 | Locknut | |
20 | 200801692 | Con. | |
21 | 200819440 | Blind Cover 8-p DT | |
22 | 200858640 | Adapter 2-p JPT-2-p blade receptacle | |
23 | 003026880 | Flat sleeve-red |
Содержащиеся в справочниках-каталогах запасные части и детали не предлагаются к продаже, а носят исключительно информационный характер