Каталог запасных частей к технике: KRONE BIG-X-650. Chopping drum

1
1
1
2
2
3
3
4
4
5
6
7
7
8
8
8
8
9
9
10
10
11
11
11
11
12
13
14
15
16
16
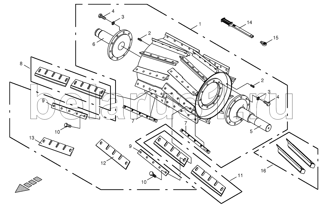
Позиция на иллюстрации | Заводской номер детали | Название детали | |
---|---|---|---|
1 | 200268670 | Chopping drum-20-knifes-HD | |
1 | 200268750 | Chopping drum-28-knifes-HD | |
1 | 200268640 | Chopping drum-40-knifes-HD | |
2 | 900005780 | Threaded pin | |
3 | 009099121 | Detent edged washer | |
4 | 009003260 | Hex head bolt | |
5 | 200232940 | Flange-left | |
6 | 002145130 | Flange-right | |
7 | 002195553 | Screw-on strip | |
8 | 200233690 | Knife maize-right by pairs, special | |
8 | 003507730 | Knife maize-right by pairs, universal | |
8 | 003507710 | Knife grass-right by pairs, special | |
8 | 003507690 | Knife grass-right by pairs, universal | |
9 | 002195561 | Perforated plate | |
10 | 009003230 | Hex head bolt | |
11 | 200233680 | Knife maize-left by pairs, special | |
11 | 003507720 | Knife maize-left by pairs, universal | |
11 | 003507700 | Knife grass-left by pairs, special | |
11 | 003507680 | Knife grass-left by pairs, universal | |
12 | 002196191 | Knife support cover plate- left, by pairs | |
13 | 002196201 | Knife support cover plate- right, by pairs | |
14 | 270000530 | Torque spanner | |
15 | 270000520 | Ring plug tool | |
16 | 200241060 | Knife support cover-left by pairs, optional | |
16 | 200241050 | Knife support cover-right by pairs, optional |
Содержащиеся в справочниках-каталогах запасные части и детали не предлагаются к продаже, а носят исключительно информационный характер