Каталог запасных частей к технике: KRONE BIG-X-700-1. Steering axle

1
2
2
3
3
4
4
5
6
6
6
7
8
9
10
11
12
13
14
15
16
17
17
18
19
20
21
22
22
22
22
23
24
25
26
27
28
29
30
30
31
31
32
32
33
33
33
33
33
33
33
34
35
36
36
37
37
38
38
38
38
39
39
40
40
41
41
41
41
41
41
42
42
42
42
43
44
44
46
47
48
49
50
51
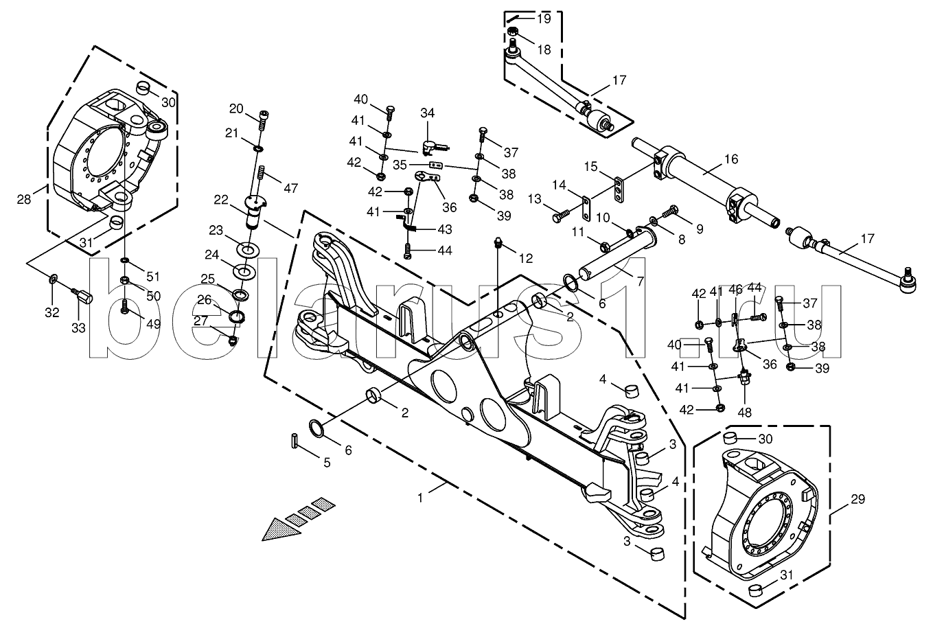
Позиция на иллюстрации | Заводской номер детали | Название детали | |
---|---|---|---|
270071560 | 270071560 | Sealing set | |
009031082 | 009031082 | Allen screw | |
1 | 200276231 | Steered aхle carrier | |
2 | 009353310 | Bearing bush | |
3 | 009353451 | Bearing bush | |
4 | 900001200 | Bearing bush | |
5 | 009127520 | Roll pin | |
6 | 009110040 | Shim ring | |
6 | 009110051 | Shim ring | |
7 | 002218773 | Retention bolt | |
8 | 009103200 | Washer | |
9 | 009014510 | Hex head bolt | |
10 | 009099101 | Detent edged washer | |
11 | 009087010 | Locknut | |
12 | 009191050 | Grease niple | |
13 | 009003821 | Hex head bolt | |
14 | 200220740 | Locking plate | |
15 | 002199371 | Double roller | |
16 | 270012390 | Steering cylinder | |
17 | 270039220 | Axial tie rod | |
18 | 009089351 | Castellated nut | |
19 | 009031051 | Allen screw | |
20 | 009121111 | Cotter pin | |
21 | 009099070 | Detent edged washer | |
22 | 200276820 | Retention bolt-top | |
22 | 200282810 | Retention bolt-below right | |
22 | 200276820 | Retention bolt-top | |
22 | 200282800 | Retention bolt-below left | |
23 | 200204870 | Approach disc | |
24 | 002133341 | Approach disc | |
25 | 200218040 | End plate | |
26 | 009115540 | Circlip | |
27 | 009191070 | Grease niple | |
28 | 202216850 | Steering knuckle rh. + bushings | |
29 | 202216870 | Steering knuckle lh. + bushings | |
30 | 002194390 | Bearing bush | |
31 | 900001190 | Bearing bush | |
32 | 200252650 | Washer | |
32 | 900005120 | Washer | |
33 | 200245600 | Steering limitation | |
33 | 200245590 | Steering limitation | |
33 | 200267220 | Steering limitation | |
33 | 200279600 | Steering limitation-optional | |
34 | 200804350 | Sensor-2-pole | |
35 | 200287690 | Spacer plate -right | |
36 | 200276770 | Retainer -right | |
37 | 009006080 | Hex head bolt | |
38 | 009103511 | Washer | |
39 | 009087041 | Locknut | |
40 | 009002920 | Hex head bolt | |
41 | 009105001 | Washer | |
42 | 009087020 | Locknut | |
43 | 200287740 | Lever -right | |
44 | 009036610 | Allen screw | |
46 | 200278650 | Lever -left | |
47 | 900000640 | Threaded pin | |
48 | 200814880 | Sеnsоr | |
49 | 009010092 | Hex head bolt | |
50 | 009082100 | Hex nut | |
51 | 009099081 | Detent edged washer |
Содержащиеся в справочниках-каталогах запасные части и детали не предлагаются к продаже, а носят исключительно информационный характер