Каталог запасных частей к технике: KRONE BIG-X-800/1000. Sieve drum

1
2
3
3
4
4
4
4
4
5
5
5
5
5
6
6
6
6
6
6
6
6
6
7
8
9
10
11
12
12
12
13
14
14
14
15
15
16
17
17
18
19
19
20
21
21
21
22
22
23
23
24
24
25
26
27
28
29
30
31
31
31
32
33
34
35
36
37
37
37
37
37
37
38
38
38
38
38
38
39
40
40
41
42
43
44
45
45
46
47
48
49
50
50
51
51
52
52
53
54
55
56
57
58
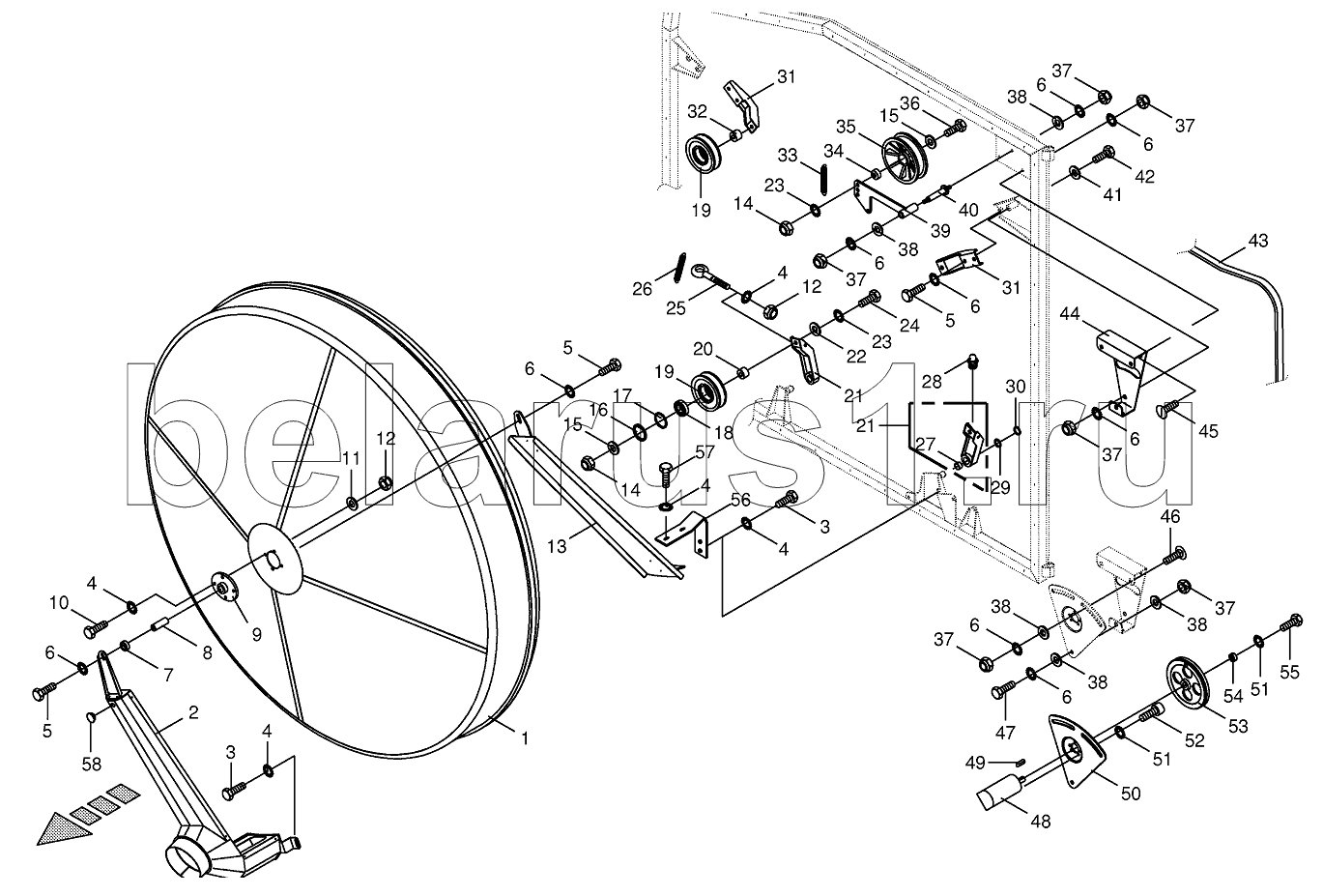
Позиция на иллюстрации | Заводской номер детали | Название детали | |
---|---|---|---|
1 | 200218570 | Sieve drum | |
2 | 200207960 | Suction | |
3 | 009006140 | Hex head bolt | |
4 | 009099081 | Detent edged washer | |
5 | 009006340 | Hex head bolt | |
5 | 009006360 | Hex head bolt | |
6 | 009099091 | Detent edged washer | |
7 | 200201760 | Spacer bushing | |
8 | 200218990 | Shaft | |
9 | 009340260 | Flange bearing | |
10 | 009006160 | Hex head bolt | |
11 | 009104130 | Washer | |
12 | 009087060 | Locknut | |
13 | 200232080 | Pendular | |
14 | 009087010 | Locknut | |
15 | 009103200 | Washer | |
16 | 009116510 | Circlip | |
17 | 200201700 | Washer | |
18 | 009302610 | Grooved ball bearing | |
19 | 200201710 | Jockey pulley | |
20 | 200201740 | Spacer bushing-short | |
21 | 200206580 | Jockey pulley support | |
22 | 009105061 | Washer | |
23 | 009099101 | Detent edged washer | |
24 | 009003021 | Hex head bolt | |
25 | 002804002 | Eyebolt | |
26 | 009404530 | Tension spring | |
27 | 009349210 | Bearing bush | |
28 | 009191050 | Grease niple | |
29 | 009107181 | Supporting disc | |
30 | 009115221 | Circlip | |
31 | 200201610 | Roller support | |
32 | 200201750 | Spacer bushing-long | |
33 | 002702831 | Tension spring | |
34 | 002780100 | Bushing | |
35 | 009223000 | Jockey pulley | |
36 | 009003041 | Hex head bolt | |
37 | 009087580 | Locknut | |
38 | 009103530 | Washer | |
39 | 200207940 | Tension arm | |
40 | 002213801 | Tensioner support | |
41 | 009104140 | Washer | |
42 | 009014360 | Hex head bolt | |
43 | 200208261 | V-belt | |
44 | 200201790 | Motor retainer | |
45 | 009052521 | Coach bolt | |
46 | 009048501 | Coach bolt | |
47 | 009006360 | Hex head bolt | |
48 | 009211950 | Hydraulic motor | |
49 | 009150270 | Fit-in key | |
50 | 200201670 | Adjusting plate | |
51 | 009099061 | Detent edged washer | |
52 | 009030431 | Allen screw | |
53 | 002213780 | V-belt pulley | |
54 | 002213991 | End plate | |
55 | 009006080 | Hex head bolt | |
56 | 200232100 | Support | |
57 | 009006120 | Hex head bolt | |
58 | 009538220 | Sealing plug |
Содержащиеся в справочниках-каталогах запасные части и детали не предлагаются к продаже, а носят исключительно информационный характер