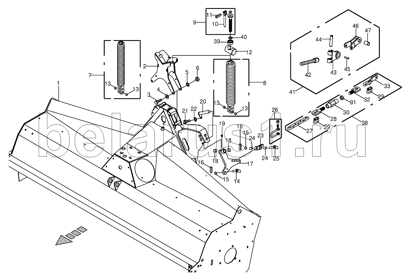
Каталог запасных частей к технике: KRONE EC32CV/32CV-F. Spring compensation

1
2
3
4
5
6
7
8
9
10
11
12
13
13
13
13
14
15
15
16
16
17
18
18
19
20
21
22
23
24
24
25
26
27
28
29
29
30
31
32
33
38
39
40
41
42
43
44
45
46
47
Позиция на иллюстрации | Заводской номер детали | Название детали | |
---|---|---|---|
1 | 200310851 | Tine conditioner housing | |
2 | 200322781 | Spring bearing | |
3 | 009014622 | Hex head bolt | |
4 | 009105061 | Washer | |
5 | 009099101 | Detent edged washer | |
6 | 009082150 | Hex nut | |
7 | 200335010 | Tension spring-right | |
8 | 200335020 | Tension spring-left | |
9 | 200335700 | Spindle | |
10 | 00620573 | Handle | |
11 | 009126712 | Roll pin | |
12 | 200335680 | Bearing | |
13 | 009349000 | Bearing bush | |
14 | 200310990 | Pin | |
15 | 009106210 | Washer | |
16 | 009125842 | Roll pin | |
17 | 200335050 | Oscillating lever-incl. bushing, grease nipple | |
18 | 009353340 | Bearing bush | |
19 | 009191070 | Grease niple | |
20 | 002270063 | Pin | |
21 | 009006140 | Hex head bolt | |
22 | 009099081 | Detent edged washer | |
23 | 200311070 | Chain fastener-incl. bushing | |
24 | 009349580 | Bearing bush | |
25 | 200310960 | Pin | |
26 | 009182051 | Shackle | |
27 | 270075961 | Steel chain | |
28 | 200334980 | Threaded rod-left-hand thread | |
29 | 900005650 | Connect. link | |
30 | 001469831 | Spanner nut | |
31 | 009082250 | Hex nut | |
32 | 200334960 | Threaded rod | |
33 | 200335060 | Mounting sheet | |
38 | 001464441 | Tension chain-cpl. | |
39 | 009311210 | Bearing | |
40 | 009107100 | Supporting disc | |
41 | 200351490 | Upper link-cat. II + III | |
42 | 200351470 | Threaded spindle | |
43 | 200351460 | Upper link-cat. III | |
44 | 002553040 | Pin | |
45 | 009125380 | Roll pin | |
46 | 200351420 | Fork | |
47 | 200351480 | Bushing-cat. II + III |
Содержащиеся в справочниках-каталогах запасные части и детали не предлагаются к продаже, а носят исключительно информационный характер