Каталог запасных частей к технике: KRONE EC F280. Quick coupler / Swath drum
/13.gif)
1
2
3
4
4
5
5
6
6
7
8
8
9
9
10
10
11
11
12
13
14
15
16
16
17
17
18
18
19
20
21
22
23
24
24
25
26
27
28
29
30
31
32
33
33
34
35
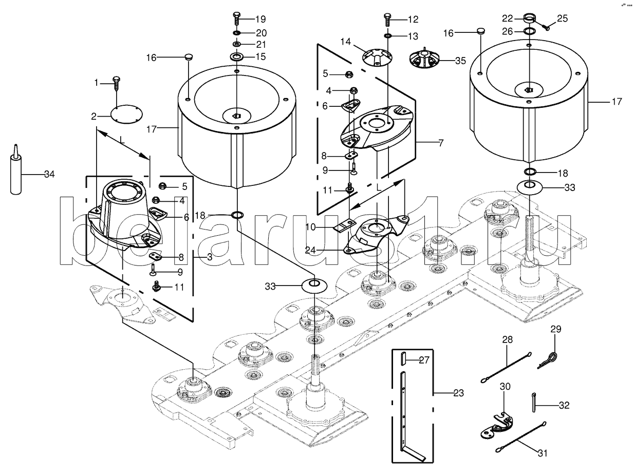
Позиция на иллюстрации | Заводской номер детали | Название детали | |
---|---|---|---|
009111330 | 009111330 | Shim ring | |
009111340 | 009111340 | Shim ring | |
1 | 009069490 | Self-tapping screw | |
2 | 002530521 | Cover | |
3 | 200376010 | Mower drum (356) screw connection | |
4 | 009087580 | Locknut | |
5 | 009080560 | Self-locking nut | |
6 | 002537431 | Guard | |
7 | 200376040 | Cutting disc (356) | |
8 | 002530423 | Knife support | |
9 | 009040453 | Countersunkscrew | |
10 | 001398894 | Blade rh | |
10 | 001398884 | Blade lh | |
11 | 002537450 | Mower pin | |
12 | 009006370 | Hex head bolt | |
13 | 009099091 | Detent edged washer | |
14 | 002530470 | Cover | |
15 | 001443453 | Spacing washer | |
16 | 270034870 | Sealing plug | |
17 | 002540503 | Swath drum | |
18 | 009111361 | Shim ring | |
19 | 009006560 | Hex head bolt | |
20 | 009098001 | Detent edged washer | |
21 | 009103590 | Washer | |
22 | 009113201 | Collar | |
23 | 002535180 | Special key for blades | |
24 | 200361690 | Blade carrier L=356 with edge | |
24 | 200358510 | Blade carrier | |
25 | 009006140 | Hex head bolt | |
26 | 009107271 | Supporting disc | |
27 | 009250160 | Handle | |
28 | 009226512 | Chain | |
29 | 009171041 | Spring clip | |
30 | 200310070 | Gauge | |
31 | 900003380 | Chain | |
32 | 009120661 | Cotter pin | |
33 | 200315880 | Cover cap | |
34 | 009402360 | Sealant-silicone-free | |
35 | 200352300 | Cover for blade disc + discharge plates-optional |
Содержащиеся в справочниках-каталогах запасные части и детали не предлагаются к продаже, а носят исключительно информационный характер