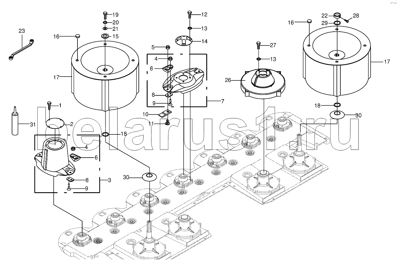
Каталог запасных частей к технике: KRONE EC F280 / F320. Blade fastening/Swath drum

1
2
3
4
4
5
6
6
7
8
8
9
9
10
10
11
12
13
13
14
15
16
16
17
17
18
18
19
20
21
22
23
26
27
28
29
30
30
31
Позиция на иллюстрации | Заводской номер детали | Название детали | |
---|---|---|---|
1 | 009069490 | Self-tapping screw | |
2 | 002530521 | Cover | |
3 | 200310630 | Mower drum | |
4 | 009087580 | Locknut | |
5 | 009080560 | Self-locking nut | |
6 | 002537431 | Guard | |
7 | 200310620 | Mower disc | |
8 | 002530423 | Knife support | |
9 | 009040453 | Countersunkscrew | |
10 | 001398883 | Knife-left | |
10 | 001398893 | Knife-right | |
11 | 002537440 | Knife screw | |
12 | 009006370 | Hex head bolt | |
13 | 009099091 | Detent edged washer | |
14 | 002530470 | Cover | |
15 | 001443453 | Spacing washer | |
16 | 270034870 | Sealing plug | |
17 | 002540503 | Swath drum | |
18 | 009111361 | Shim ring | |
18 | 009111330 | Shim ring | |
18 | 009111340 | Shim ring | |
19 | 009006560 | Hex head bolt | |
20 | 009098001 | Detent edged washer | |
21 | 009103590 | Washer | |
22 | 009113201 | Collar | |
23 | 009253032 | Spanner key | |
26 | 200316310 | Swath drum | |
27 | 009008150 | Hex head bolt | |
28 | 009006160 | Hex head bolt | |
29 | 009107271 | Supporting disc | |
30 | 200315880 | Cover cap | |
31 | 009402360 | Sealant-silicone-free |
Содержащиеся в справочниках-каталогах запасные части и детали не предлагаются к продаже, а носят исключительно информационный характер