Каталог запасных частей к технике: КЗК Енисей 1200. Площадка управления КДМ 5Б
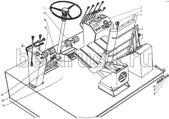
1
2
3
4
5
6
7
8
9
10
11
12
13
14
15
16
17
| Позиция на иллюстрации | Заводской номер детали | Название детали | |
|---|---|---|---|
| 1 | КДМ-5-12-Б | Рулевое управление | |
| 2 | КДМ-5-5-А | Пульт управления | |
| 3 | КДМ-5-2 | Механизм переключения передач | |
| 4 | КДМ-5-30-Б | Сиденье | |
| 5 | КДМ-5-44-А | Рычаг включения молотилки | |
| 6 | КДМ-5-61 | Вал | |
| 7 | КДМ-5-85-Б | Кожух | |
| 8 | М14Х55-7796 | Болт | |
| 9 | 14-11371 | Шайба | |
| 10 | М14-5915 | Гайка | |
| 11 | КДМ-0115-Б | Коврик | |
| 12 | КДМ-5-3 | Кронштейн | |
| 13 | КДМ-5-47 | Колонка привода тормоза | |
| 14 | КДМ-5-52-Б | Педаль муфты сцепления | |
| 15 | КДМ-5-29-Б | Педаль сброса копны | |
| 16 | КДМ-5-79-Б | Пульт управления дистанционным запуском | |
| 17 | КДМ-5-43-Б | Педаль тормоза |
Содержащиеся в справочниках-каталогах запасные части и детали не предлагаются к продаже, а носят исключительно информационный характер