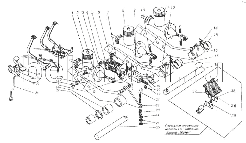
Каталог запасных частей к технике: КЗК Енисей 1200М. Площадка управления (КДМ5Б)

1
2
3
4
5
6
7
7
8
9
10
11
12
13
14
14
15
16
17
18
19
20
21
22
23
24
25
26
27
28
29
30
31
32
33
34
35
36
37
Позиция на иллюстрации | Заводской номер детали | Название детали | |
---|---|---|---|
1 | 54-5-1-6-Б | Цилиндр главный сцепления | |
2 | 54-61591 | Ось | |
3 | 12-11371 | Шайба | |
4 | 54-60878 | Пружина | |
5 | 54-5-1-26-Б | Корпус подшипника | |
6 | 012-016-25-2-4 | Кольцо | |
7 | 3,2х20-397 | Шплинт | |
8 | 54-5-1-4-Б | Цилиндр главный тормоза левый | |
9 | 54-61592-А | Ось | |
10 | 54-60926 | Пружина | |
11 | 54-5-1-5-Б | Цилиндр главный тормоза правый | |
12 | 6-8х30-9650 | Ось | |
13 | 2х14-397 | Шплинт | |
14 | 8-11371 | Шайба | |
15 | КДМ-8186 | Втулка | |
16 | КДМ-5-43-В | Педаль тормоза | |
17 | КДМ-8186-01 | Втулка | |
18 | КДМ-6516 | Вал | |
19 | 4х32-397 | Шплинт | |
20 | КДМ-5-99 | Вилка | |
21 | КД-5-73 | Тяга | |
22 | КДМ-5-52-В | Педаль муфты сцепления (кроме Е-1200НМ) | |
23 | 54-60879 | Пружина | |
24 | М8-5915 | Гайка | |
25 | КДМ-6517-А | Вал | |
26 | КДМ5-105-01 | Тяга | |
27 | 50292 | Шайба | |
28 | КДМ-8186-02 | Втулка | |
29 | М-12-5915 | Гайка | |
30 | 12.65Г-6402 | Шайба | |
31 | КДМ-5-27-Б | Педаль сброса копны | |
32 | КДМ-5-110 | Кронштейн | |
33 | КДМ-2014-А | Рычаг | |
34 | КДМ-5-111В | Тяга | |
35 | КДМ-5-103 | Вал | |
36 | КДМ5-105-01 | Тяга | |
37 | КДМ-0487 | Чехол |
Содержащиеся в справочниках-каталогах запасные части и детали не предлагаются к продаже, а носят исключительно информационный характер