Каталог запасных частей к технике: КЗК Енисей 1200М. Пульт управления (КДМ5-79Б)

1
2
3
4
5
6
6
7
7
8
8
8
9
9
9
10
10
10
11
11
11
11
12
12
12
13
14
15
16
17
18
19
20
21
22
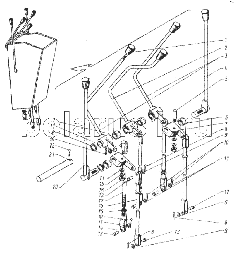
Позиция на иллюстрации | Заводской номер детали | Название детали | |
---|---|---|---|
1 | КДМ-0262 | Рукоятка | |
2 | КДМ-5-79-4 | Рычаг | |
3 | КДМ-5-79-2-Б | Рычаг | |
4 | КДМ-5-79-5-Б | Рычаг | |
5 | 60994-Б | Клин | |
6 | КДМ-0248 | Втулка | |
7 | КДМ-2030Б | Рычаг | |
8 | 2,5х20-397 | Шплинт | |
9 | 10-11371 | Шайба | |
10 | 2х14-397 | Шплинт | |
11 | 8-11371 | Шайба | |
12 | 10х28-9650 | Ось | |
13 | 8х28-9650 | Ось | |
14 | 54-30065А | Вилка | |
15 | М10-5915 | Гайка | |
16 | КДМ-5-79-8-Г | Тяга | |
17 | КДМ-5-5-8-А | Тяга | |
18 | М8-5915 | Гайка | |
19 | 8.65Г-6402 | Шайба | |
20 | КДМ-5-79-7-А | Рычаг | |
21 | КДМ-6781-А | Ось | |
22 | 4х22-397 | Шплинт |
Содержащиеся в справочниках-каталогах запасные части и детали не предлагаются к продаже, а носят исключительно информационный характер