Каталог запасных частей к технике: Lemken Solitair 9/400KA. Oil cooler Solitair EHA-A

1
2
3
4
4
5
6
7
8
9
10
11
12
13
14
15
16
17
18
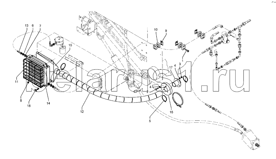
Позиция на иллюстрации | Заводской номер детали | Название детали | |
---|---|---|---|
1 | 301 0306 | Flatheaded bolt | |
2 | 301 3004 | Screw | |
3 | 303 1009 | Nut | |
4 | 305 8571 | Washer | |
5 | 325 1166 | Hose clip | |
6 | 375 4040 | Nipple | |
7 | 375 4657 | Thread reduction | |
8 | 375 5152 | Plug | |
9 | 375 9951 | Weld on plate | |
10 | 375 9963 | Clamp | |
11 | 470 5102 | Protective grating | |
12 | 377 4087 | Flexible hose | |
13 | 475 2661 | High-pressure hose | |
14 | 475 4780 | Oil cooler | |
15 | 475 4781 | Inlet nozzle | |
16 | 482 5065 | Cap | |
17 | 482 5066 | Stud | |
18 | 559 9001 | Clamp |
Содержащиеся в справочниках-каталогах запасные части и детали не предлагаются к продаже, а носят исключительно информационный характер