Каталог запасных частей к технике: ЛТЗ-55. Двигатель

Д144-0000100-25
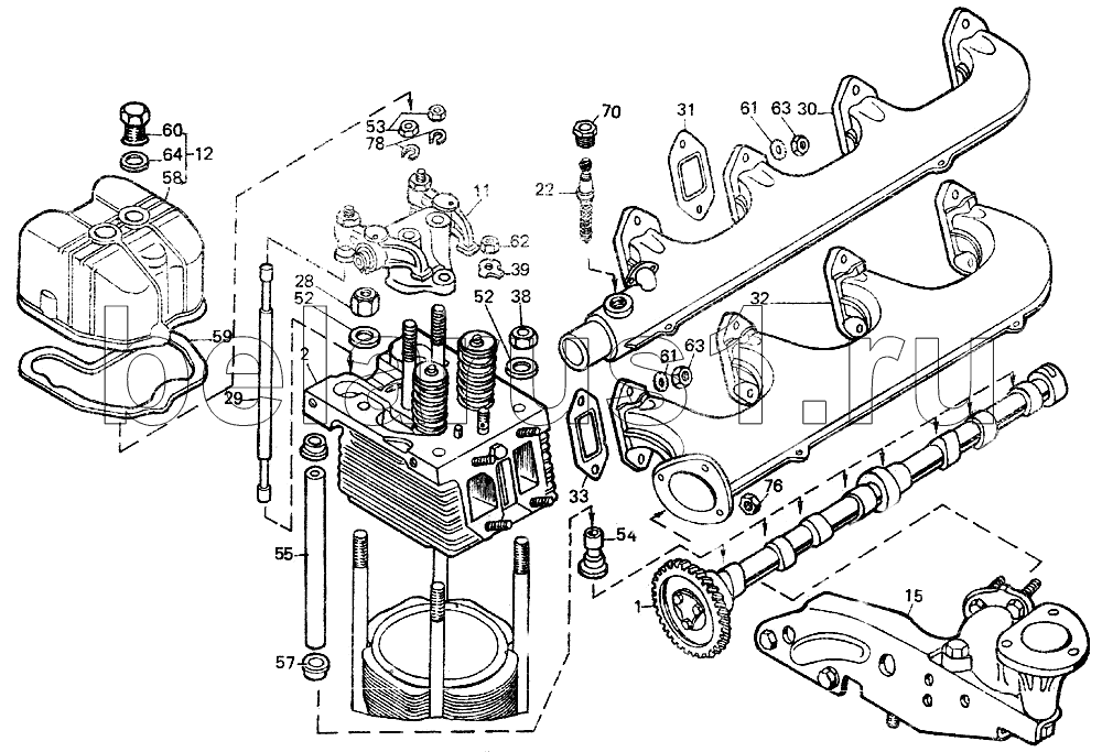
1
2
11
12
15
22
28
29
30
31
32
33
38
39
52
52
53
54
55
57
58
59
60
61
61
62
63
63
64
70
76
78
Позиция на иллюстрации | Заводской номер детали | Название детали | |
---|---|---|---|
Д144-0000100-25 | Д144-0000100-25 | Двигатель 29+3 кВт (40 л. с.) | |
1 | Д144-0000150 | Распределительный вал и шестерни газораспределения | |
2 | Д37М-1000080-Б5 | Головка цилиндра со шпильками | |
11 | Д37Е-1007080-Б2 | Коромысла со стойкой | |
12 | Д37М-1007400-Б3 | Крышка клапанов | |
15 | Д144-1201010 | Кронштейн соединительный с патрубком | |
22 | СН150А-3740000 | Свеча подогрева однопроводная СН150А | |
28 | Д37М-1003540-А1 | Гайка | |
29 | Д37Е-1007320 | Штанга толкателя | |
30 | Д37Е-1008030-А-10 | Трубопровод впускной | |
31 | Д37М-1008070-Б | Прокладка впускного трубопровода | |
32 | Д37М-1008120-Г9 | Трубопровод выпускной | |
33 | Д37М-1008170-Б | Прокладка выпускного трубопровода | |
38 | Д30-1002029 | Гайка | |
39 | Д37М-1002176 | Шайба стопорная | |
52 | Д37М-1003549 | Шайба | |
53 | Д30-1007198 | Гайка М10Х1 | |
54 | Д37Е-1007375 | Толкатель клапана | |
55 | Д37Е-1007393-А | Кожух штанги | |
57 | Д30-1007399-А | Кольцо уплотнительное | |
58 | Д37М-1007415-Б3 | Крышка клапанов | |
59 | Д37М-1007419-А2 | Прокладка крышки клапанов | |
60 | Д37М-1007483 | Гайка крышки клапанов | |
61 | Д37М-1008078 | Шайба пружинная зубчатая | |
62 | Д37А-1008127-Б | Гайка М8Х1 | |
63 | Д30-1008127-Б2 | Гайка крепления выпускного трубопровода | |
64 | Д37М-1104144 | Прокладка | |
70 | Д21-8101533 | Гайка свечи СН150А | |
76 | М12х1.25-6Н8.40.019 | Гайка | |
78 | 100Т65Г06 | Шайба |
Содержащиеся в справочниках-каталогах запасные части и детали не предлагаются к продаже, а носят исключительно информационный характер