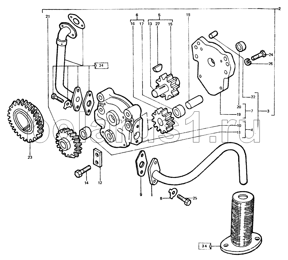
Каталог запасных частей к технике: ЛТЗ-55. Насос масляный с трубой приемника

Д144-1400050
1
2
3
4
5
6
7
8
9
10
11
12
13
14
15
16
17
18
19
20
21
22
23
24
25
26
27
Позиция на иллюстрации | Заводской номер детали | Название детали | |
---|---|---|---|
Д144-1400050 | Д144-1400050 | Насос масляный с трубой приемника | |
1 | Д37М-1402050-Г | Трубка приемника | |
2 | Д144-1403010 | Насос масляный | |
3 | Д37М-1403011-А1 | Корпус с крышкой | |
4 | Д37М-1403020-В2 | Корпус со втулкой | |
5 | Д37М-1403050-Б | Валик | |
6 | Д37М-1403110 | Шестерня ведомая (z=11) | |
7 | Д37М-1403150 | Крышка со втулкой | |
8 | Д37М-1002176 | Шайба стопорная | |
9 | Д37М-1402183-Б | Прокладка фланца | |
10 | Д37М-1403025-Г | Корпус | |
11 | Д30-1403028-Б | Втулка корпуса | |
12 | Д37М-1403032 | Пластина стопорная | |
13 | Д30-1403052-В2 | Валик | |
14 | Д37М-1403056 | Болт специальный | |
15 | Д37М-1403075 | Шестерня ведущая (z=11) | |
16 | Д37М-1403115 | Шестерня ведомая (z=11) | |
17 | Д37М-1403118 | Втулка ведомой шестерни | |
18 | Д37М-1403125 | Ось ведомой шестерни | |
19 | Д37М-1403155-А | Крышка | |
20 | Д37М-1403156 | Втулка крышки | |
21 | Д144-1403228 | Шестерня ведомая (z=18) | |
22 | Д144-1403268 | Штифт установочный | |
23 | Д144-1403312 | Шестерня ведущая (z=29) | |
24 | М6-6gх20.88.019 | Болт | |
25 | 4М8-6gх16.88.019 | Болт | |
26 | 6Т65Г06 | Шайба | |
27 | 3х5 | Шпонка |
Содержащиеся в справочниках-каталогах запасные части и детали не предлагаются к продаже, а носят исключительно информационный характер