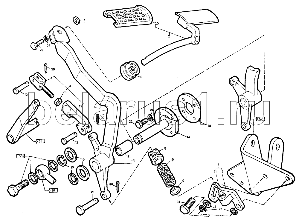
Каталог запасных частей к технике: ЛТЗ-55. Управление муфтой ВОМ

Т40М1-4216560-02
1
2
3
4
5
6
7
8
9
10
11
12
12
13
14
15
16
17
18
19
20
21
22
23
24
25
26
26
27
28
29
29
30
Позиция на иллюстрации | Заводской номер детали | Название детали | |
---|---|---|---|
Т40М1-4216560-02 | Т40М1-4216560-02 | Управление муфтой ВОМ | |
1 | Т40М1-1602180 | Кронштейн | |
2 | Т40М1-4216140 | Педаль | |
3 | Т40М1-4216150 | Тяга с вилкой | |
4 | Т40М1-4216130 | Вилка с хвостовиком | |
5 | Т40М1-4216170-01 | Рычаг педали | |
6 | Т40М1-1602011 | Уплотнитель | |
7 | Т40М1-1602017 | Шайба | |
8 | 50-1602027 | Заказать | Упор |
9 | Т40М1-1602029 | Шайба упорная | |
10 | 50-1602032 | Заказать | Пружина |
11 | 50-1602033-А | Заказать | Болт |
12 | Т25-1602138 | Палец | |
13 | Т40М1-1602181 | Кронштейн | |
14 | Т40М1-1900011 | Ось педалей | |
15 | Т25-1900013 | Кольцо 2Б24 ГОСТ 13940-68 | |
16 | Т25-3504049 | Шайба черная | |
17 | Т40-3504063-Т | Втулка | |
18 | Т25-4216147 | Прокладка уплотнительная | |
19 | Т40М1-4216151 | Тяга | |
20 | А.13.33.002 | Чехол | |
21 | А40295 | Палец вилки | |
22 | М10-6gх25.88.019 | Болт | |
23 | М10-6gх30.88.019 | Болт | |
24 | М12-6gх30.88.019 | Болт | |
25 | М8-6Н.6.019 | Гайка | |
26 | 100Т65Г06 | Шайба | |
27 | 120Т65Г06 | Шайба | |
28 | А.12.01.019 | Шайба | |
29 | 2х20.019 | Шплинт | |
30 | 3,2х20.019 | Шплинт |
Содержащиеся в справочниках-каталогах запасные части и детали не предлагаются к продаже, а носят исключительно информационный характер